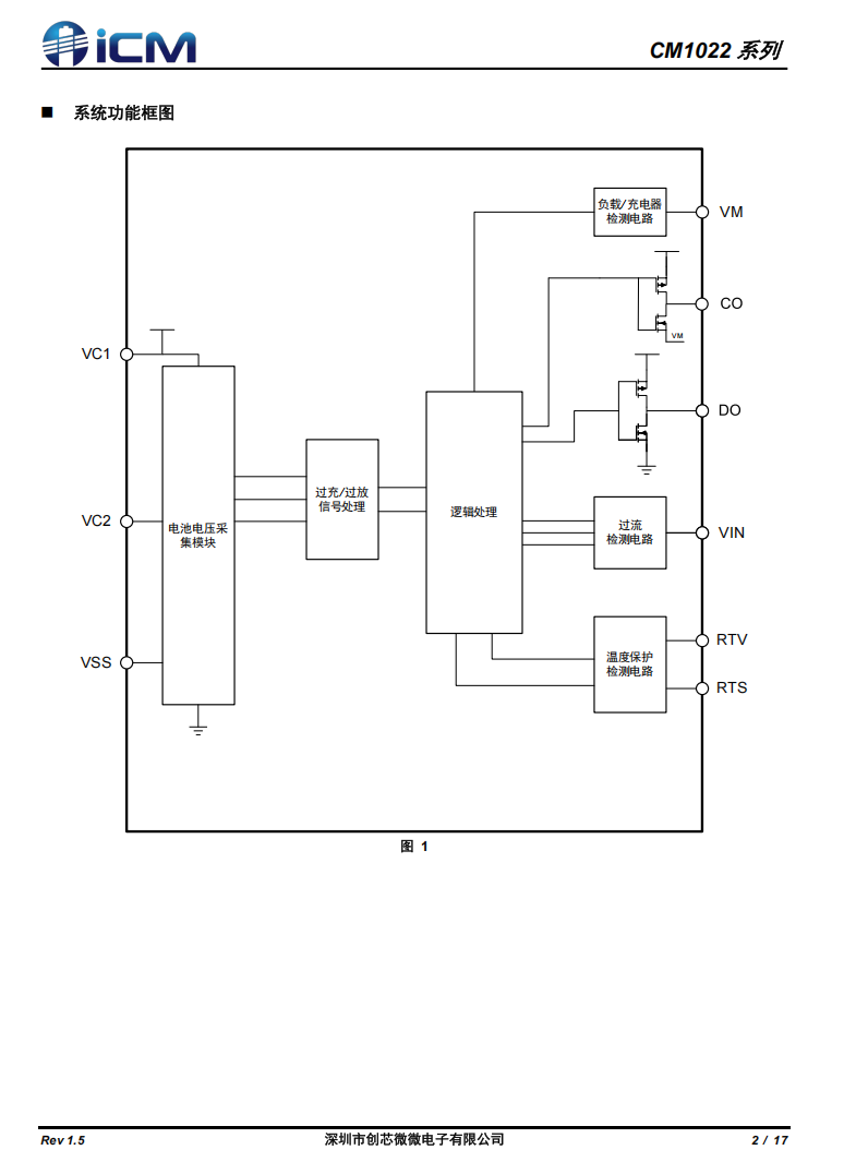
CM1022 系列是一款专用于2串锂/铁电池的保护芯片,内置有高精度电压检测电路和电流检测电路,通过检测各节电池的电压、充放电电流及温度等信息,实现电池过充电、过放电、放电过流、短路、充电过流和温度等保护功能,所有保护弧时均内置。






CM1022 系列 2 串可充电锂电池保护1C
最新推荐文章于 2025-12-11 15:53:58 发布
CM1022 系列是一款专用于2串锂/铁电池的保护芯片,内置有高精度电压检测电路和电流检测电路,通过检测各节电池的电压、充放电电流及温度等信息,实现电池过充电、过放电、放电过流、短路、充电过流和温度等保护功能,所有保护弧时均内置。






74

被折叠的 条评论
为什么被折叠?