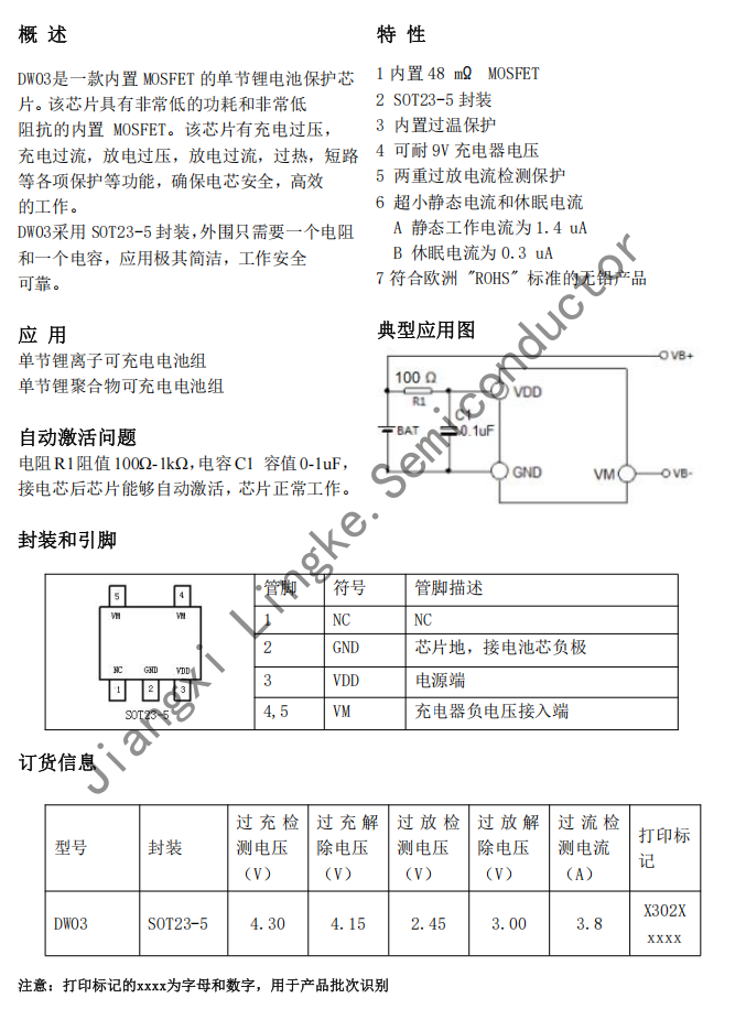
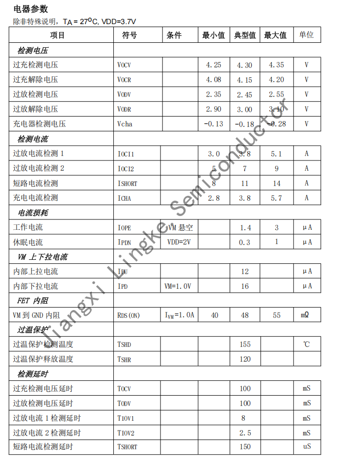
DW03是一款内置 MOSFET 的单节锂电池保护芯片。该芯片具有非常低的功耗和非常低阻抗的内置 MOSFET。该芯片有充电过压,充电过流,放电过压,放电过流,过热,短路等各项保护等功能,确保电芯安全,高效的工作。DW03采用 SOT23-5 封装,外围只需要一个电阻和一个电容,应用极其简洁,工作安全可靠。





DW03 DOT23-5 一款内置MOSFET的单节锂电池保护芯片
最新推荐文章于 2025-12-05 12:11:05 发布
DW03是一款内置 MOSFET 的单节锂电池保护芯片。该芯片具有非常低的功耗和非常低阻抗的内置 MOSFET。该芯片有充电过压,充电过流,放电过压,放电过流,过热,短路等各项保护等功能,确保电芯安全,高效的工作。DW03采用 SOT23-5 封装,外围只需要一个电阻和一个电容,应用极其简洁,工作安全可靠。






被折叠的 条评论
为什么被折叠?