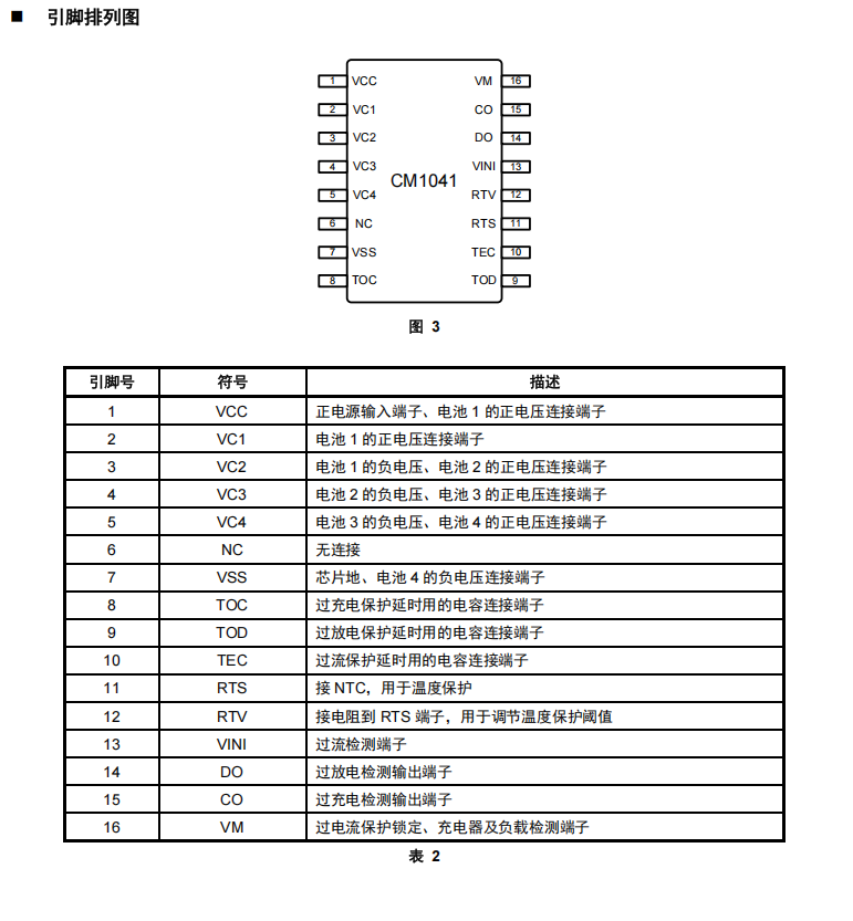
CM1041 系列是一款专用于4串锂/铁电池的保护芯片,内置有高精度电压检测电路和电流检测电路,通过检测各节电池的电压、充放电电流及温度等信息,实现电池过充电、过放电、放电过电流、短路、充电过电流、过温等保护功能,可通过外接电容来调节过充电、过放电、过电流保护延时。





CM1041 系列 4 串可充电锂电池保护IC
最新推荐文章于 2025-12-11 15:53:58 发布
CM1041 系列是一款专用于4串锂/铁电池的保护芯片,内置有高精度电压检测电路和电流检测电路,通过检测各节电池的电压、充放电电流及温度等信息,实现电池过充电、过放电、放电过电流、短路、充电过电流、过温等保护功能,可通过外接电容来调节过充电、过放电、过电流保护延时。






被折叠的 条评论
为什么被折叠?