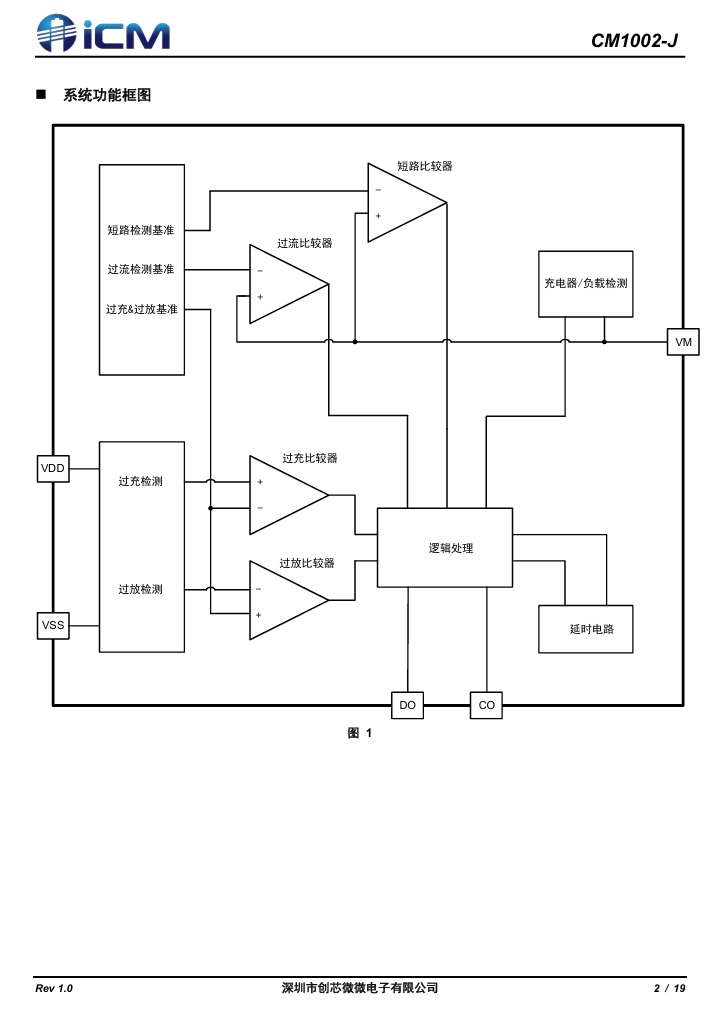
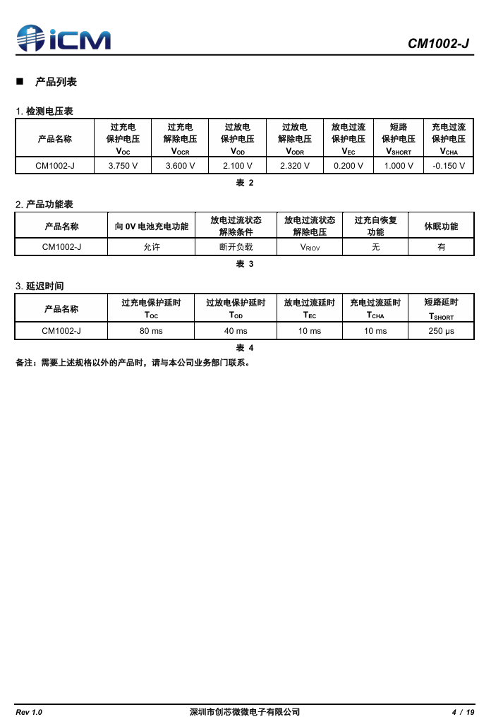
CM1002-J内置有高精度电压检测电路和延迟电路,通过检测电池的电压、电流,实现对电池的过充电、过放电、过电流等保护。适用于单节锂离子/锂聚合物可充电电池的保护电路。






CM1002-J单节可充电锂电池保护IC
最新推荐文章于 2025-12-11 15:56:10 发布
CM1002-J内置有高精度电压检测电路和延迟电路,通过检测电池的电压、电流,实现对电池的过充电、过放电、过电流等保护。适用于单节锂离子/锂聚合物可充电电池的保护电路。






1万+
2387

被折叠的 条评论
为什么被折叠?