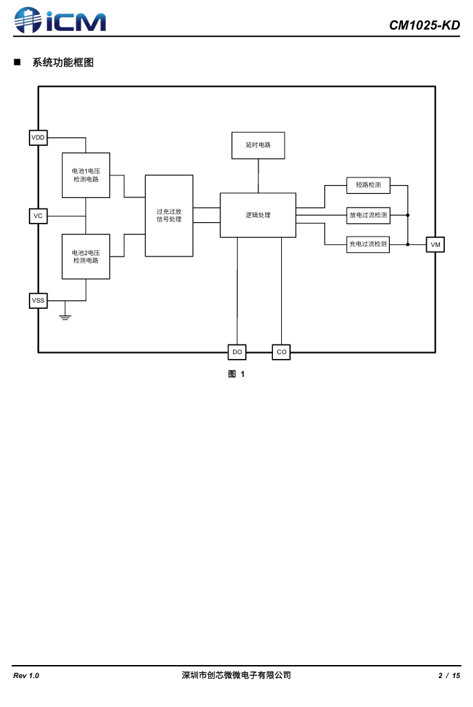
CM1025-KD是一款专用于2串锂/铁电池的保护芯片,内置有高精度电压检测电路和电流检测电路。支持过充电、过放电、放电过电流、短路、充电过电流的检测。





CM1025-KD 两串可充电锂电池保护IC
最新推荐文章于 2025-12-10 10:43:08 发布
CM1025-KD是一款专用于2串锂/铁电池的保护芯片,内置有高精度电压检测电路和电流检测电路。支持过充电、过放电、放电过电流、短路、充电过电流的检测。






被折叠的 条评论
为什么被折叠?