二区及以上,YOLO依然是发文香饽饽!不说别的,就ECCV2024就收录了不少,更是出现了满分文章:SpikeYOL!
主要在于:一方面,近来涌现了不少新技术,给领域的发展带来了新的机会。通过与Mamba结合,诸多模型取得了性能的飞跃!另一方面,相比其他模型,它不仅简单而且性能好,小白好上手。且开源代码多,魔改方便。此外,其涉及的应用场景也非常丰富,结合不同的场景和数据集,便能有创新的机会!
目前主流的创新方向有:模型架构优化、模型训练策略优化、引入多模态融合……
为让大家能够紧跟领域前沿,早点发出自己的顶会,我给大家准备了35篇高质量必读论文,原文和源码都有,相信能够给你带来更多idea启发!
1.引入注意力机制
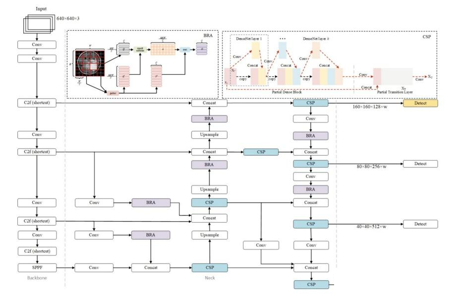
论文:BGF-YOLO: Enhanced YOLOv8 with Multiscale Attentional Feature Fusion for Brain Tumor Detection
内容
该论文介绍了一种名为BGF-YOLO的新型YOLOv8架构,它通过结合双层路由注意力(BRA)、广义特征金字塔网络(GFPN)和第四检测头来增强脑肿瘤检测能力。BGF-YOLO通过注意力机制关注重要特征,并利用特征金字塔网络丰富特征表示,将高级语义特征与空间细节合并。
2.与Mamba结合
论文:FER-YOLO-Mamba: Facial Expression Detection and Classification Based on Selective State Space
内容
该论文提出了一个名为FER-YOLO-Mamba的面部表情识别(FER)模型,该模型结合了Mamba和YOLO技术,通过一个双分支结构整合了卷积层在局部特征提取上的优势和状态空间模型(SSMs)在揭示长距离依赖上的能力,以提高FER任务中的检测和分类效率。
3.引入多尺度特征融合
论文:YOLO-CCA: A Context-Based Approach for Traffic Sign Detection
内容
该论文提出了一个基于上下文的交通标志检测算法YOLO-CCA,该算法利用YOLOv7作为基线模型,通过增加局部上下文特征增强(LCFE)模块和全局上下文特征收集(GCFC)模块,以及基于Transformer的上下文收集增强(CCA)模块,来提高交通标志检测的准确性。
4.模型训练策略优化
论文:MODIPHY: Multimodal Obscured Detection for IoT using PHantom Convolution-Enabled Faster YOLO
内容
该论文介绍了一个名为“YOLO Phantom”的新型YOLO模型,它是迄今为止最小的YOLO模型之一,该模型利用多模态RGB-红外数据集进行迁移学习,以解决低光照和遮挡问题,使其在恶劣条件下具有强大的视觉能力,并在一个配备先进低光照和RGB摄像头的IoT平台上展示了其实时目标检测的有效性,同时能够无缝连接到基于AWS的通知端点。



1946

被折叠的 条评论
为什么被折叠?



