文章目录
1.从分布参数电路到电报方程
- 推导过程:微小线段电路模型 → 写出微分方程 → 解出指数解。整体和电路笔记(阻抗) : 传输线路方程&传输线输入阻抗公式 推导 + 理查德变换 Richards‘ Transformation(用传输线形式的分立元件替代集总元件)一样,只不过侧重的点不同。
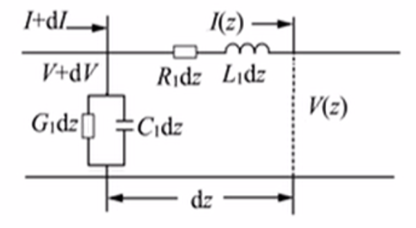
1) 把电缆看成无限小段的分布参数模型
- 把长度 (x) 到 (x+dx) 的小段看作下面这个等效电路(串联 (R,dx), (L,dx);并联 (G,dx), (C,dx))。

对于一条差分或单端传输线,每 单位长度 有四个参数(均为每米):
- 电阻 R(Ω/m) — 串联耗散
- 电感 L(H/m) — 串联感抗
- 电导 G(S/m) — 对地漏导(介质损耗)
- 电容 C(F/m) — 对地或对相互线的电容
2) 写出微小段的基尔霍夫方程(KVL 与 KCL,在频域)
用复频域表示(假设信号为 e j ω t e^{j\omega t} ejωt 频率分量),对该小段:
-
电压降(KVL):
V ( x ) − V ( x + d x ) = ( R , d x + j ω L ) ∗ d x ∗ I ( x ) V(x) - V(x+dx) = (R,dx + j\omega L)*dx*I(x) V(x)−V(x+dx)=(R,dx+jωL)∗dx∗I(x)
两端差除以 (dx),取极限:
− ∂ V ∂ x = ( R + j ω L ) ∗ I ( x ) (1) -\frac{\partial V}{\partial x} = (R + j\omega L)*I(x) \quad\text{(1)} −∂x∂V=(R+jωL)∗I(x)(1) -
电流连续方程(KCL):流入与流出电流差等于并联支路的泄漏电流
I ( x ) − I ( x + d x ) = ( G , d x + j ω C ) ∗ d x ∗ V ( x ) I(x) - I(x+dx) = (G,dx + j\omega C)*dx*V(x) I(x)−I(x+dx)=(G,dx+jωC)∗dx∗V(x)
类似化简得:
− ∂ I ∂ x = ( G + j ω C ) ∗ V ( x ) (2) -\frac{\partial I}{\partial x} = (G + j\omega C)*V(x) \quad\text{(2)} −∂x∂I=(G+jωC)∗V(x)(2)
3) 消去 (I) 或 (V) 得到二阶微分方程(电报方程)
对式 (1) 两边对x求导,:
− ∂ 2 V ∂ x 2 = ( R + j ω L ) ∗ ∂ I ∂ x -\frac{\partial^2 V}{\partial x^2} = (R + j\omega L)*\frac{\partial I}{\partial x} −∂x2∂2V=(R+jωL)∗∂x∂I
将 (2) 代入:
∂ 2 V ∂ x 2 = ( R + j ω L ) ( G + j ω C ) ∗ V \frac{\partial^2 V}{\partial x^2} = (R + j\omega L)(G + j\omega C)*V ∂x2∂2V=(R+jωL)(G+jωC)∗V
同理可以得到电流形式:
∂ 2 I ∂ x 2 = ( R + j ω L ) ( G + j ω C ) ∗ I \frac{\partial^2 I}{\partial x^2} = (R + j\omega L)(G + j\omega C)*I ∂x2∂2I=(R+jωL)(G+jωC)∗I
4) 指数解
设
γ
2
=
(
R
+
j
ω
L
)
(
G
+
j
ω
C
)
\gamma^2 = (R + j\omega L)(G + j\omega C)
γ2=(R+jωL)(G+jωC)
则一阶解为
V
(
x
)
=
V
+
e
−
γ
x
+
V
−
e
+
γ
x
V(x) = V_+ e^{-\gamma x} + V_- e^{+\gamma x}
V(x)=V+e−γx+V−e+γx
- V + V_+ V+:沿 +x 方向传播的波
- V − V_- V−:沿 −x 方向传播的波(反射波),负载处因为匹配不反射(相当于无限长的电缆),所以 没有反射波
- 只关心单向传播(从发送端向接收端),写作:
V ( x ) = V 0 e − γ x V(x) = V_0 e^{-\gamma x} V(x)=V0e−γx
把
γ
\gamma
γ分解:
γ
=
α
+
j
β
\gamma = \alpha + j\beta
γ=α+jβ
于是
V
(
x
)
=
V
0
e
−
α
x
e
−
j
β
x
V(x) = V_0 e^{-\alpha x} e^{-j\beta x}
V(x)=V0e−αxe−jβx
- α \alpha α : N p / m Np/m Np/m(Neper per meter)是衰减常数(幅度随距離做指数衰减),Neper奈珀和分贝一样,都是比率的对数表达式。分贝使用以10为底的对数,也就是十进制对数,而奈珀使用自然对数,也就是欧拉常数对数。
- β \beta β: r a d / m rad/m rad/m是相位常数(表示波长/相位延迟)
这就是信号随距离呈指数衰减的本质原因。
2.衰减系数数特性
- 传输线的电报方程得出,衰减系数是频率的函数:
f ( ω ) = > γ = α + j β = ( R + j ω L ) ( G + j ω C ) f(\omega)=>\gamma = \alpha + j\beta = \sqrt{(R + j\omega L)(G + j\omega C)} f(ω)=>γ=α+jβ=(R+jωL)(G+jωC)
- 其中:R每米串联电阻,L每米串联电感,G 每米并联电导,C 每米并联电容, ω = 2 π f \omega = 2\pi f ω=2πf信号角频率
低频近似(ω → 0)
- 对低频信号, ω L ≪ R \omega L \ll R ωL≪R, ω C ≪ G \omega C \ll G ωC≪G
- γ 可近似为:
γ ≈ R G + j ⋅ 0 \gamma \approx \sqrt{RG} + j\cdot0 γ≈RG+j⋅0
- α 很小,主要由导体电阻 R 决定
- 低频信号几乎不衰减(万用表测不到)
高频近似(ω 较大)
- 高频时, ω L ≫ R \omega L \gg R ωL≫R, ω C ≫ G \omega C \gg G ωC≫G
- γ 可近似为:
γ ≈ j ω L C + R 2 C L + G 2 L C \gamma \approx j\omega \sqrt{LC} + \frac{R}{2}\sqrt{\frac{C}{L}} + \frac{G}{2}\sqrt{\frac{L}{C}} γ≈jωLC+2RLC+2GCL
- 衰减常数 α ≈ R 2 C / L + G 2 L / C \frac{R}{2}\sqrt{C/L} + \frac{G}{2}\sqrt{L/C} 2RC/L+2GL/C
- 这时 α 会随频率变化(尤其 R 也随频率略增,C/G 对高频影响更明显)
高频信号衰减明显,低频信号几乎不衰减
损耗近似
- 特性阻抗:
Z 0 ≈ L C Z_0 \approx \sqrt{\frac{L}{C}} Z0≈CL - 衰减常数近似为:
α ≈ R 2 C L + G 2 L C = R 2 Z 0 + G Z 0 2 \alpha \approx \frac{R}{2}\sqrt{\frac{C}{L}} + \frac{G}{2}\sqrt{\frac{L}{C}} = \frac{R}{2Z_0} + \frac{G Z_0}{2} α≈2RLC+2GCL=2Z0R+2GZ0
- 此公式直观地把衰减分成“导体损耗”(与 R成正比)和“介质损耗”(与G成正比)。
3.能量介质传播与指数衰减的关系
- 如果能量在吸收介质中传播(雾、水、大气强吸收段、土壤、组织),能量满足“比率损失 ∝ 当前能量”,产生 指数衰减:
d X d t = − k X ( t ) , k > 0 \frac{dX}{dt} = -k X(t),\quad k>0 dtdX=−kX(t),k>0
X ( t ) = X 0 e − k t X(t)=X_0 e^{-kt} X(t)=X0e−kt
- 像传输线方程这样的高阶常系数线性齐次微分方程,其通解也是多个指数函数的解的组合,能量的传播也满足指数衰减关系。
4.dB标度
-
工程上常用 dB/m 表示衰减。此时指数衰减在 dB 标度上变成了“线性衰减”。因此信号每增加一段距离,损耗的 dB 是恒定的,方便计算与叠加。
-
例如:
- 光纤损耗:x dB/km
- 声波吸收率: x dB/m
- 传输线损耗:x dB/m
5.功率指数衰减
- 沿线的电压和电流幅度随距离 (x) 衰减:
V ( x ) = V 0 e − α x , I ( x ) = I 0 e − α x V(x) = V_0 e^{-\alpha x}, \quad I(x) = I_0 e^{-\alpha x} V(x)=V0e−αx,I(x)=I0e−αx
- 单位长度的瞬时功率为:
P ( x ) = 1 2 ∣ V ( x ) ∣ ⋅ ∣ I ∗ ( x ) ∣ P(x) = \frac{1}{2} |V(x)| \cdot |I^*(x)| P(x)=21∣V(x)∣⋅∣I∗(x)∣
- 代入衰减公式(幅度同样指数衰减):
P ( x ) ∝ V ( x ) 2 ∝ e − 2 α x P(x) \propto V(x)^2 \propto e^{-2\alpha x} P(x)∝V(x)2∝e−2αx
- 所以功率(能量传输速率)衰减指数更快。
1898

被折叠的 条评论
为什么被折叠?



