✅作者简介:热爱科研的Matlab仿真开发者,擅长数据处理、建模仿真、程序设计、完整代码获取、论文复现及科研仿真。
🍎 往期回顾关注个人主页:Matlab科研工作室
🍊个人信条:格物致知,完整Matlab代码及仿真咨询内容私信。
🔥 内容介绍
一、研究背景与意义
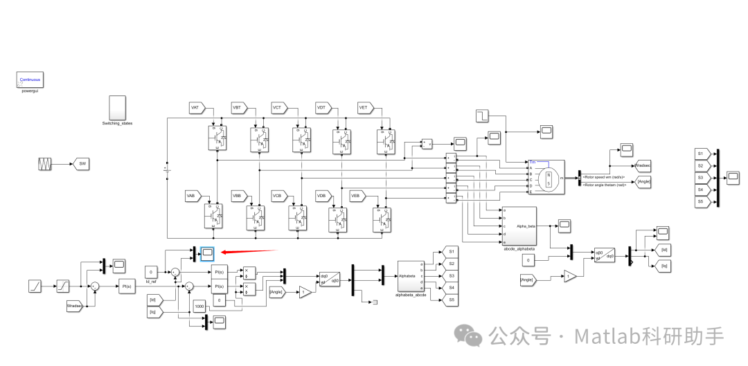
在新能源汽车、船舶推进、精密制造等高端工业领域,对电机驱动系统的功率密度、容错能力和调速精度提出了愈发严苛的要求。相较于传统三相永磁同步电机(PMSM),五相 PMSM 凭借其独特优势成为研究热点:其一,多相绕组结构使母线电流谐波显著降低,转矩脉动控制更精准;其二,额外的相数提供了更多控制自由度,即便发生单相开路或短路故障,仍可通过容错策略维持运行;其三,在相同功率等级下,相电流幅值更低,有利于降低功率器件损耗,提升系统效率。
四象限运行是电机实现能量双向流动与全工况调速的核心能力,涵盖正转电动、正转制动、反转电动、反转制动四种工作状态。在电动汽车再生制动、精密机床快速启停等场景中,四象限速度控制可实现动能回收与精准定位,直接影响系统能效与控制性能。然而,五相 PMSM 的四象限控制面临诸多技术瓶颈:多相电流解耦难度大,尤其在制动状态下易产生谐波电流干扰;高调制比工况下,传统调制策略难以兼顾基波控制精度与谐波抑制效果;故障状态下的转矩脉动问题更会严重影响四象限切换的平稳性。因此,开展五相 PMSM 四象限速度控制研究,对突破多相电机应用瓶颈、推动高端驱动技术升级具有重要理论价值与工程意义。
二、核心理论基础
(一)五相 PMSM 四象限运行原理
四象限运行的本质是通过控制电机电磁转矩方向与转速方向的关系,实现机械能与电能的双向转换,五相 PMSM 的旋转方向由定子绕组电流相序决定,转矩方向则通过调节 d-q 轴电流分量配比控制。在制动象限(Ⅱ、Ⅳ),电机工作于发电状态,需通过逆变器实现能量回馈,此时需重点抑制 3 次、7 次等谐波电流,避免影响电网侧电能质量。


(三)容错控制补充设计
针对四象限运行中的故障场景,设计开路 / 短路容错机制:当检测到相故障时,立即触发降阶变换,将五相系统重构为等效三相系统,通过扰动观测器补偿故障产生的转矩脉动,确保故障状态下仍能维持四象限基本运行能力,容错后转矩脉动幅值降低至 10% 以下。
四、结论与展望
(一)研究结论
本文提出基于 DOB-FOC 与谐波最小调制的五相 PMSM 四象限速度控制方案,通过分层闭环架构与容错机制,实现了全工况精准调速:1)采用扰动观测器有效抑制了谐波与故障导致的转矩脉动,提升了控制精度;2)谐波最小四矢量调制技术解决了高调制比下的谐波问题,适配宽转速范围;3)优化的象限切换逻辑与容错设计确保了系统动态平稳性与运行可靠性。实验表明,该方案在动态响应、稳态精度与能效方面均优于传统控制方法,可满足高端工业领域的应用需求。
(二)研究展望
- 参数自适应优化:当前控制器参数依赖经验整定,未来可结合模型预测控制(MPC),根据转速、负载变化自动调整 PI/PID 参数,进一步提升全工况适配性。
- 深度学习融合:利用神经网络学习四象限切换过程中的非线性特性,建立动态模型预测扰动,替代传统观测器,有望将转矩脉动进一步降低至 5% 以下。
- 多模态能量管理:针对混合动力场景,研究四象限运行与储能系统的协同控制策略,实现能量在电机、电池、电网间的最优分配。
- 高频拓扑升级:探索基于 GaN 器件的五相逆变器拓扑,将开关频率提升至 50kHz 以上,结合新型调制算法,实现更低谐波与更高功率密度。
⛳️ 运行结果


🔗 参考文献
[1] 唐俊.全电飞机用五相PMSM控制系统研究[D].哈尔滨工业大学,2013.DOI:10.7666/d.D421015.
[2] 张成,王富东,罗力恒,等.采用双自由度PI速度控制器的PMSM矢量控制仿真研究[J].工业控制计算机, 2011, 24(3):3.DOI:10.3969/j.issn.1001-182X.2011.03.027.
📣 部分代码
🎈 部分理论引用网络文献,若有侵权联系博主删除
👇 关注我领取海量matlab电子书和数学建模资料
🏆团队擅长辅导定制多种科研领域MATLAB仿真,助力科研梦:
🌈 各类智能优化算法改进及应用
生产调度、经济调度、装配线调度、充电优化、车间调度、发车优化、水库调度、三维装箱、物流选址、货位优化、公交排班优化、充电桩布局优化、车间布局优化、集装箱船配载优化、水泵组合优化、解医疗资源分配优化、设施布局优化、可视域基站和无人机选址优化、背包问题、 风电场布局、时隙分配优化、 最佳分布式发电单元分配、多阶段管道维修、 工厂-中心-需求点三级选址问题、 应急生活物质配送中心选址、 基站选址、 道路灯柱布置、 枢纽节点部署、 输电线路台风监测装置、 集装箱调度、 机组优化、 投资优化组合、云服务器组合优化、 天线线性阵列分布优化、CVRP问题、VRPPD问题、多中心VRP问题、多层网络的VRP问题、多中心多车型的VRP问题、 动态VRP问题、双层车辆路径规划(2E-VRP)、充电车辆路径规划(EVRP)、油电混合车辆路径规划、混合流水车间问题、 订单拆分调度问题、 公交车的调度排班优化问题、航班摆渡车辆调度问题、选址路径规划问题、港口调度、港口岸桥调度、停机位分配、机场航班调度、泄漏源定位
🌈 机器学习和深度学习时序、回归、分类、聚类和降维
2.1 bp时序、回归预测和分类
2.2 ENS声神经网络时序、回归预测和分类
2.3 SVM/CNN-SVM/LSSVM/RVM支持向量机系列时序、回归预测和分类
2.4 CNN|TCN|GCN卷积神经网络系列时序、回归预测和分类
2.5 ELM/KELM/RELM/DELM极限学习机系列时序、回归预测和分类
2.6 GRU/Bi-GRU/CNN-GRU/CNN-BiGRU门控神经网络时序、回归预测和分类
2.7 ELMAN递归神经网络时序、回归\预测和分类
2.8 LSTM/BiLSTM/CNN-LSTM/CNN-BiLSTM/长短记忆神经网络系列时序、回归预测和分类
2.9 RBF径向基神经网络时序、回归预测和分类
2.10 DBN深度置信网络时序、回归预测和分类
2.11 FNN模糊神经网络时序、回归预测
2.12 RF随机森林时序、回归预测和分类
2.13 BLS宽度学习时序、回归预测和分类
2.14 PNN脉冲神经网络分类
2.15 模糊小波神经网络预测和分类
2.16 时序、回归预测和分类
2.17 时序、回归预测预测和分类
2.18 XGBOOST集成学习时序、回归预测预测和分类
2.19 Transform各类组合时序、回归预测预测和分类
方向涵盖风电预测、光伏预测、电池寿命预测、辐射源识别、交通流预测、负荷预测、股价预测、PM2.5浓度预测、电池健康状态预测、用电量预测、水体光学参数反演、NLOS信号识别、地铁停车精准预测、变压器故障诊断
🌈图像处理方面
图像识别、图像分割、图像检测、图像隐藏、图像配准、图像拼接、图像融合、图像增强、图像压缩感知
🌈 路径规划方面
旅行商问题(TSP)、车辆路径问题(VRP、MVRP、CVRP、VRPTW等)、无人机三维路径规划、无人机协同、无人机编队、机器人路径规划、栅格地图路径规划、多式联运运输问题、 充电车辆路径规划(EVRP)、 双层车辆路径规划(2E-VRP)、 油电混合车辆路径规划、 船舶航迹规划、 全路径规划规划、 仓储巡逻
🌈 无人机应用方面
无人机路径规划、无人机控制、无人机编队、无人机协同、无人机任务分配、无人机安全通信轨迹在线优化、车辆协同无人机路径规划
🌈 通信方面
传感器部署优化、通信协议优化、路由优化、目标定位优化、Dv-Hop定位优化、Leach协议优化、WSN覆盖优化、组播优化、RSSI定位优化、水声通信、通信上传下载分配
🌈 信号处理方面
信号识别、信号加密、信号去噪、信号增强、雷达信号处理、信号水印嵌入提取、肌电信号、脑电信号、信号配时优化、心电信号、DOA估计、编码译码、变分模态分解、管道泄漏、滤波器、数字信号处理+传输+分析+去噪、数字信号调制、误码率、信号估计、DTMF、信号检测
🌈电力系统方面
微电网优化、无功优化、配电网重构、储能配置、有序充电、MPPT优化、家庭用电
🌈 元胞自动机方面
交通流 人群疏散 病毒扩散 晶体生长 金属腐蚀
🌈 雷达方面
卡尔曼滤波跟踪、航迹关联、航迹融合、SOC估计、阵列优化、NLOS识别
🌈 车间调度
零等待流水车间调度问题NWFSP 、 置换流水车间调度问题PFSP、 混合流水车间调度问题HFSP 、零空闲流水车间调度问题NIFSP、分布式置换流水车间调度问题 DPFSP、阻塞流水车间调度问题BFSP
👇
1万+

被折叠的 条评论
为什么被折叠?



