💥💥💞💞欢迎来到本博客❤️❤️💥💥
🏆博主优势:🌞🌞🌞博客内容尽量做到思维缜密,逻辑清晰,为了方便读者。
⛳️座右铭:行百里者,半于九十。
📋📋📋本文目录如下:🎁🎁🎁
目录
💥1 概述
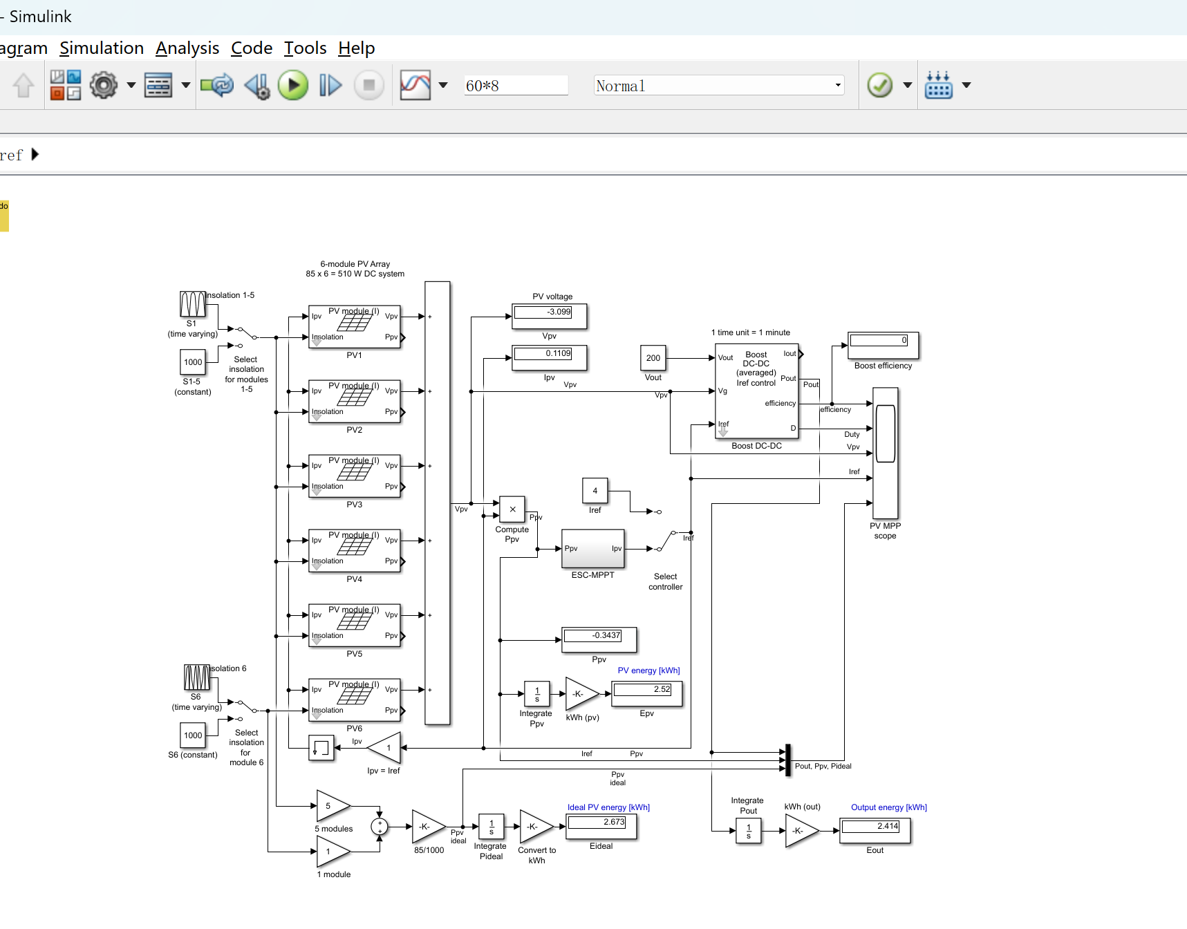
在该仿真中,我们采用了一种全新的极值寻道控制(ESC)方法来实现光伏系统的最大功率点跟踪(MPPT)。ESC算法通过求解非线性函数的最大/最小点,能够更准确地确定光伏系统的峰值功率点。
相比于传统的MPPT算法,如P&O或IC,经过精心调谐的ESC算法具有更高的效率和更好的性能。ESC算法基于对光伏系统的实时监测和分析,通过不断调整光伏阵列的工作点,使其始终处于最大功率点附近。
ESC算法的核心思想是通过迭代计算,逐步接近光伏系统的最大功率点。它利用光伏阵列的电流和电压信息,结合数学模型和优化算法,实现对光伏系统的精确控制。
在ESC算法中,我们首先需要建立光伏系统的数学模型,包括光伏电池的伏安特性曲线和光照强度的变化。然后,通过迭代计算,不断调整光伏阵列的工作点,使其在不同光照条件下都能够达到最大功率输出。
为了保证ESC算法的稳定性和可靠性,我们需要对其进行良好的调谐。通过实验和仿真,我们可以确定最佳的参数设置,以确保ESC算法在各种工况下都能够有效运行。
在本次仿真中,我们将使用ESC算法来寻找光伏系统的峰值功率点。通过与其他MPPT算法的比较,我们可以验证ESC算法的优越性,并进一步优化其性能。
总之,采用ESC算法进行光伏系统的最大功率点跟踪,具有更高的效率和更好的性能。通过不断优化和调谐,我们可以进一步提升ESC算法的稳定性和可靠性,为光伏系统的运行提供更好的保障。
📚2 运行结果


🎉3 参考文献
文章中一些内容引自网络,会注明出处或引用为参考文献,难免有未尽之处,如有不妥,请随时联系删除。
1- H. Malek; S. Dadras; Y. Chen, "Performance analysis of fractional order extremum seeking control", ISA Transactions, Vol 16, doi: 10.1016/j.isatra.2016.02.024.
2- H. Malek; Y. Chen, "Fractional Order Extremum Seeking Control; Performance and Stability Analysis", IEEE/ASME Transactions on Mechatronics, doi: 10.1109/TMECH.2016.2517621
本文探讨了ESC算法在光伏系统最大功率点跟踪中的应用,通过数学模型和实时监控,ESC相较于传统方法表现出更高的效率和性能。通过Simulink仿真实现,旨在优化算法稳定性并提升光伏系统的运行保障。

1266

被折叠的 条评论
为什么被折叠?



