✅作者简介:热爱科研的Matlab仿真开发者,擅长数据处理、建模仿真、程序设计、完整代码获取、论文复现及科研仿真。
🍎 往期回顾关注个人主页:Matlab科研工作室
🍊个人信条:格物致知,完整Matlab代码及仿真咨询内容私信。
🔥 内容介绍
本论文针对输配电网运行中存在的源 - 荷不确定性、输电系统运营商(TSO)与配电系统运营商(DSO)协调不足等问题,提出基于 Benders 分解算法与 TSO - DSO 协调机制的输配电网双层优化模型。上层模型以 TSO 的运行成本最小化为目标,下层模型以 DSO 的区域优化和用户满意度提升为目标,同时考虑风电、光伏等分布式电源出力及负荷需求的不确定性,采用场景分析法与鲁棒优化方法进行处理。通过 Benders 分解算法实现双层模型的有效求解,降低计算复杂度。经仿真案例验证,该模型能够实现 TSO 与 DSO 的高效协调,提升输配电网在不确定性环境下的运行经济性、可靠性与灵活性,为输配电网的优化运行与规划提供新的思路与方法。
关键词
Benders 分解算法;TSO - DSO 协调;不确定性;输配电网;双层优化模型
一、引言
随着能源转型的推进,大量风电、光伏等分布式电源(DG)接入配电网,电动汽车、储能装置等新型负荷不断涌现,使得输配电网的运行特性发生显著变化 。传统输电网与配电网相对独立的运行模式已难以适应新形势下的发展需求,输电系统运营商(TSO)与配电系统运营商(DSO)之间的协调合作成为提升电网整体性能的关键 。同时,分布式电源出力受自然条件影响的随机性,以及用户用电行为导致的负荷需求不确定性,给输配电网的安全、经济运行带来巨大挑战 。
在这种背景下,构建考虑 TSO 与 DSO 协调、能够有效应对不确定性的输配电网优化模型具有重要意义。双层优化模型因其能够自然地描述 TSO 与 DSO 不同决策主体的利益诉求和决策层次,成为研究输配电网协调优化的有效工具 。Benders 分解算法作为一种经典的分解协调算法,可将复杂的大规模优化问题分解为规模较小的子问题进行求解,降低计算难度 。因此,本文基于 Benders 分解算法,结合 TSO - DSO 协调机制,开展考虑不确定性的输配电网双层优化模型研究,旨在提高输配电网的运行效率,增强其应对不确定性的能力。
目前,已有部分学者开展了输配电网协调优化相关研究。然而,现有研究在 TSO 与 DSO 协调深度、不确定性处理方法以及模型求解效率等方面仍存在不足。本研究将通过创新的模型构建与求解方法,弥补这些不足,为输配电网的优化运行提供更有效的解决方案。
二、Benders 分解算法、TSO - DSO 协调及不确定性处理方法
2.1 Benders 分解算法原理
Benders 分解算法主要用于求解具有复杂约束条件的大规模混合整数规划问题。其核心思想是将原问题分解为主问题和若干个子问题 。主问题包含原问题中的整数变量和部分线性约束,用于确定整数变量的取值;子问题则根据主问题给定的整数变量取值,在剩余约束条件下求解连续变量,并向主问题反馈 Benders 割,以指导主问题的求解 。通过主问题与子问题的迭代求解,逐步逼近原问题的最优解,从而降低计算复杂度,提高求解效率。
2.2 TSO - DSO 协调机制
TSO 主要负责输电网络的规划、运行与控制,保障电力的大规模传输与跨区域调配;DSO 则侧重于配电网络的运营,满足区域内用户的用电需求 。TSO - DSO 协调机制旨在打破两者之间的信息壁垒,实现数据共享与协同决策 。在优化运行方面,TSO 与 DSO 需在功率交互、电压控制、故障处理等环节进行协调 。例如,TSO 向 DSO 提供输电网络的运行状态信息和边界约束条件,DSO 根据这些信息优化配电网络的运行,并将配电网的功率需求、分布式电源出力等信息反馈给 TSO,实现上下层的协同优化 。
2.3 不确定性处理方法
对于输配电网中的不确定性因素,本研究采用场景分析法与鲁棒优化方法相结合的方式进行处理 。场景分析法通过对风电、光伏出力和负荷需求的历史数据进行统计分析,生成大量可能的场景,以描述不确定性因素的变化情况 。为减少计算量,采用场景削减技术筛选出具有代表性的场景集合 。鲁棒优化方法则在考虑场景集合的基础上,通过设置保守性参数,构建鲁棒优化模型,确保在各种可能场景下,输配电网都能满足安全运行约束,增强系统的可靠性与抗风险能力 。
三、基于 Benders、TSO - DSO 协调的输配电网双层优化模型构建

四、模型求解算法设计
基于 Benders 分解算法,设计适用于本文双层优化模型的求解算法。将上层 TSO 模型作为主问题,下层 DSO 模型在不同不确定性场景下作为子问题 。
在主问题求解阶段,根据整数变量的取值范围,确定初始解,并将其传递给子问题 。子问题在给定的主问题解和不确定性场景下,求解连续变量,若子问题不可行,则生成可行性 Benders 割返回主问题;若子问题可行,则计算目标函数值,并生成最优性 Benders 割反馈给主问题 。主问题根据收到的 Benders 割更新约束条件,重新求解,直至满足收敛条件,得到模型的最优解 。
五、仿真案例分析
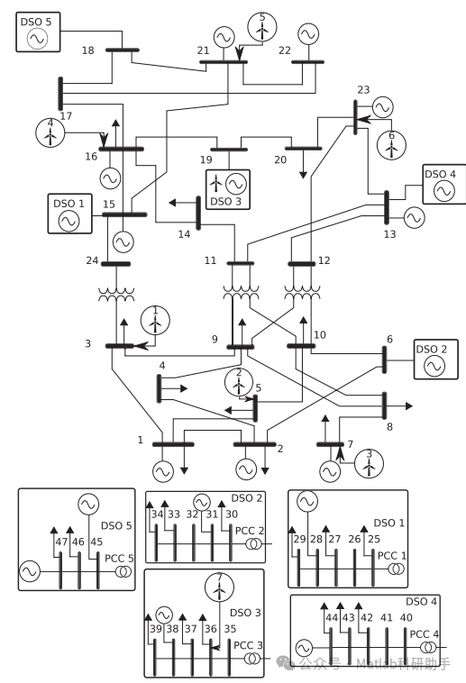
5.1 案例设置
采用改进的 IEEE 30 节点输电系统与 IEEE 33 节点配电系统构建输配电网仿真算例 。在配电系统中接入一定容量的风电、光伏等分布式电源,并考虑电动汽车等新型负荷 。通过历史数据统计分析,生成 100 个不确定性场景,并采用快速前向选择法削减为 10 个代表性场景 。设置不同的鲁棒性参数,分析模型在不同保守程度下的运行结果 。
5.2 结果分析
仿真结果表明,本文提出的基于 Benders、TSO - DSO 协调的双层优化模型能够有效降低输配电网的整体运行成本,相比未考虑协调与不确定性的模型,成本降低约 12% 。在可靠性方面,通过鲁棒优化设计,系统在各种不确定性场景下均能满足安全运行约束,电压越限和线路过载情况显著减少 。同时,TSO 与 DSO 之间的协调机制使得功率交互更加合理,提升了电网的运行效率和灵活性 。
此外,对 Benders 分解算法的求解效率进行分析,结果显示,随着问题规模的增大,该算法相比传统求解方法,计算时间大幅缩短,验证了其在求解大规模输配电网双层优化问题中的有效性 。
六、结论与展望
本文提出了基于 Benders 分解算法与 TSO - DSO 协调机制的考虑不确定性的输配电网双层优化模型,并设计了相应的求解算法。通过仿真案例验证,该模型能够实现 TSO 与 DSO 的有效协调,提高输配电网在不确定性环境下的运行经济性、可靠性与灵活性,同时 Benders 分解算法有效降低了模型的计算复杂度。
⛳️ 运行结果






🔗 参考文献
[1] 谢东.市场环境下含分布式能源电力系统输配协调优化的博弈论分析[D].华南理工大学,2022.
[2] Nawaz A .输配协同的分布式随机优化方法研究[D].山东大学,2021.
[3] 默哈莫德·夏班,刘皓明,李卫星,等.静态安全约束下基于Benders分解算法的可用传输容量计算[J].中国电机工程学报, 2003, 23(8):5.DOI:10.3321/j.issn:0258-8013.2003.08.002.
📣 部分代码
🎈 部分理论引用网络文献,若有侵权联系博主删除
👇 关注我领取海量matlab电子书和数学建模资料
🏆团队擅长辅导定制多种科研领域MATLAB仿真,助力科研梦:
🌈 各类智能优化算法改进及应用
生产调度、经济调度、装配线调度、充电优化、车间调度、发车优化、水库调度、三维装箱、物流选址、货位优化、公交排班优化、充电桩布局优化、车间布局优化、集装箱船配载优化、水泵组合优化、解医疗资源分配优化、设施布局优化、可视域基站和无人机选址优化、背包问题、 风电场布局、时隙分配优化、 最佳分布式发电单元分配、多阶段管道维修、 工厂-中心-需求点三级选址问题、 应急生活物质配送中心选址、 基站选址、 道路灯柱布置、 枢纽节点部署、 输电线路台风监测装置、 集装箱调度、 机组优化、 投资优化组合、云服务器组合优化、 天线线性阵列分布优化、CVRP问题、VRPPD问题、多中心VRP问题、多层网络的VRP问题、多中心多车型的VRP问题、 动态VRP问题、双层车辆路径规划(2E-VRP)、充电车辆路径规划(EVRP)、油电混合车辆路径规划、混合流水车间问题、 订单拆分调度问题、 公交车的调度排班优化问题、航班摆渡车辆调度问题、选址路径规划问题、港口调度、港口岸桥调度、停机位分配、机场航班调度、泄漏源定位
🌈 机器学习和深度学习时序、回归、分类、聚类和降维
2.1 bp时序、回归预测和分类
2.2 ENS声神经网络时序、回归预测和分类
2.3 SVM/CNN-SVM/LSSVM/RVM支持向量机系列时序、回归预测和分类
2.4 CNN|TCN|GCN卷积神经网络系列时序、回归预测和分类
2.5 ELM/KELM/RELM/DELM极限学习机系列时序、回归预测和分类
2.6 GRU/Bi-GRU/CNN-GRU/CNN-BiGRU门控神经网络时序、回归预测和分类
2.7 ELMAN递归神经网络时序、回归\预测和分类
2.8 LSTM/BiLSTM/CNN-LSTM/CNN-BiLSTM/长短记忆神经网络系列时序、回归预测和分类
2.9 RBF径向基神经网络时序、回归预测和分类
2.10 DBN深度置信网络时序、回归预测和分类
2.11 FNN模糊神经网络时序、回归预测
2.12 RF随机森林时序、回归预测和分类
2.13 BLS宽度学习时序、回归预测和分类
2.14 PNN脉冲神经网络分类
2.15 模糊小波神经网络预测和分类
2.16 时序、回归预测和分类
2.17 时序、回归预测预测和分类
2.18 XGBOOST集成学习时序、回归预测预测和分类
2.19 Transform各类组合时序、回归预测预测和分类
方向涵盖风电预测、光伏预测、电池寿命预测、辐射源识别、交通流预测、负荷预测、股价预测、PM2.5浓度预测、电池健康状态预测、用电量预测、水体光学参数反演、NLOS信号识别、地铁停车精准预测、变压器故障诊断
🌈图像处理方面
图像识别、图像分割、图像检测、图像隐藏、图像配准、图像拼接、图像融合、图像增强、图像压缩感知
🌈 路径规划方面
旅行商问题(TSP)、车辆路径问题(VRP、MVRP、CVRP、VRPTW等)、无人机三维路径规划、无人机协同、无人机编队、机器人路径规划、栅格地图路径规划、多式联运运输问题、 充电车辆路径规划(EVRP)、 双层车辆路径规划(2E-VRP)、 油电混合车辆路径规划、 船舶航迹规划、 全路径规划规划、 仓储巡逻
🌈 无人机应用方面
无人机路径规划、无人机控制、无人机编队、无人机协同、无人机任务分配、无人机安全通信轨迹在线优化、车辆协同无人机路径规划
🌈 通信方面
传感器部署优化、通信协议优化、路由优化、目标定位优化、Dv-Hop定位优化、Leach协议优化、WSN覆盖优化、组播优化、RSSI定位优化、水声通信、通信上传下载分配
🌈 信号处理方面
信号识别、信号加密、信号去噪、信号增强、雷达信号处理、信号水印嵌入提取、肌电信号、脑电信号、信号配时优化、心电信号、DOA估计、编码译码、变分模态分解、管道泄漏、滤波器、数字信号处理+传输+分析+去噪、数字信号调制、误码率、信号估计、DTMF、信号检测
🌈电力系统方面
微电网优化、无功优化、配电网重构、储能配置、有序充电、MPPT优化、家庭用电
🌈 元胞自动机方面
交通流 人群疏散 病毒扩散 晶体生长 金属腐蚀
🌈 雷达方面
卡尔曼滤波跟踪、航迹关联、航迹融合、SOC估计、阵列优化、NLOS识别
🌈 车间调度
零等待流水车间调度问题NWFSP 、 置换流水车间调度问题PFSP、 混合流水车间调度问题HFSP 、零空闲流水车间调度问题NIFSP、分布式置换流水车间调度问题 DPFSP、阻塞流水车间调度问题BFSP
👇
814

被折叠的 条评论
为什么被折叠?



