NE555P
概述
NE555P是一块通用时基电路 电路包含 24个晶体管,2 个二极管和17个电阻 组成 6部分:
- 阈值比较器
- 触发比较器
- RS 触发器
- 复位输入
- 放电
- 输出
封装外形图

封装特点
采用DIP8、SOP8封装形式。 主要特点:
- 关闭时间小于2 S
- 最大工作频率大于 500kHz。
- 定时可从微秒级至小时级(由外接电阻电容精确控制) 。
- 可工作于振荡方式或单稳态方式。
- 输出电流大,200mA (可提供或灌入)。
- 占空比可调。
- 可同TTL电路相接。
- 温度稳定性好,0.005%/C
功能框图

555端口描述(5脚 - 8脚)
555的8脚是集成电路工作电压输入端,电压为 5〜18V
以UCC表示;
从分压器上看出 上比较器6脚A1的5脚接在R1和R2之间
所以5脚的电压固定在2UCC/3上;
下比较器 A2 接在R2与R3之间,A2的同相输入端电位被固定在UCC/3上。
555管脚功能介绍:
1脚为地
2脚为触发输入端
3脚为输出端
输出的电平状态受触发器控制 而触发器受上比较器6脚和下比较器2脚的控制。
当触发器接受上比较器 A1从R脚输入的高电平时,触发器被置于复位状态
3脚输出低电平时2脚和6脚是互补的
- 2脚只对低电平起作用,高电平对它不起作用,即电压小于1UCC/3 ,
- 此时3脚输出高电平。 6脚为阈值端,只对高电平起作用,低电平对它不起作用
- 即输入 电 压大于2 Ucc/3,称高触发端, 3脚输出低电平,但有一个先决条件,
- 即 2脚电位必须大于1Ucc/3时才有效。 3脚在高电位接近电源电压 Ucc,输出电流最大可打 200mA。
应用图
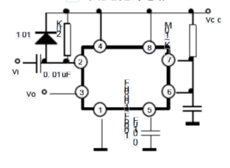
单稳态延时电路

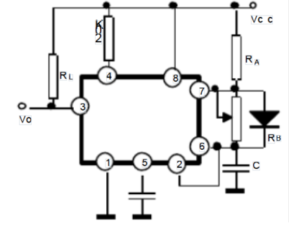
多谐振荡电路

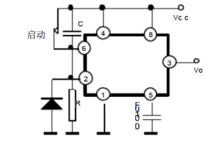
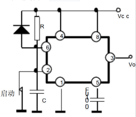
开机延时电路

开机延迟电路:

本文详细介绍了NE555P时基电路,包括其封装特点、功能框图及555管脚的功能。NE555P适用于单稳态延时、多谐振荡和开机延时等应用场景,具有关闭时间短、工作频率高等特性,并能与TTL电路兼容。
787





