基于MATLAB Simulink的P2混合动力汽车并联仿真模型
一、引言
在新能源汽车技术迅速发展的背景下,P2混合动力汽车作为一项重要的研究领域,已经吸引了大量的关注。MATLAB Simulink提供了强大的仿真平台,能够支持对P2混合动力汽车进行深入的研究和开发。本文将探讨如何基于MATLAB Simulink进行P2混合动力汽车的并联仿真模型开发,并讨论如何利用仿真模型进行策略的修改和优化。
二、整车纯Simulink开发
我们的P2混合动力汽车Simulink仿真模型是完全基于Simulink进行开发的。这允许我们在一个统一的环境中完成整个模型的构建、策略的制定和算法的优化。这种纯Simulink的开发方式,使得我们的模型具有很高的操作性和可修改性,为后续的策略开发和优化提供了极大的便利。
三、模型结构和功能
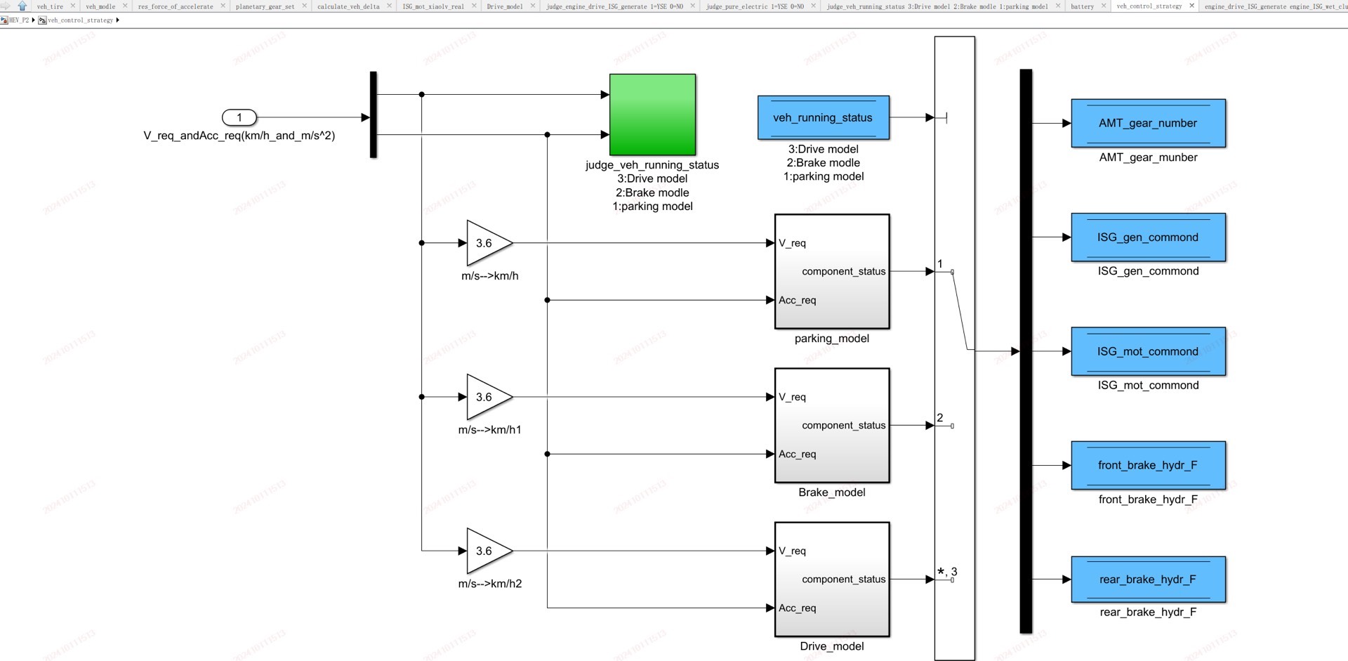
- 模型结构:我们的模型包含了工况输入模型、驾驶员模型、发动机模型、电机模型、电池模型等关键模块。这些模块共同构成了完整的P2混合动力汽车并联仿真模型。
- 整车动力学控制建模:我们的模型中包含了基于逻辑门限值控制策略的整车动力学控制建模。通过逻辑门限值控制策略,可以有效地实现发动机和电机的协调工作,优化动力的运行效率。
四、工况与仿真图像
- 已有工况:我们的模型支持多种工况的仿真,包括UDDS、NEDC等。用户可以根据需要自行添加新的工况。
- 仿真图像:我们的仿真模型可以生成包括发动机转矩变化图像、电机转矩变化图像、工作模式变化图像、档位变化图像、电池SOC变化图像、等效百公里燃油消耗量图像、速度跟随图像、车速变化图像以及最大爬坡度图像等重要图像,以便于分析和评估P2混合动力汽车的性能。
五、策略修改与优化
我们的仿真模型具有很强的策略可修改性和优化算法操作性。用户可以根据自己的需求,对逻辑门限值控制策略进行修改和优化,以实现更好的动力性能和燃油经济性。同时,由于模型的开放性和可操作性,用户还可以轻松地进行自己的策略开发,并在此基础上发表核心论文。
六、结论
本文介绍了基于MATLAB Simulink的P2混合动力汽车并联仿真模型的开与发展。该模型具有全干货的整车动力学控制建模,支持多种工况的仿真,可以生成丰富的仿真图像,具有强大的策略可修改性和优化算法操作性。我们的模型是研究生学术研究学习的必备工具,能够帮助研究生快速上手,理解透彻并开发自己的策略。同时,由于模型的可复制性,使得该模型在学术研究和开发中具有广泛的应用前景。
基于matlab/simulink并联p2混合动力汽车simulink仿真模型(整车纯simulink开发,策略可修改优化算法操作性强,毕业利器)
整车动力学控制建模(全是干货)
基于逻辑门限值控制策略
——研究生学术研究学习必备,能够让你快速上手,理解透可快速上手自己开发策略,发表核心小论文轻轻松松
——虚拟技术研究类模型,由于模型可复制性,概不退换
①(工况可自行添加)已有UDDS、NEDC等多种工况;
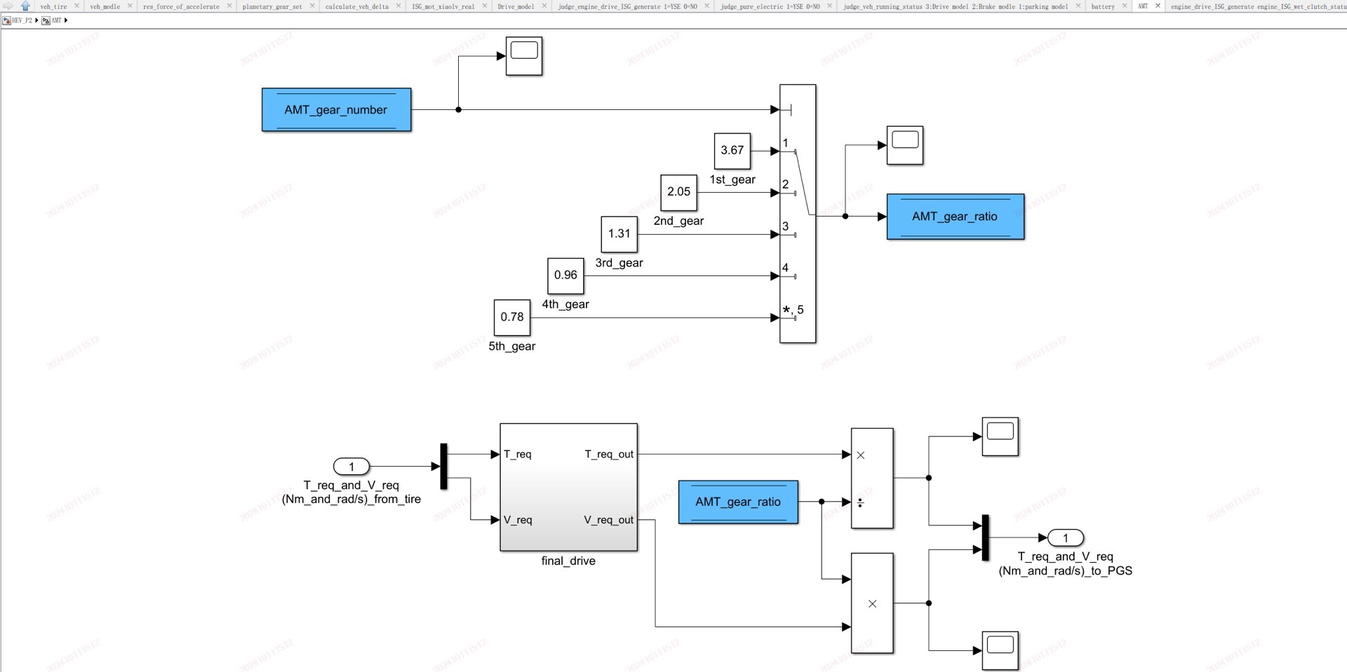
②仿真图像包括 发动机转矩变化图像、电机转矩变化图像、工作模式变化图像、档位变化图像、电池SOC变化图像、等效百公里燃油消耗量图像、速度跟随图像、车速变化图像、最大爬坡度图像;
③整车similink模型中包含工况输入模型、驾驶员模型、发动机模型、电机模型、制动能量回收模型、转矩分配模型、运行模式切换模型、档位切换模型纵向动力学模型;



552

被折叠的 条评论
为什么被折叠?



