注:本文为 “电压与电流超前滞后” 相关合辑。
图片清晰度受引文原图所限。
略作重排,未整理去重。
如有内容异常,请看原文。
通俗易懂的电压超前滞后现象
沧月九流于 2019-01-23 09:50:57 发布
本文深入探讨了 RC 串联电路中电流与电压的相位关系。通过分析电阻和电容的特性,阐述了输出电压取自不同元件时,其与输入电压的相位差异:当输出电压取自电阻时,输出电压超前输入电压;当输出电压取自电容时,输出电压滞后输入电压。
对于 RC 串联电路,纯电阻元件不存在相位超前或滞后现象;而电容元件的电压具有不能瞬变的特性,其电压由电荷移动累积形成,即电流先流经电容,随后电容两端才产生电压。因此,在电容元件中,电流相位超前电压相位,这一特性使得后续分析的两种 RC 串联电路均存在电流超前电压的现象。

在实际分析中,通常关注的并非电路中电流与输入电压的相位关系(即是否存在超前滞后),而是输入电压与输出电压的相位关系,该关系取决于输出电压的取值位置。
一、输出电压取自 RC 串联电路中的电阻
电路结构如下图所示:

对于纯电阻元件,流经其的电流与两端电压相位完全一致,因此输出电压(即电阻两端电压)与电路中的输入电流相位相同。结合 RC 串联电路中“电流超前输入电压”的特性,可推出:输出电压超前输入电压。
二、输出电压取自 RC 串联电路中的电容
电路结构如下图所示:

对于电容元件,流经其的电流相位超前两端电压相位,且电容电压的累积需要一定时间。结合 RC 串联电路的整体特性,可推出:输出电压(即电容两端电压)滞后输入电压。
相位角的超前与滞后
gtkknd 转载于 2018-12-04 14:20:20 发布
一、参考正弦量与初相的关系

在分析同频率正弦量时,一旦选定某一正弦量作为参考正弦量,其他同频率正弦量的初相便会相应确定。以图 6.4 为例,该图以电压 u u u 为参考正弦量的波形图:
-
参考正弦量的设定:将电压 u u u 通过最大值的瞬间作为时间坐标原点( t = 0 t = 0 t=0),此时电压 u u u 的初相 ψ u = 0 \psi_u = 0 ψu=0,其瞬时表达式可记为:
u = U m cos ( ω t ) u = U_m \cos(\omega t) u=Umcos(ωt)
初相为零的正弦量被定义为参考正弦量。 -
电流的初相与波形偏移:图中电流 i i i 的瞬时表达式为 i = I m cos ( ω t − ψ ) i = I_m \cos(\omega t - \psi) i=Imcos(ωt−ψ),其初相为 − ψ -\psi −ψ。由于初相为负值,电流 i i i 的波形图相较于参考正弦量 u u u 的波形图沿时间轴(横轴)向右偏移,偏移角度为 ψ \psi ψ,即电流 i i i 滞后于电压 u u u ψ \psi ψ 角。
二、基于示波器波形的正弦电压瞬时表达式求解

示波器显示三个工频正弦电压的波形(图题 6.1),已知纵坐标每格表示 5 V,需推导各电压的瞬时表达式,步骤如下:
- 确定各电压的幅值:设 u 1 u_1 u1、 u 2 u_2 u2、 u 3 u_3 u3 分别表示波形中振幅最大、中等、最小的电压。根据纵坐标刻度(每格 5 V),可得其幅值分别为:
- U 1 m = 15 V U_{1m} = 15 \, \text{V} U1m=15V
- U 2 m = 10 V U_{2m} = 10 \, \text{V} U2m=10V
- U 3 m = 5 V U_{3m} = 5 \, \text{V} U3m=5V
-
选定参考正弦量:取 u 1 u_1 u1 为参考正弦量,其初相 ψ 1 = 0 \psi_1 = 0 ψ1=0,工频正弦量的角频率 ω = 2 π f = 100 π rad/s \omega = 2\pi f = 100\pi \, \text{rad/s} ω=2πf=100πrad/s( f = 50 Hz f = 50 \, \text{Hz} f=50Hz),因此 u 1 u_1 u1 的瞬时表达式为:
u 1 = 15 cos ( ω t ) V u_1 = 15 \cos(\omega t) \, \text{V} u1=15cos(ωt)V -
确定各电压的初相:通过波形对比分析相位关系:
-
u
2
u_2
u2 的波形相较于
u
1
u_1
u1 先到达最大值,即
u
2
u_2
u2 超前
u
1
u_1
u1
6
0
∘
60^\circ
60∘,故
u
2
u_2
u2 的初相
ψ
2
=
+
6
0
∘
\psi_2 = +60^\circ
ψ2=+60∘,瞬时表达式为:
u 2 = 10 cos ( ω t + 6 0 ∘ ) V u_2 = 10 \cos(\omega t + 60^\circ) \, \text{V} u2=10cos(ωt+60∘)V -
u
3
u_3
u3 的波形相较于
u
1
u_1
u1 后到达最大值,即
u
3
u_3
u3 滞后
u
1
u_1
u1
3
0
∘
30^\circ
30∘,故
u
3
u_3
u3 的初相
ψ
3
=
−
3
0
∘
\psi_3 = -30^\circ
ψ3=−30∘(注意:
u
3
u_3
u3 初始相角为
−
3
0
∘
-30^\circ
−30∘),瞬时表达式为:
u 3 = 5 cos ( ω t − 3 0 ∘ ) V u_3 = 5 \cos(\omega t - 30^\circ) \, \text{V} u3=5cos(ωt−30∘)V
三、相量的基本概念与旋转相量特性

相量是分析正弦稳态电路的重要工具,其核心特性与表示方法如下:
-
相量与正弦量的关系:
相量是复值常量,仅用于代表正弦量,而非等于正弦量。对于正弦量 f ( t ) = F m cos ( ω t + ψ ) f(t) = F_m \cos(\omega t + \psi) f(t)=Fmcos(ωt+ψ),其对应的相量(振幅相量)为 F ˙ m = F m ∠ ψ \dot{F}_m = F_m \angle \psi F˙m=Fm∠ψ,相量的模等于正弦量的幅值,辐角等于正弦量的初相。 -
相量图的表示:
在复平面上,相量以“有向线段”形式呈现(图 6.7),线段的长度对应相量的模(正弦量的幅值或有效值),线段与实轴的夹角对应相量的辐角(正弦量的初相),这种图形称为相量图。 -
旋转相量的物理意义:
若将复数 A e j ( ω t + ψ ) A e^{j(\omega t + \psi)} Aej(ωt+ψ) 表示为复平面上的有向线段,其辐角 ω t + ψ \omega t + \psi ωt+ψ 随时间 t t t 均匀递增,因此该有向线段会以原点为圆心、以角速度 ω \omega ω 沿逆时针方向旋转,称为旋转相量(图 6.8)。
旋转相量在任意时刻于实轴上的投影值,恰好等于对应正弦量在同一时刻的瞬时值,即:
Re [ A e j ( ω t + ψ ) ] = A cos ( ω t + ψ ) \text{Re}[A e^{j(\omega t + \psi)}] = A \cos(\omega t + \psi) Re[Aej(ωt+ψ)]=Acos(ωt+ψ)
其中 e j ω t e^{j\omega t} ejωt 称为旋转因子,其作用是使初始相量 A e j ψ A e^{j\psi} Aejψ 随时间旋转。
四、电容元件的正弦稳态特性(时域与频域分析)

电容元件在正弦稳态电路中的电压、电流关系需从时域和频域(相量域)分别分析,具体结论如下:
-
时域关系:
根据电容元件的电流与电压的微分关系 i = C d u d t i = C \frac{du}{dt} i=Cdtdu,若设电容电压为 u = U m cos ( ω t + ψ u ) u = U_m \cos(\omega t + \psi_u) u=Umcos(ωt+ψu),对其求导可得电流:
i = ω C U m cos ( ω t + ψ u + 9 0 ∘ ) i = \omega C U_m \cos\left(\omega t + \psi_u + 90^\circ\right) i=ωCUmcos(ωt+ψu+90∘)
可见时域中,电容电流的相位超前电压 9 0 ∘ 90^\circ 90∘。 -
频域关系(相量形式):
对时域关系取相量变换,电压相量 U ˙ = U ∠ ψ u \dot{U} = U \angle \psi_u U˙=U∠ψu(有效值相量),电流相量 I ˙ = I ∠ ψ i \dot{I} = I \angle \psi_i I˙=I∠ψi,代入微分关系可得:
I ˙ = j ω C U ˙ 或 U ˙ = 1 j ω C I ˙ = − j 1 ω C I ˙ \dot{I} = j\omega C \dot{U} \quad \text{或} \quad \dot{U} = \frac{1}{j\omega C} \dot{I} = -j \frac{1}{\omega C} \dot{I} I˙=jωCU˙或U˙=jωC1I˙=−jωC1I˙
定义 容抗 X C = − 1 ω C X_C = -\frac{1}{\omega C} XC=−ωC1(虚数,负号表示电压滞后电流),其绝对值 ∣ X C ∣ = 1 ω C |X_C| = \frac{1}{\omega C} ∣XC∣=ωC1。 -
核心结论:
- 电压与电流的有效值(或幅值)之比等于容抗的绝对值: U = ∣ X C ∣ I U = |X_C| I U=∣XC∣I(或 U m = ∣ X C ∣ I m U_m = |X_C| I_m Um=∣XC∣Im);
- 相位关系:电压相位滞后电流相位 9 0 ∘ 90^\circ 90∘,即 ψ u = ψ i − 9 0 ∘ \psi_u = \psi_i - 90^\circ ψu=ψi−90∘;
- 相量模型:电容元件在频域中的相量电路模型可表示为“容抗 X C X_C XC”,其电压、电流相量图与波形图如图 6.11 所示(图中清晰体现电压滞后电流 9 0 ∘ 90^\circ 90∘ 的关系)。
电压与电流的超前与滞后讲解
CHANBAEK•作者:硬件工程师技术干货•2023-03-09 10:47
超前与滞后均为相对概念,例如“电压超前电流”与“电流滞后电压”表述的是同一物理现象。若不存在对比基准,则不存在超前或滞后的定义。
1、RC 串联电路中电流超前电压
根据电容的基本特性,其两端电压无法发生突变,电容两端的电压需通过电荷的逐渐积累而产生。从物理过程来看,电流的形成先于电压的建立,因此在 RC 串联电路中,电流超前于电压,换言之,电压滞后于电流。
下图所示为采用交流供电的 RC 串联电路,可通过示波器分别测量流过电容的电流与电容两端的电压。

电容电流及其两端电压的波形如下图所示,其中绿色波形代表流过电容的电流波形,红色波形代表电容两端的电压波形。示波器的横轴为时间轴,由图可知,绿色波形的波峰先出现,红色波形的波峰后出现,即电流超前电压,二者的相位差恒为
9
0
∘
90^\circ
90∘。
若调节电阻
R
1
R1
R1 的阻值,仅会改变两个波形的幅值,而电流与电压之间的相位差始终保持
9
0
∘
90^\circ
90∘ 不变。

2、RL 串联电路中电压超前电流
根据电感的基本特性,其流过的电流无法发生突变。在电流变化的过程中,电感两端会先产生感应电压以阻碍电流的变化,因此在 RL 串联电路中,电压超前于电流。
通过仿真测试可验证该特性,下图所示为采用交流供电的 RL 串联电路,可通过示波器分别测量流过电感的电流与电感两端的电压。

电感电流及其两端电压的波形如下图所示,其中绿色波形代表流过电感的电流波形,红色波形代表电感两端的电压波形。示波器的横轴为时间轴,由图可知,红色波形的波谷先出现,绿色波形的波谷后出现,二者的相位差恒为
9
0
∘
90^\circ
90∘。
若调节电阻
R
2
R2
R2 的阻值,仅会改变两个波形的幅值,而电流与电压之间的相位差始终保持
9
0
∘
90^\circ
90∘ 不变。

3、RLC 串联电路
3.1 非谐振状态
在 RLC 串联电路的非谐振状态下,电路的性质由电感与电容的阻抗相对大小决定:
- 当电路呈感性(即感抗 X L X_L XL 大于容抗 X C X_C XC,电感起主导作用)时,电压超前于电流;
- 当电路呈容性(即容抗 X C X_C XC 大于感抗 X L X_L XL,电容起主导作用)时,电流超前于电压。

3.2 谐振状态
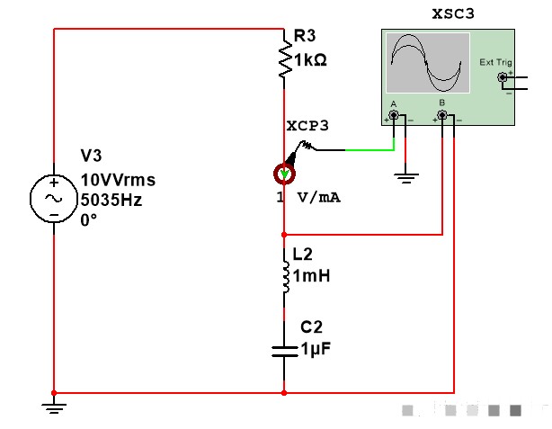
在 RLC 串联电路中,当满足谐振条件(即感抗 X L X_L XL 等于容抗 X C X_C XC)时,电路呈纯电阻特性,此时容抗与感抗的作用相互抵消,总阻抗仅由电阻决定,理论上电感 L 2 L2 L2 与电容 C 2 C2 C2 两端的电压为 0。但在实际电路中,由于元件存在损耗等非理想因素,无法实现电压完全为 0。
下图所示为 RLC 串联电路的谐振仿真结果,由图可知,电路接近理想谐振状态,电感 L 2 L2 L2 与电容 C 2 C2 C2 两端的电压幅值极小,但电路仍略微呈感性(红色波形为电压,绿色波形为电流),且电压与电流之间的相位差仍保持 9 0 ∘ 90^\circ 90∘。

动图秒懂-电压与电流的超前滞后关系
北鸮
由于函数 sin ( ω t ) \sin(\omega t) sin(ωt) 在求导或积分后会转化为 sin ( ω t ± 9 0 ∘ ) \sin(\omega t\pm90^\circ) sin(ωt±90∘),因此对于接入正弦波信号的电感、电容元件,以 ω t \omega t ωt 为横坐标时,可观察到电压与电流的波形存在超前滞后现象。该现象通过静态函数图难以直观理解,借助动画演示则更为清晰。
由于函数 sin ( ω t ) \sin(\omega t) sin(ωt) 在求导或积分后会转化为 sin ( ω t ± 9 0 ∘ ) \sin(\omega t\pm90^\circ) sin(ωt±90∘),因此对于接入正弦波信号的电感、电容元件,以 ω t \omega t ωt 为横坐标时,可观察到电压与电流的波形存在超前滞后现象。该现象通过静态函数图难以直观理解,借助动画演示则更为清晰。
1. 电感元件的电压与电流相位关系
下图为电感元件的电压-电流波形动画,其中红色曲线表示电压,蓝色曲线表示电流。若接入理想直流电压表与直流电流表,可观察到:电压的变化超前于电流,电流的变化滞后于电压。随着时间增加,纵坐标轴及时间原点会随波形同步向左移动。

若将波形绘制于相量图右侧,可得到下图所示动画。需注意,此图横坐标右侧为过去时刻的波形,对应 − ω t -\omega t −ωt 方向。尽管波形方向反转,但电压变化仍超前于电流,电流变化仍滞后于电压。动画中时间原点随波形同步向右移动,且函数图的纵坐标轴与横坐标交点不固定,交点对应的时间持续增加,若忽略这一特性,易导致超前滞后关系的判断错误。

2. 电容元件的电压与电流相位关系
理解电压与电流的超前滞后关系,最直观的工具是相量图;通过测量数据或静态波形观察,不仅直观性差,还易产生误差。下图为电容元件的电压-电流波形动画,其中电压的变化滞后于电流,电流的变化超前于电压,且坐标系右侧为未来时刻,左侧为过去时刻。

当横坐标为 − ω t -\omega t −ωt 时(坐标系左侧为未来时刻,右侧为过去时刻),电容元件的电压变化仍滞后于电流,电流变化仍超前于电压,相位关系不随横坐标方向改变而变化。

3. 电阻元件的电压与电流相位关系
下图为电阻元件的电压-电流波形动画,电阻元件的电压函数与电流函数相位完全一致,无超前或滞后现象。

4. RLC 串联电路的电压与电流相位关系
下图为电阻、电感、电容串联电路的演示动画,未绘制相量图与波形图,仅通过仪表指针变化反映相位关系:当电路中电流相位相同时,电感电压与电容电压的相位相反(反相)。
动画中未绘制总电压波形,原因是总电压与总电流的相位关系具有不确定性:总电压可能超前总电流,可能滞后总电流,也可能与总电流同相;当总电压与总电流同相时,电路处于谐振状态。

5. 电压电流参考方向与能量变化的直观演示
下图为另一类演示动画,元件右侧标注了电压与电流的参考方向。动画中通过不同颜色反映电压大小关系(蓝色 > 黄色 > 红色),通过箭头粗细与方向反映电流大小与方向;同时演示了电感、电容的能量变化过程:电流最大时,电感的磁场能最大、电容的电场能最小。


需说明的是,若仅用于解释“超前滞后”概念,上述仪表指针动画的直观性更优。
编辑于 2021-02-19 10:57
电感上的电压为什么超前电流 90 度?
1、基于电磁感应与数学推导
当电感通入变化的电流时,会产生变化的磁通,变化的磁通形成的磁链随时间变化,进而产生感应电动势。根据法拉第电磁感应定律,感应电动势与磁链的变化率成正比,即 e = − d Ψ d t e = -\frac{d\Psi}{dt} e=−dtdΨ。若磁链 Ψ = Ψ m sin ( ω t ) \Psi = \Psi_m \sin(\omega t) Ψ=Ψmsin(ωt),则感应电动势 e = − Ψ m ω cos ( ω t ) = Ψ m ω sin ( ω t − 9 0 ∘ ) e = -\Psi_m \omega \cos(\omega t) = \Psi_m \omega \sin(\omega t - 90^\circ) e=−Ψmωcos(ωt)=Ψmωsin(ωt−90∘),因此感应电动势的相位滞后于磁链 9 0 ∘ 90^\circ 90∘。
在线性电感中,磁链 Ψ \Psi Ψ 与电流 i i i 成正比( Ψ = L ⋅ i \Psi = L \cdot i Ψ=L⋅i,其中 L L L 为电感量),因此磁链与电流的相位完全一致。结合上述推导,可得出感应电动势的相位滞后于电流 9 0 ∘ 90^\circ 90∘。
在交流电路分析中,电感两端电压 u u u 的参考方向定义为“电压降”方向,而感应电动势 e e e 的参考方向为“阻碍电流变化”的方向(与电流变化趋势相反),因此电感两端电压与感应电动势符号相反,即 u = − e u = -e u=−e。若感应电动势相位滞后电流 9 0 ∘ 90^\circ 90∘,则电感电压相位超前电流 9 0 ∘ 90^\circ 90∘。
从电压与电流的核心关系进一步推导:电感两端电压的计算公式为
u
=
L
⋅
d
i
d
t
u = L \cdot \frac{di}{dt}
u=L⋅dtdi。若电流为正弦交流电,设
i
=
I
m
⋅
sin
(
ω
t
)
i = I_m \cdot \sin(\omega t)
i=Im⋅sin(ωt)(其中
I
m
I_m
Im 为电流最大值,
ω
\omega
ω 为角频率,
t
t
t 为时间),则电压推导过程如下:
u
=
L
⋅
d
d
t
[
I
m
⋅
sin
(
ω
t
)
]
=
L
⋅
I
m
⋅
ω
⋅
cos
(
ω
t
)
=
L
⋅
I
m
⋅
ω
⋅
sin
(
ω
t
+
9
0
∘
)
=
U
m
⋅
sin
(
ω
t
+
9
0
∘
)
\begin{align*} u &= L \cdot \frac{d}{dt}\left[I_m \cdot \sin(\omega t)\right] \\ &= L \cdot I_m \cdot \omega \cdot \cos(\omega t) \\ &= L \cdot I_m \cdot \omega \cdot \sin(\omega t + 90^\circ) \\ &= U_m \cdot \sin(\omega t + 90^\circ) \end{align*}
u=L⋅dtd[Im⋅sin(ωt)]=L⋅Im⋅ω⋅cos(ωt)=L⋅Im⋅ω⋅sin(ωt+90∘)=Um⋅sin(ωt+90∘)
其中
U
m
=
L
⋅
I
m
⋅
ω
U_m = L \cdot I_m \cdot \omega
Um=L⋅Im⋅ω 为电压最大值。对比电流
i
=
I
m
⋅
sin
(
ω
t
)
i = I_m \cdot \sin(\omega t)
i=Im⋅sin(ωt) 与电压
u
=
U
m
⋅
sin
(
ω
t
+
9
0
∘
)
u = U_m \cdot \sin(\omega t + 90^\circ)
u=Um⋅sin(ωt+90∘) 的表达式,可直接得出电感电压相位超前电流
9
0
∘
90^\circ
90∘。
2、基于正弦函数导数特性与波形分析
电感电压与电流的核心关系为 u = L ⋅ d i d t u = L \cdot \frac{di}{dt} u=L⋅dtdi,即电压与电流的“变化率”成正比,而非与电流大小本身成正比。结合正弦电流的波形特性,可通过关键时间点的状态直观验证相位关系:
- 当 t = 0 t = 0 t=0 时:电流 i = I m ⋅ sin ( 0 ) = 0 i = I_m \cdot \sin(0) = 0 i=Im⋅sin(0)=0,但电流变化率 d i d t = I m ⋅ ω ⋅ cos ( 0 ) = I m ⋅ ω \frac{di}{dt} = I_m \cdot \omega \cdot \cos(0) = I_m \cdot \omega dtdi=Im⋅ω⋅cos(0)=Im⋅ω(最大值),因此电压 u = L ⋅ d i d t u = L \cdot \frac{di}{dt} u=L⋅dtdi 也达到最大值;
- 当 t = π 2 ω t = \frac{\pi}{2\omega} t=2ωπ 时:电流 i = I m ⋅ sin ( ω ⋅ π 2 ω ) = I m i = I_m \cdot \sin\left(\omega \cdot \frac{\pi}{2\omega}\right) = I_m i=Im⋅sin(ω⋅2ωπ)=Im(最大值),但电流变化率 d i d t = I m ⋅ ω ⋅ cos ( ω ⋅ π 2 ω ) = 0 \frac{di}{dt} = I_m \cdot \omega \cdot \cos\left(\omega \cdot \frac{\pi}{2\omega}\right) = 0 dtdi=Im⋅ω⋅cos(ω⋅2ωπ)=0,因此电压 u = 0 u = 0 u=0。
从数学本质看,正弦函数的导数为余弦函数,且满足 cos x = sin ( x + 9 0 ∘ ) \cos x = \sin(x + 90^\circ) cosx=sin(x+90∘),即余弦函数相位超前正弦函数 9 0 ∘ 90^\circ 90∘。由于电压是电流(正弦函数)的导数乘以常数 L L L,因此电压(余弦函数形式)与电流(正弦函数形式)的相位差为 9 0 ∘ 90^\circ 90∘,即电压超前电流 9 0 ∘ 90^\circ 90∘。
3、基于物理特性的定性解释
电感的核心物理特性是“阻碍电流的变化”(本质是电磁感应产生的感应电动势阻碍原电流变化,即楞次定律)。当外部电压作用于电感时,电压的首要作用是“建立磁场”而非“驱动电流直接变化”:
- 电压施加瞬间,磁场开始建立,同时产生感应电动势,阻碍电流的快速增大;
- 只有当磁场变化逐渐稳定后,电流才会随之变化;
- 电流的变化始终“跟随”磁场变化,而磁场变化由电压直接驱动,因此电流的变化总是滞后于电压的变化。
上述过程可定性说明“电压相位超前电流”,而相位差恰好为 9 0 ∘ 90^\circ 90∘,需通过前文的数学推导(如正弦函数求导、电磁感应定律定量分析)进行精确验证。
4、基于周期性物理量的求导相位规律
对于形如
f
(
t
)
=
A
⋅
sin
(
ω
t
+
φ
)
f(t) = A \cdot \sin(\omega t + \varphi)
f(t)=A⋅sin(ωt+φ)(或余弦形式)的周期性物理量,对其进行一次时间求导后,所得新物理量的表达式为:
d
f
(
t
)
d
t
=
A
⋅
ω
⋅
cos
(
ω
t
+
φ
)
=
A
⋅
ω
⋅
sin
(
ω
t
+
φ
+
9
0
∘
)
\frac{df(t)}{dt} = A \cdot \omega \cdot \cos(\omega t + \varphi) = A \cdot \omega \cdot \sin(\omega t + \varphi + 90^\circ)
dtdf(t)=A⋅ω⋅cos(ωt+φ)=A⋅ω⋅sin(ωt+φ+90∘)
可见,求导后物理量的相位比原物理量超前
9
0
∘
90^\circ
90∘(即
π
2
\frac{\pi}{2}
2π 弧度),这是周期性物理量的通用求导相位规律。
由于电感电压与电流满足 u = L ⋅ d i d t u = L \cdot \frac{di}{dt} u=L⋅dtdi,即电压是电流对时间的导数乘以常数 L L L(仅影响幅值,不改变相位),因此根据上述规律,电感电压的相位超前电流 9 0 ∘ 90^\circ 90∘。
5、为何相位差恰好为 90°,而非 89°或 91°?
不走寻常电子路 编辑于 2022-09-15 14:29
在电气工程领域,普遍共识是:电容元件中电流超前电压 9 0 ∘ 90^\circ 90∘,电感元件中电压超前电流 9 0 ∘ 90^\circ 90∘。下图为电感电流与电压的波形关系,电容的波形关系可类比推导。

电感与电容的特性具有“对立性”:电容电压不能瞬变,因此电压滞后于电流;电感电流不能瞬变,因此电流滞后于电压。仅定性判断“超前”或“滞后”时,理解难度较低,且该结论具有普遍性。但当涉及“相位差为何恰好为 9 0 ∘ 90^\circ 90∘”时,部分学习者会产生困惑:为何不能是 8 9 ∘ 89^\circ 89∘ 或 9 1 ∘ 91^\circ 91∘?
1. 核心公式与适用范围
首先需明确两个基础公式:
- 电感: u = L ⋅ d i d t u = L \cdot \frac{di}{dt} u=L⋅dtdi
- 电容: i = C ⋅ d u d t i = C \cdot \frac{du}{dt} i=C⋅dtdu
上述公式为线性电路的基本定律,对交流电路与直流电路均成立。二者的共同特点是包含“导数运算”(电感为电流对时间的导数,电容为电压对时间的导数),因此可通过分析其中一个公式,类比推导另一个元件的相位关系。
2. 相位分析的前提:周期性与傅里叶分解
相位概念仅适用于交流电,直流电无相位可言。交流电为周期性变化的信号,其中正弦波(或余弦波)是最基础、最易分析的周期信号。对于任意周期性非正弦信号(如方波、三角波),可通过傅里叶级数分解为“直流分量 + 一系列不同频率的正弦波分量”。以方波为例,其傅里叶分解过程如下图所示:




因此,只需分析正弦波信号下电感的相位关系,即可推广至任意周期性信号(非正弦信号的各次谐波分量均满足正弦波的相位规律)。
3. 正弦波信号下的定量推导
设电感中的电流为正弦电流,表达式为:
i
=
I
m
⋅
sin
(
ω
t
)
i = I_m \cdot \sin(\omega t)
i=Im⋅sin(ωt)
根据电感电压公式
u
=
L
⋅
d
i
d
t
u = L \cdot \frac{di}{dt}
u=L⋅dtdi,对电流求导得:
u
=
L
⋅
d
d
t
[
I
m
⋅
sin
(
ω
t
)
]
=
L
⋅
I
m
⋅
ω
⋅
cos
(
ω
t
)
u = L \cdot \frac{d}{dt}\left[I_m \cdot \sin(\omega t)\right] = L \cdot I_m \cdot \omega \cdot \cos(\omega t)
u=L⋅dtd[Im⋅sin(ωt)]=L⋅Im⋅ω⋅cos(ωt)
利用三角函数恒等变换
cos
(
ω
t
)
=
sin
(
ω
t
+
9
0
∘
)
\cos(\omega t) = \sin(\omega t + 90^\circ)
cos(ωt)=sin(ωt+90∘),代入上式得:
u
=
L
⋅
I
m
⋅
ω
⋅
sin
(
ω
t
+
9
0
∘
)
=
U
m
⋅
sin
(
ω
t
+
9
0
∘
)
u = L \cdot I_m \cdot \omega \cdot \sin(\omega t + 90^\circ) = U_m \cdot \sin(\omega t + 90^\circ)
u=L⋅Im⋅ω⋅sin(ωt+90∘)=Um⋅sin(ωt+90∘)
其中
U
m
=
L
⋅
I
m
⋅
ω
U_m = L \cdot I_m \cdot \omega
Um=L⋅Im⋅ω 为电压最大值(标量)。对比电流与电压的表达式,二者均为正弦函数,且电压的相位角比电流大
9
0
∘
90^\circ
90∘,因此电感电压超前电流
9
0
∘
90^\circ
90∘。
同理,对电容元件的公式 i = C ⋅ d u d t i = C \cdot \frac{du}{dt} i=C⋅dtdu 推导,可得出“电容电流超前电压 9 0 ∘ 90^\circ 90∘”的结论。
4. 更简洁的论证方式
直接基于电感电压公式
u
=
L
⋅
d
i
d
t
u = L \cdot \frac{di}{dt}
u=L⋅dtdi:
d
i
d
t
\frac{di}{dt}
dtdi 表示电流对时间的变化率,当电流为正弦波时,其变化率为余弦波(根据导数公式
(
sin
x
)
′
=
cos
x
(\sin x)' = \cos x
(sinx)′=cosx)。由于余弦波相位超前正弦波
9
0
∘
90^\circ
90∘,因此电压(与变化率成正比)超前电流
9
0
∘
90^\circ
90∘。
5. 基于波形特性的直观理解
无需复杂公式,仅通过正弦波的波形变化规律也可理解:
- 当电流处于波形峰值(波峰或波谷)时,电流的变化率为 0 0 0(波形在峰值处斜率为 0 0 0),因此电压为 0 0 0;
- 当电流经过横坐标(零点)时,电流的变化率最大(波形在零点处斜率最大),因此电压达到峰值。
结合上述两点,可直接绘制出电流与电压的波形:电压波形比电流波形“提前”四分之一个周期(即 9 0 ∘ 90^\circ 90∘,因正弦波周期对应 36 0 ∘ 360^\circ 360∘),因此电压超前电流 9 0 ∘ 90^\circ 90∘。

结论
电感电压与电流的相位差恰好为 9 0 ∘ 90^\circ 90∘,是由“电感的电压-电流关系(含导数运算)”与“正弦函数的导数特性”共同决定的,是数学规律与物理特性结合的必然结果,而非任意取值。多数工程问题的核心在于理解“超前滞后的定性关系”,但深入推导其定量规律(如 9 0 ∘ 90^\circ 90∘ 相位差的由来),能更本质地掌握交流电路的相位特性,也为后续学习 RLC 串联谐振、交流电路功率计算等内容奠定基础。
编辑于 2022-09-15 14:29
via:
- 通俗易懂的电压超前滞后现象_电容相位超前还是滞后 - 优快云 博客
https://blog.youkuaiyun.com/weixin_42033596/article/details/86604902 - 电压电流的超前与滞后讲解-电子发烧友网
https://www.elecfans.com/d/2027054.html - 动图秒懂 - 电压与电流的超前滞后关系 - 知乎
https://zhuanlan.zhihu.com/p/70272920 - 电感上的电压为什么超前电流 90 度? - 知乎
https://www.zhihu.com/question/268828127 - 相位角的超前与滞后_相位超前是加还是减 - 优快云 博客
https://blog.youkuaiyun.com/gtkknd/article/details/84787862
1231

被折叠的 条评论
为什么被折叠?



