分立TVS
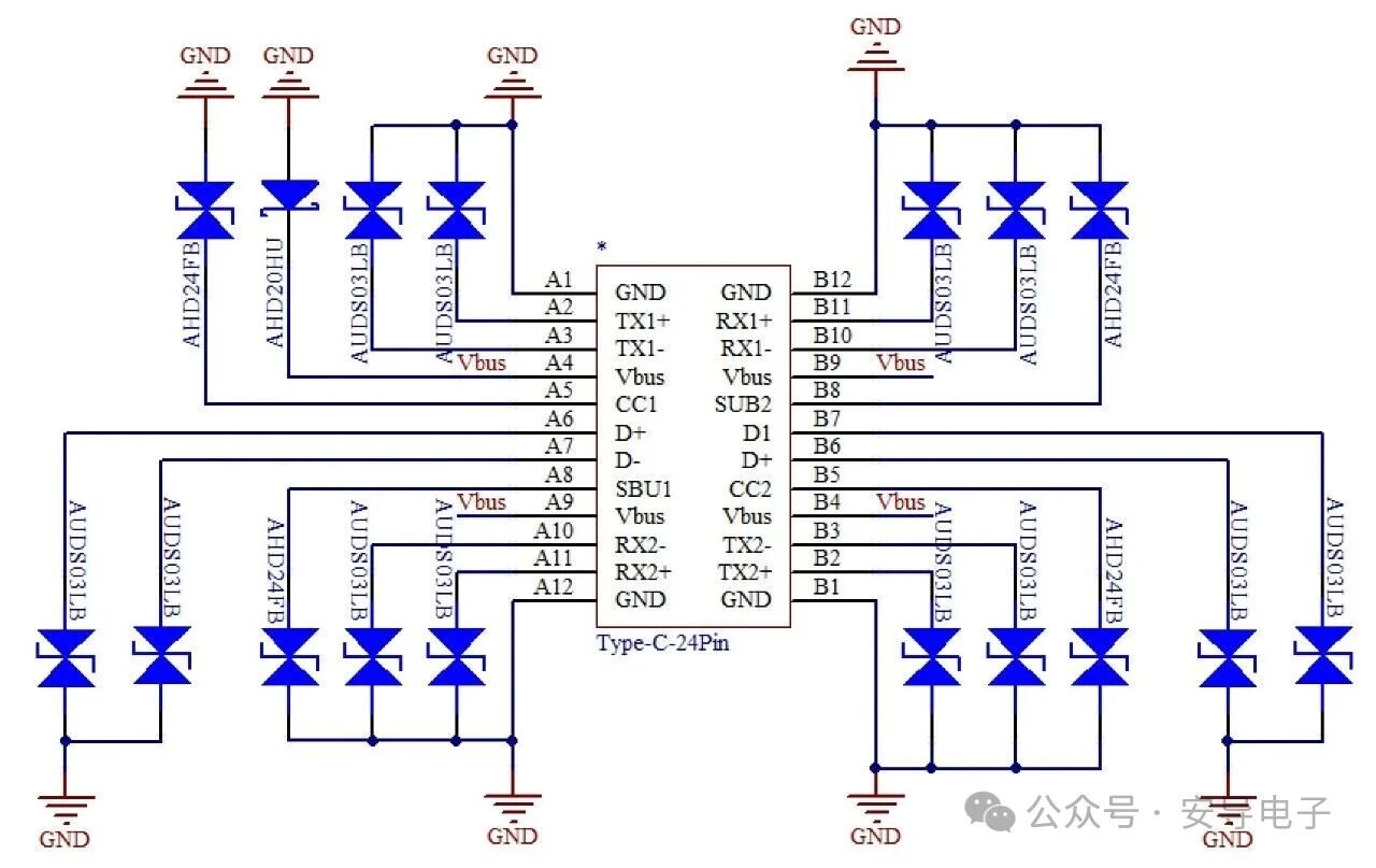
24 PIN Type_C
24 PIN Type_C 接口包含了所有USB协议的支持,主要用于PC,手机,相机等电子设备的高速数据传输、外设链接、服务器数据交换、智能物联网和智能家居、移动工作站等。


16/12 PIN Type_C
在24P全功能版本的基础上移除了TX1/2、RX1/2引脚,保留了SBU1/2、CC1/2和D+/D-引脚,除了不支持USB3.0以上高速传输外,其他没有任何的差别,同样可以支持PD快充、音视频传输等其他功能。其兼容Type_A的所有功能,在应用上16/12PIN可以替代A口,因此其应用场景同样兼容。方案如下:支持USB2.0和快充(包括QC和PD)


6PIN Type_C
专注于快充能力,仅保留Vbus、GND、CC1、CC2引脚。接口两侧同样对称分布Vbus和GND ,CC1,CC2引脚用于支持正反接入,以及快充协议的支持。


集成芯片


1430

被折叠的 条评论
为什么被折叠?



