本文参考“不想取名字的底层人”大佬《S32K3之MCU模块》https://blog.youkuaiyun.com/Abler_xaing/article/details/134221589
0、简介
相比于参考文章,本文基于S32K312 介绍 MCU 的使用,环境如下:
MCU:NXP S32k312
RTD版本:SW32K3_S32M27x_RTD_R21-11_4.0.0_D2311
EB版本:tresos Studio 29.0
***本文目前主要是记录配置,后期不断完善配置内容的含义***
1、新建工程
1.1 建立EB工程





1.2 加入MCU工程

1.3 General配置
对于不同模块的general都差不多是使能一些API,整个模块的通用配置啥的,如果没啥特殊需求就按照demo来配置就好:


如果我们需要对多核做些操作,需要使能Core Boot Address Control。

若没有先配置Resource就选择MCU,则会出现如下配置,图中是基于S32K344的配置,类似情况(如McuCgm0ClockMux0配置、CORE_CLK可以配置到大于S32K312极限120M等 )后面不再赘述。

这个模块主要是外部晶振配置,按照实际项目修改就好了。
1.4 McuClockSettingConfig
根据芯片手册第六章Clocking得知,MCU的时钟源可由FIRC、SIRC、FXOCS、SXOCS、(锁相环)PLL生成,这些时钟都可以按照手册推荐的配置。下面是这几种时钟源的配置

外部高速时钟(晶振),本工程使用16M

使能PLL
配置时应注意PLL分频后能给到CORE_CLK上,S32K312的CORE_CLK最大为120M



计算如下:

使能PHI0、PHI1,并设置分频系数
PLL_VCO = 16M/2*120 = 960M
PLL_PHI0 = 960M / 2 / ( 3 + 1) = 120M
PLL_PHI1 = 960M / 2 / ( 1 + 1) = 240M
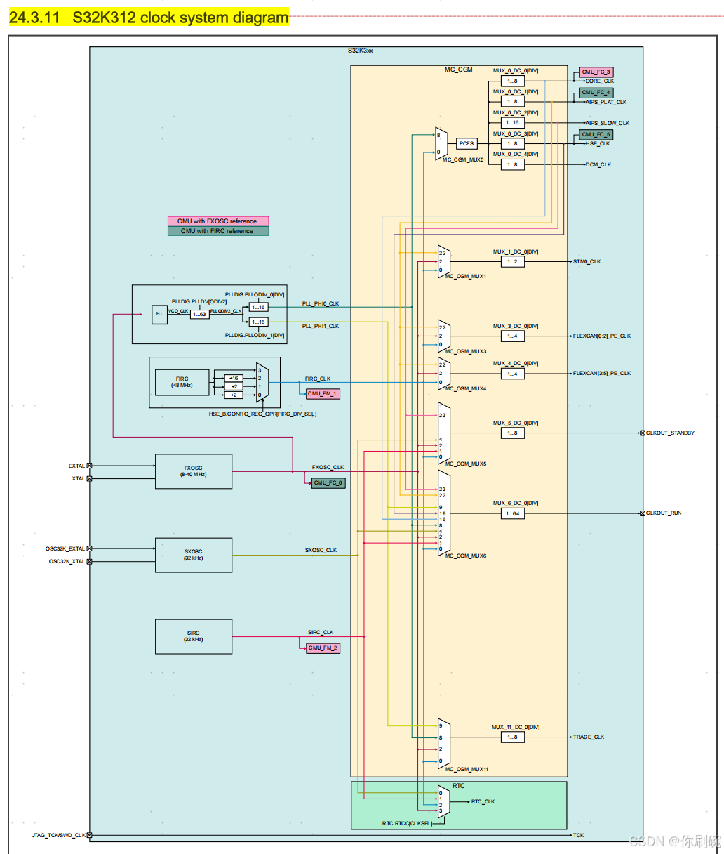
接下来关于MC_CGM mux 0 clocks的时钟树,在EB里面选择时钟来源,和选择对应的分频系数得到我们所需要的频率就好。
关于MCGCgm0CLockMux0的配置建议:
用s32ds创建MCU例程(s32k312需要RTD2.0.0版本),打开时钟图,根据已有工程进行配置,可以及时可视化。

S32K312时钟树如下:

本项目中我按照CLK最大频率配置AIPS_PLAT_CLK、AIPS_SLOW_CLK:



其中查找S32K3xx Reference Manual手册,可以看到关于s32k312的专属配置:

从McuCgm0ClockMux1 到McuCgm0ClockMux11的配置都一样,按需选择(STM、CAN、QSPI、TRACE等),我们只需要选择对于的时钟来源,设置好分频系数得到我们想要的频率就好。


配置如下:

如下配置本工程暂时用不到






时钟检测:

此时,需要开启CMU相关CallBack:

在配置完MCU模块之后,就需要将这些时钟给到其他模块使用,EB里面是在McuClockReferencePoint里面操作,类似于索引。
此处的时钟参考点是和其他模块建立连接的,可以根据具体用到哪个模块来添加对应的时钟参考点。

至此,MCU的时钟树配置基本完成。
tips:关于System clock progressive clock frequency switching (PCFS)让系统计算下频率即可。

1.5 McuModeSettingConf
S32K3模式有两种,正常模式和低功耗模式,主要看MCU休眠方案,一般MCU断电就可不考虑低功耗模式,下面介绍一种正常工作的配置,低功耗模式后续再记录
1.5.1 General

1.5.1 McuPeripheral
在此配置中可以使能外设时钟。选择需要的外设。
“这个地方很容易遗忘,前期在刚开始配置的时候可以全部外围时钟先使能,负载率会高点而已,等后期将负载率或优化的时候把不用的外围时钟再使能。本人前期再此犯过错,最后调试的时候看寄存器发现时钟没使能,挺难查的。”

2、代码
/* Initialize clock */
Mcu_Init(&Mcu_Config);
Mcu_InitClock(McuClockSettingConfig_0);
while ( MCU_PLL_LOCKED != Mcu_GetPllStatus() )
{
/* Busy wait until the System PLL is locked */
}
Mcu_DistributePllClock();
其中若使用Mcu_Init(NULL_PTR),则Mcu_GetPllStatus()会返回MCU_PLL_STATUS_UNDEFINED。
2664





