基于Benders、TSO-DSO协调的不确定性的输配电网双层优化模型研究附Matlab代码

✅作者简介:热爱科研的Matlab仿真开发者,擅长数据处理、建模仿真、程序设计、完整代码获取、论文复现及科研仿真。

🍎 往期回顾关注个人主页:Matlab科研工作室

🍊个人信条:格物致知,完整Matlab代码及仿真咨询内容私信。

🔥 内容介绍

在能源转型与电力系统市场化改革背景下,分布式电源(DG)、储能系统(ESS)及可控负荷在配电网中的渗透率持续提升,使得传统 “输配分离” 的电网运行模式面临严峻挑战。输电网运营商(TSO)与配电网运营商(DSO)的协调不足,易导致输配电网潮流越限、电压波动加剧、可再生能源消纳受阻等问题;同时,DG 出力、负荷需求的随机性进一步增加了电网优化运行的复杂度。本文以Benders 分解算法为求解核心,结合TSO-DSO 协调机制,构建考虑不确定性的输配电网双层优化模型,实现输配电网全局最优运行,为高比例可再生能源电网的安全经济运行提供理论支撑与技术方案。

一、研究背景与核心问题

(一)输配电网协同优化的必要性

传统电力系统中,输电网与配电网通过变电站母线实现 “弱耦合” 运行:TSO 负责输电网的潮流优化、电压控制及跨区域电力输送,以保障大电网安全稳定;DSO 负责配电网的供电可靠性与用户侧资源管理,运行决策相对独立。然而,随着 DG(如光伏、风电)在配电网的大规模接入,这种 “分离式” 运行模式暴露出诸多问题:

  1. 潮流双向流动引发的协调缺失:DG 出力高峰时,配电网可能向输电网倒送功率,导致输电网线路潮流越限、变电站母线电压抬升,而 TSO 与 DSO 缺乏实时协调机制,难以提前规避此类风险;
  1. 可再生能源消纳效率低:TSO 在制定输电网运行计划时,未充分考虑配电网 DG 的出力潜力,可能过度限制 DG 出力以保障输电网安全;DSO 缺乏输电网潮流约束信息,无法优化 DG 与储能的运行策略,导致 DG 弃电率较高;
  1. 运行成本居高不下:TSO 与 DSO 独立优化时,可能出现重复投资(如额外建设输配电线路)或冗余调度(如 TSO 启用备用机组,而 DSO 侧存在闲置储能),增加电网整体运行成本。

因此,建立 TSO-DSO 协调机制,实现输配电网协同优化,是解决高比例可再生能源电网运行问题的关键。

(二)不确定性带来的挑战

输配电网运行中的不确定性主要源于两方面:

  1. 可再生能源出力波动:光伏出力受光照强度、温度影响,风电出力受风速、风向影响,二者均具有随机性、间歇性特征,导致配电网向输电网的送电功率或从输电网的受电功率存在显著波动;
  1. 负荷需求变化:居民、工业、商业负荷的用电行为具有不确定性(如极端天气导致负荷骤增、用户响应策略改变用电模式),进一步加剧输配电网潮流与电压的波动。

若忽略这些不确定性,优化模型可能生成 “最优但不可行” 的运行方案(如基于预测值制定的调度计划,实际运行中因 DG 出力不足导致负荷供电中断)。因此,需将不确定性纳入输配电网优化模型,提升方案的鲁棒性与可行性。

(三)Benders 分解算法的适配性

输配电网优化模型通常为 “大规模混合整数非线性规划(MINLP)” 问题:一方面,输配电网包含大量连续变量(如节点电压、线路潮流)与离散变量(如机组启停、储能充放电状态);另一方面,TSO 与 DSO 的优化目标、约束条件存在差异,需分层协调。

Benders 分解算法通过 “主问题 - 子问题” 的迭代求解框架,可将复杂的大规模优化问题分解为易于求解的子问题:

  • 主问题:由 TSO 主导,制定输电网层面的优化决策(如机组出力、输电网线路潮流约束),并向 DSO 传递边界条件(如变电站母线的功率限值、电压参考值);
  • 子问题:由多个 DSO 并行求解,基于 TSO 提供的边界条件,优化配电网层面的资源调度(如 DG 出力、储能充放电、可控负荷调节),并向 TSO 反馈约束可行性信息(如是否存在功率越限、电压越限)。

这种分解方式不仅降低了问题的计算复杂度,还天然适配 TSO-DSO 的分层协调机制,成为求解输配电网双层优化模型的理想算法。

二、核心理论基础

(一)Benders 分解算法原理

Benders 分解算法由 Jacques F. Benders 于 1962 年提出,核心思想是将包含 “复杂变量”(如离散变量、高维连续变量)的优化问题分解为主问题(Master Problem, MP) 与子问题(Subproblem, SP),通过迭代交互实现全局最优解。

图片

图片

图片

图片

三、输配电网双层优化模型构建

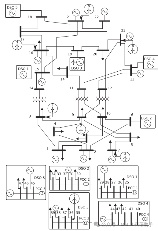
基于 Benders 分解与 TSO-DSO 协调机制,构建 “上层 TSO 输电网优化 - 下层 DSO 配电网优化” 的双层随机优化模型,模型框架如图 1 所示(注:此处为文本描述,实际应用中需绘制示意图):

  • 上层(TSO 侧):以输电网期望运行成本最小化为目标,决策火电机组出力、输电网联络线功率与变电站供电功率限值,约束输电网安全运行条件;
  • 下层(DSO 侧):以配电网期望运行成本最小化为目标,基于 TSO 的供电功率限值,决策 DG 出力、储能充放电与可控负荷调节,约束配电网安全运行条件;
  • 耦合关系:TSO 的变电站供电功率限值为 DSO 的功率约束,DSO 的功率需求反馈为 TSO 的约束修正依据。

图片

图片

图片

图片

图片

四、基于 Benders 分解的模型求解流程

结合 TSO-DSO 协调机制与不确定性场景,基于 Benders 分解的双层优化模型求解流程如下,分为 “场景预处理” 与 “迭代求解” 两阶段:

图片

图片

图片

五、研究展望

(一)模型扩展方向

  1. 多能源协同优化:将天然气网、热力网纳入模型,构建 “电 - 气 - 热” 多能互补的输配电网双层优化模型,提升综合能源系统的运行效率;
  1. 用户侧主动参与:引入需求响应聚合商(Aggregator)作为中间协调者,将用户侧分布式资源(如电动汽车、智能家居)纳入 DSO 子问题,增强配电网的灵活性;
  1. 鲁棒 - 随机混合优化:结合鲁棒优化的 “最坏场景保障” 与随机优化的 “期望成本最小”,构建混合优化模型,提升极端不确定性下的电网韧性。

(二)算法优化方向

  1. Benders 割改进:采用 “热启动” 技术(复用历史迭代的对偶变量信息)与 “自适应割筛选”(仅保留有效割),减少主问题约束数量,进一步提升迭代效率;
  1. 分布式算法融合:结合交替方向乘子法(ADMM)与 Benders 分解,实现 TSO 与 DSO 的 “无中心协调”,增强算法的隐私保护能力(避免 DSO 暴露用户负荷数据);
  1. 深度学习加速:采用神经网络拟合 Benders 割的生成规则,替代传统的对偶变量计算,缩短子问题求解时间,适配日内滚动优化的实时性需求。

(三)场景应用拓展

  1. 微电网集群协调:将多个微电网视为 “小型 DSO”,纳入双层优化模型,解决微电网与主网的协同运行问题;
  1. 跨境输配电网协调:扩展模型至跨境电力系统(如跨国输电网 + 多国配电网),考虑不同国家的电价机制与政策约束,实现跨境电力资源的最优配置;
  1. 数字孪生平台集成:将双层优化模型嵌入输配电网数字孪生平台,基于实时监测数据动态更新场景与参数,实现 “在线优化 - 实时控制 - 反馈修正” 的闭环运行。

⛳️ 运行结果

图片

图片

图片

图片

图片

图片

🔗 参考文献

[1] 王世亮.基于改进量子粒子群算法的智能电网多目标优化规划研究[D].兰州理工大学,2014.DOI:10.7666/d.Y2566762.

[2] 李琳.基于膜优化算法的直流微电网协调控制研究[D].西华大学,2023.

[3] 邱玉良.含TCSC的电网运行风险评估和优化调度模型研究[D].重庆大学,2015.

📣 部分代码

🎈 部分理论引用网络文献,若有侵权联系博主删除

 👇 关注我领取海量matlab电子书和数学建模资料 

🏆团队擅长辅导定制多种科研领域MATLAB仿真,助力科研梦:

🌈 各类智能优化算法改进及应用
生产调度、经济调度、装配线调度、充电优化、车间调度、发车优化、水库调度、三维装箱、物流选址、货位优化、公交排班优化、充电桩布局优化、车间布局优化、集装箱船配载优化、水泵组合优化、解医疗资源分配优化、设施布局优化、可视域基站和无人机选址优化、背包问题、 风电场布局、时隙分配优化、 最佳分布式发电单元分配、多阶段管道维修、 工厂-中心-需求点三级选址问题、 应急生活物质配送中心选址、 基站选址、 道路灯柱布置、 枢纽节点部署、 输电线路台风监测装置、 集装箱调度、 机组优化、 投资优化组合、云服务器组合优化、 天线线性阵列分布优化、CVRP问题、VRPPD问题、多中心VRP问题、多层网络的VRP问题、多中心多车型的VRP问题、 动态VRP问题、双层车辆路径规划(2E-VRP)、充电车辆路径规划(EVRP)、油电混合车辆路径规划、混合流水车间问题、 订单拆分调度问题、 公交车的调度排班优化问题、航班摆渡车辆调度问题、选址路径规划问题、港口调度、港口岸桥调度、停机位分配、机场航班调度、泄漏源定位
🌈 机器学习和深度学习时序、回归、分类、聚类和降维

2.1 bp时序、回归预测和分类

2.2 ENS声神经网络时序、回归预测和分类

2.3 SVM/CNN-SVM/LSSVM/RVM支持向量机系列时序、回归预测和分类

2.4 CNN|TCN|GCN卷积神经网络系列时序、回归预测和分类

2.5 ELM/KELM/RELM/DELM极限学习机系列时序、回归预测和分类
2.6 GRU/Bi-GRU/CNN-GRU/CNN-BiGRU门控神经网络时序、回归预测和分类

2.7 ELMAN递归神经网络时序、回归\预测和分类

2.8 LSTM/BiLSTM/CNN-LSTM/CNN-BiLSTM/长短记忆神经网络系列时序、回归预测和分类

2.9 RBF径向基神经网络时序、回归预测和分类

2.10 DBN深度置信网络时序、回归预测和分类
2.11 FNN模糊神经网络时序、回归预测
2.12 RF随机森林时序、回归预测和分类
2.13 BLS宽度学习时序、回归预测和分类
2.14 PNN脉冲神经网络分类
2.15 模糊小波神经网络预测和分类
2.16 时序、回归预测和分类
2.17 时序、回归预测预测和分类
2.18 XGBOOST集成学习时序、回归预测预测和分类
2.19 Transform各类组合时序、回归预测预测和分类
方向涵盖风电预测、光伏预测、电池寿命预测、辐射源识别、交通流预测、负荷预测、股价预测、PM2.5浓度预测、电池健康状态预测、用电量预测、水体光学参数反演、NLOS信号识别、地铁停车精准预测、变压器故障诊断
🌈图像处理方面
图像识别、图像分割、图像检测、图像隐藏、图像配准、图像拼接、图像融合、图像增强、图像压缩感知
🌈 路径规划方面
旅行商问题(TSP)、车辆路径问题(VRP、MVRP、CVRP、VRPTW等)、无人机三维路径规划、无人机协同、无人机编队、机器人路径规划、栅格地图路径规划、多式联运运输问题、 充电车辆路径规划(EVRP)、 双层车辆路径规划(2E-VRP)、 油电混合车辆路径规划、 船舶航迹规划、 全路径规划规划、 仓储巡逻
🌈 无人机应用方面
无人机路径规划、无人机控制、无人机编队、无人机协同、无人机任务分配、无人机安全通信轨迹在线优化、车辆协同无人机路径规划
🌈 通信方面
传感器部署优化、通信协议优化、路由优化、目标定位优化、Dv-Hop定位优化、Leach协议优化、WSN覆盖优化、组播优化、RSSI定位优化、水声通信、通信上传下载分配
🌈 信号处理方面
信号识别、信号加密、信号去噪、信号增强、雷达信号处理、信号水印嵌入提取、肌电信号、脑电信号、信号配时优化、心电信号、DOA估计、编码译码、变分模态分解、管道泄漏、滤波器、数字信号处理+传输+分析+去噪、数字信号调制、误码率、信号估计、DTMF、信号检测
🌈电力系统方面
微电网优化、无功优化、配电网重构、储能配置、有序充电、MPPT优化、家庭用电
🌈 元胞自动机方面
交通流 人群疏散 病毒扩散 晶体生长 金属腐蚀
🌈 雷达方面
卡尔曼滤波跟踪、航迹关联、航迹融合、SOC估计、阵列优化、NLOS识别
🌈 车间调度
零等待流水车间调度问题NWFSP 、 置换流水车间调度问题PFSP、 混合流水车间调度问题HFSP 、零空闲流水车间调度问题NIFSP、分布式置换流水车间调度问题 DPFSP、阻塞流水车间调度问题BFSP

👇

评论
添加红包

请填写红包祝福语或标题

红包个数最小为10个

红包金额最低5元

当前余额3.43前往充值 >
需支付:10.00
成就一亿技术人!
领取后你会自动成为博主和红包主的粉丝 规则
hope_wisdom
发出的红包
实付
使用余额支付
点击重新获取
扫码支付
钱包余额 0

抵扣说明:

1.余额是钱包充值的虚拟货币,按照1:1的比例进行支付金额的抵扣。
2.余额无法直接购买下载,可以购买VIP、付费专栏及课程。

余额充值