✅作者简介:热爱科研的Matlab仿真开发者,擅长数据处理、建模仿真、程序设计、完整代码获取、论文复现及科研仿真。
🍎 往期回顾关注个人主页:Matlab科研工作室
🍊个人信条:格物致知,完整Matlab代码及仿真咨询内容私信。
🔥 内容介绍
一、模型设计背景与核心目标
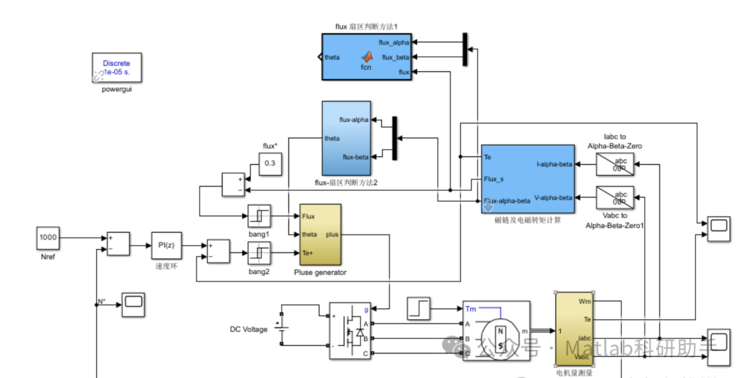
表贴式永磁同步电机(Surface-Mounted Permanent Magnet Synchronous Motor, SPMSM)因结构简单、功率密度高、运行效率优,广泛应用于新能源汽车、工业伺服、家电等领域。直接转矩控制(Direct Torque Control, DTC)作为一种高性能电机控制策略,无需复杂的坐标变换与电流闭环调节,通过直接控制电机的定子磁链与电磁转矩,实现快速的动态响应与稳定的稳态运行,尤其适用于对动态性能要求较高的场景。
本仿真模型设计的核心目标是:基于 MATLAB/Simulink 平台,构建包含 SPMSM 本体、电压源逆变器(VSI)、DTC 控制核心(磁链 / 转矩观测、滞环控制、电压矢量选择)的完整仿真模型,验证 DTC 策略在 SPMSM 启动、负载突变、转速调节等工况下的控制效果,为实际电机控制系统设计提供理论支撑与仿真依据。
二、表贴式 PMSM 数学建模(αβ 坐标系)
为适配 DTC 策略的控制逻辑(无需 dq 坐标系变换),采用两相静止坐标系(αβ 坐标系) 建立 SPMSM 数学模型,忽略磁路饱和、涡流损耗与磁滞损耗,核心方程如下:


三、DTC 控制核心原理与模块设计
DTC 控制的核心逻辑是:通过观测器实时计算定子磁链幅值与电磁转矩,与给定值比较后,通过滞环控制器输出开关信号,驱动电压源逆变器选择最优电压矢量,实现磁链与转矩的直接控制。其核心模块包括磁链 / 转矩观测器、滞环控制器、电压矢量选择器。



四、仿真模型整体结构与实现(MATLAB/Simulink)

⛳️ 运行结果



🔗 参考文献
[1] 徐艳平,钟彦儒.基于空间矢量PWM的新型直接转矩控制系统仿真[J].系统仿真学报, 2007, 19(2):5.DOI:10.3969/j.issn.1004-731X.2007.02.029.
[2] 王宝仁,张承瑞,贾磊.永磁同步电机低脉动直接转矩控制建模与仿真[J].电机与控制学报, 2007, 11(003):221-226.DOI:10.3969/j.issn.1007-449X.2007.03.003.
[3] 徐建德,马瑞卿,郭绪猛,等.永磁同步电动机直接转矩控制伺服系统分析与仿真研究[J].微电机, 2008, 41(4):45-48.DOI:10.3969/j.issn.1001-6848.2008.04.013.
📣 部分代码
🎈 部分理论引用网络文献,若有侵权联系博主删除
👇 关注我领取海量matlab电子书和数学建模资料
🏆团队擅长辅导定制多种科研领域MATLAB仿真,助力科研梦:
🌈 各类智能优化算法改进及应用
生产调度、经济调度、装配线调度、充电优化、车间调度、发车优化、水库调度、三维装箱、物流选址、货位优化、公交排班优化、充电桩布局优化、车间布局优化、集装箱船配载优化、水泵组合优化、解医疗资源分配优化、设施布局优化、可视域基站和无人机选址优化、背包问题、 风电场布局、时隙分配优化、 最佳分布式发电单元分配、多阶段管道维修、 工厂-中心-需求点三级选址问题、 应急生活物质配送中心选址、 基站选址、 道路灯柱布置、 枢纽节点部署、 输电线路台风监测装置、 集装箱调度、 机组优化、 投资优化组合、云服务器组合优化、 天线线性阵列分布优化、CVRP问题、VRPPD问题、多中心VRP问题、多层网络的VRP问题、多中心多车型的VRP问题、 动态VRP问题、双层车辆路径规划(2E-VRP)、充电车辆路径规划(EVRP)、油电混合车辆路径规划、混合流水车间问题、 订单拆分调度问题、 公交车的调度排班优化问题、航班摆渡车辆调度问题、选址路径规划问题、港口调度、港口岸桥调度、停机位分配、机场航班调度、泄漏源定位
🌈 机器学习和深度学习时序、回归、分类、聚类和降维
2.1 bp时序、回归预测和分类
2.2 ENS声神经网络时序、回归预测和分类
2.3 SVM/CNN-SVM/LSSVM/RVM支持向量机系列时序、回归预测和分类
2.4 CNN|TCN|GCN卷积神经网络系列时序、回归预测和分类
2.5 ELM/KELM/RELM/DELM极限学习机系列时序、回归预测和分类
2.6 GRU/Bi-GRU/CNN-GRU/CNN-BiGRU门控神经网络时序、回归预测和分类
2.7 ELMAN递归神经网络时序、回归\预测和分类
2.8 LSTM/BiLSTM/CNN-LSTM/CNN-BiLSTM/长短记忆神经网络系列时序、回归预测和分类
2.9 RBF径向基神经网络时序、回归预测和分类
2.10 DBN深度置信网络时序、回归预测和分类
2.11 FNN模糊神经网络时序、回归预测
2.12 RF随机森林时序、回归预测和分类
2.13 BLS宽度学习时序、回归预测和分类
2.14 PNN脉冲神经网络分类
2.15 模糊小波神经网络预测和分类
2.16 时序、回归预测和分类
2.17 时序、回归预测预测和分类
2.18 XGBOOST集成学习时序、回归预测预测和分类
2.19 Transform各类组合时序、回归预测预测和分类
方向涵盖风电预测、光伏预测、电池寿命预测、辐射源识别、交通流预测、负荷预测、股价预测、PM2.5浓度预测、电池健康状态预测、用电量预测、水体光学参数反演、NLOS信号识别、地铁停车精准预测、变压器故障诊断
🌈图像处理方面
图像识别、图像分割、图像检测、图像隐藏、图像配准、图像拼接、图像融合、图像增强、图像压缩感知
🌈 路径规划方面
旅行商问题(TSP)、车辆路径问题(VRP、MVRP、CVRP、VRPTW等)、无人机三维路径规划、无人机协同、无人机编队、机器人路径规划、栅格地图路径规划、多式联运运输问题、 充电车辆路径规划(EVRP)、 双层车辆路径规划(2E-VRP)、 油电混合车辆路径规划、 船舶航迹规划、 全路径规划规划、 仓储巡逻
🌈 无人机应用方面
无人机路径规划、无人机控制、无人机编队、无人机协同、无人机任务分配、无人机安全通信轨迹在线优化、车辆协同无人机路径规划
🌈 通信方面
传感器部署优化、通信协议优化、路由优化、目标定位优化、Dv-Hop定位优化、Leach协议优化、WSN覆盖优化、组播优化、RSSI定位优化、水声通信、通信上传下载分配
🌈 信号处理方面
信号识别、信号加密、信号去噪、信号增强、雷达信号处理、信号水印嵌入提取、肌电信号、脑电信号、信号配时优化、心电信号、DOA估计、编码译码、变分模态分解、管道泄漏、滤波器、数字信号处理+传输+分析+去噪、数字信号调制、误码率、信号估计、DTMF、信号检测
🌈电力系统方面
微电网优化、无功优化、配电网重构、储能配置、有序充电、MPPT优化、家庭用电
🌈 元胞自动机方面
交通流 人群疏散 病毒扩散 晶体生长 金属腐蚀
🌈 雷达方面
卡尔曼滤波跟踪、航迹关联、航迹融合、SOC估计、阵列优化、NLOS识别
🌈 车间调度
零等待流水车间调度问题NWFSP 、 置换流水车间调度问题PFSP、 混合流水车间调度问题HFSP 、零空闲流水车间调度问题NIFSP、分布式置换流水车间调度问题 DPFSP、阻塞流水车间调度问题BFSP
👇
4万+

被折叠的 条评论
为什么被折叠?



