✅作者简介:热爱科研的Matlab仿真开发者,擅长数据处理、建模仿真、程序设计、完整代码获取、论文复现及科研仿真。
🍎 往期回顾关注个人主页:Matlab科研工作室
🍊个人信条:格物致知,完整Matlab代码及仿真咨询内容私信。
🔥 内容介绍
在 “双碳” 目标推动下,分布式能源(光伏、风电、储能等)大规模接入电网,微电网作为整合分布式能源、提升能源利用效率的核心载体,其稳定运行成为关键。微电网运行模式灵活(可并网、可孤岛),但分布式电源多通过逆变器接入,输出特性易受负荷波动、新能源出力随机性影响,需依赖高效的控制策略维持电压与频率稳定。
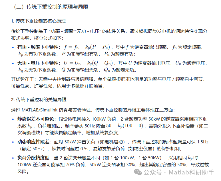
传统下垂控制(P-f、Q-U 下垂)因无需复杂通信、具备去中心化协调能力,成为微电网分布式控制的主流方法。但该方法存在显著局限:一是静态误差问题,负荷变化后频率与电压难以恢复至额定值,需额外调压调频设备补偿;二是动态响应滞后,面对冲击性负荷(如电机启动)或新能源出力突变时,频率 / 电压超调量大、恢复时间长;三是多微源协同性差,不同容量、不同类型的分布式电源(如光伏与储能)采用相同下垂系数时,易出现负荷分配不均,导致部分设备过载。
因此,研究改进下垂控制策略具有重要价值:从稳定性角度,可提升微电网应对扰动的能力,避免因电压 / 频率失稳引发的设备故障;从经济性角度,减少静态误差可降低额外补偿设备的投入与能耗,优化负荷分配能延长分布式电源使用寿命;从应用场景角度,改进策略可适配离网微电网(如偏远地区供电)、并网微电网(如工业园区微网)等多场景需求,为分布式能源大规模应用提供技术支撑。
二、微电网与传统下垂控制的核心特性及局限
(一)微电网的结构与运行特性
微电网的核心架构包含 “分布式电源层 - 控制层 - 负荷层” 三层结构:
- 分布式电源层:涵盖新能源发电(光伏阵列、风力发电机)、储能系统(锂电池、飞轮)、备用电源(柴油发电机),均通过电压源型逆变器(VSI)接入母线,是微电网的能量来源;
- 控制层:分为底层(逆变器本地控制)、中层(微源协同控制)、上层(能量管理),下垂控制主要作用于底层与中层,负责实时调节逆变器输出;
- 负荷层:包含重要负荷(如医疗设备、通信负载,需持续供电)与普通负荷(如照明、空调,可错峰用电),负荷类型(阻性、感性、冲击性)直接影响微电网稳定性。
微电网的运行特性决定了控制难度:一是波动性,光伏出力受光照、风电受风速影响,出力波动频率可达分钟级;二是非线性,电机类负荷启动时冲击电流可达额定值 3-5 倍,导致电压骤降;三是模式切换冲击,并网 / 孤岛切换瞬间,若功率平衡打破,易引发频率跳变。

三、基于改进下垂控制的核心策略
针对传统下垂控制的局限,从 “静态误差消除”“动态响应优化”“多微源协同” 三个维度设计改进策略,形成多目标优化的控制方案。


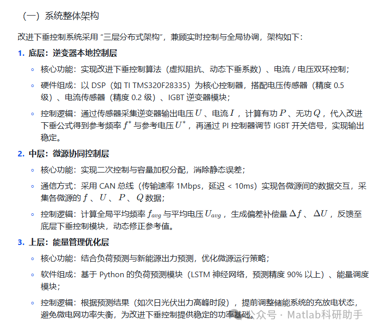
四、改进下垂控制系统的架构设计与实现


五、结论与未来展望
(一)研究结论
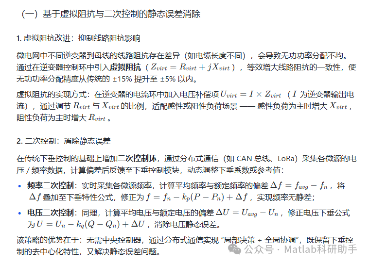
本研究针对传统下垂控制在微电网中的局限,提出 “虚拟阻抗 + 二次控制 + 动态下垂系数 + 容量加权” 的多维度改进策略,通过仿真与实验验证得出以下结论:
- 改进策略可完全消除频率与电压的静态误差,误差控制在 0.3% 以内,满足 GB/T 38946-2020《微电网接入配电网技术要求》;
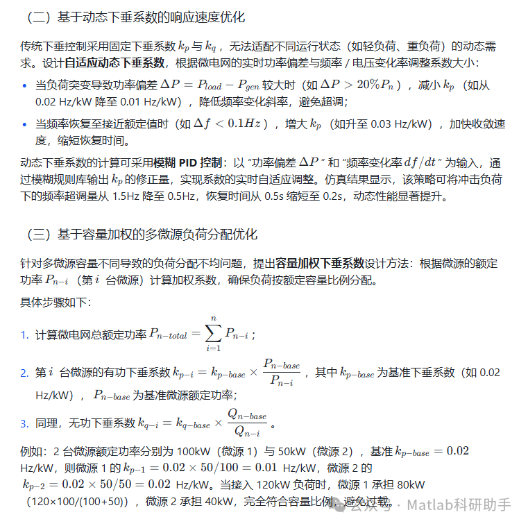
- 动态响应性能显著提升,冲击负荷下的频率超调量降低 66.7%,恢复时间缩短 60%,抗扰动能力强;
- 多微源负荷分配精度提升至 ±3% 以内,避免设备过载,延长微源使用寿命;
- 系统无需复杂通信网络,仅通过分布式 CAN 通信即可实现协同控制,可靠性高、扩展性强。
(二)未来展望
- 多能互补场景的扩展:未来可将改进策略应用于 “光伏 + 风电 + 储能 + 氢能” 的多能互补微电网,针对不同能源的特性(如风电的间歇性、氢能的长时储能)优化下垂系数动态调整规则;
- AI 与数字孪生融合:引入强化学习算法,让系统自主学习不同场景下的最优控制参数;结合数字孪生技术,构建微电网虚拟仿真模型,实现控制策略的实时迭代优化;
- 高比例新能源接入适配:当微电网中新能源占比超过 80% 时,出力波动会加剧,需进一步研究改进下垂控制与储能变流器(PCS)的协同策略,提升系统惯量(如虚拟惯量控制),增强稳定性;
- 安全性与抗攻击能力:针对中层通信环节,研究加密通信与入侵检测技术,防止虚假数据注入攻击导致的控制失效,保障微电网安全运行。
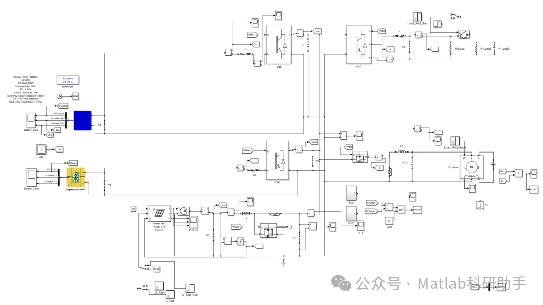
⛳️ 运行结果





🔗 参考文献
[1] 陈丽娟,王致杰.基于改进下垂控制的微电网运行控制研究[J].电力系统保护与控制, 2016, 44(4):6.DOI:10.7667/PSPC151113.
[2] 李聪.基于下垂控制的微电网运行仿真及小信号稳定性分析[D].西南交通大学,2013.DOI:10.7666/d.Y2334993.
[3] 孟凡姿,孟杰,潘巧波,等.基于改进下垂法的光伏微电网并网控制策略研究[J].可再生能源, 2016(5):6.DOI:CNKI:SUN:NCNY.0.2016-05-006.
📣 部分代码
🎈 部分理论引用网络文献,若有侵权联系博主删除
👇 关注我领取海量matlab电子书和数学建模资料
🏆团队擅长辅导定制多种科研领域MATLAB仿真,助力科研梦:
🌈 各类智能优化算法改进及应用
生产调度、经济调度、装配线调度、充电优化、车间调度、发车优化、水库调度、三维装箱、物流选址、货位优化、公交排班优化、充电桩布局优化、车间布局优化、集装箱船配载优化、水泵组合优化、解医疗资源分配优化、设施布局优化、可视域基站和无人机选址优化、背包问题、 风电场布局、时隙分配优化、 最佳分布式发电单元分配、多阶段管道维修、 工厂-中心-需求点三级选址问题、 应急生活物质配送中心选址、 基站选址、 道路灯柱布置、 枢纽节点部署、 输电线路台风监测装置、 集装箱调度、 机组优化、 投资优化组合、云服务器组合优化、 天线线性阵列分布优化、CVRP问题、VRPPD问题、多中心VRP问题、多层网络的VRP问题、多中心多车型的VRP问题、 动态VRP问题、双层车辆路径规划(2E-VRP)、充电车辆路径规划(EVRP)、油电混合车辆路径规划、混合流水车间问题、 订单拆分调度问题、 公交车的调度排班优化问题、航班摆渡车辆调度问题、选址路径规划问题、港口调度、港口岸桥调度、停机位分配、机场航班调度、泄漏源定位
🌈 机器学习和深度学习时序、回归、分类、聚类和降维
2.1 bp时序、回归预测和分类
2.2 ENS声神经网络时序、回归预测和分类
2.3 SVM/CNN-SVM/LSSVM/RVM支持向量机系列时序、回归预测和分类
2.4 CNN|TCN|GCN卷积神经网络系列时序、回归预测和分类
2.5 ELM/KELM/RELM/DELM极限学习机系列时序、回归预测和分类
2.6 GRU/Bi-GRU/CNN-GRU/CNN-BiGRU门控神经网络时序、回归预测和分类
2.7 ELMAN递归神经网络时序、回归\预测和分类
2.8 LSTM/BiLSTM/CNN-LSTM/CNN-BiLSTM/长短记忆神经网络系列时序、回归预测和分类
2.9 RBF径向基神经网络时序、回归预测和分类
2.10 DBN深度置信网络时序、回归预测和分类
2.11 FNN模糊神经网络时序、回归预测
2.12 RF随机森林时序、回归预测和分类
2.13 BLS宽度学习时序、回归预测和分类
2.14 PNN脉冲神经网络分类
2.15 模糊小波神经网络预测和分类
2.16 时序、回归预测和分类
2.17 时序、回归预测预测和分类
2.18 XGBOOST集成学习时序、回归预测预测和分类
2.19 Transform各类组合时序、回归预测预测和分类
方向涵盖风电预测、光伏预测、电池寿命预测、辐射源识别、交通流预测、负荷预测、股价预测、PM2.5浓度预测、电池健康状态预测、用电量预测、水体光学参数反演、NLOS信号识别、地铁停车精准预测、变压器故障诊断
🌈图像处理方面
图像识别、图像分割、图像检测、图像隐藏、图像配准、图像拼接、图像融合、图像增强、图像压缩感知
🌈 路径规划方面
旅行商问题(TSP)、车辆路径问题(VRP、MVRP、CVRP、VRPTW等)、无人机三维路径规划、无人机协同、无人机编队、机器人路径规划、栅格地图路径规划、多式联运运输问题、 充电车辆路径规划(EVRP)、 双层车辆路径规划(2E-VRP)、 油电混合车辆路径规划、 船舶航迹规划、 全路径规划规划、 仓储巡逻
🌈 无人机应用方面
无人机路径规划、无人机控制、无人机编队、无人机协同、无人机任务分配、无人机安全通信轨迹在线优化、车辆协同无人机路径规划
🌈 通信方面
传感器部署优化、通信协议优化、路由优化、目标定位优化、Dv-Hop定位优化、Leach协议优化、WSN覆盖优化、组播优化、RSSI定位优化、水声通信、通信上传下载分配
🌈 信号处理方面
信号识别、信号加密、信号去噪、信号增强、雷达信号处理、信号水印嵌入提取、肌电信号、脑电信号、信号配时优化、心电信号、DOA估计、编码译码、变分模态分解、管道泄漏、滤波器、数字信号处理+传输+分析+去噪、数字信号调制、误码率、信号估计、DTMF、信号检测
🌈电力系统方面
微电网优化、无功优化、配电网重构、储能配置、有序充电、MPPT优化、家庭用电
🌈 元胞自动机方面
交通流 人群疏散 病毒扩散 晶体生长 金属腐蚀
🌈 雷达方面
卡尔曼滤波跟踪、航迹关联、航迹融合、SOC估计、阵列优化、NLOS识别
🌈 车间调度
零等待流水车间调度问题NWFSP 、 置换流水车间调度问题PFSP、 混合流水车间调度问题HFSP 、零空闲流水车间调度问题NIFSP、分布式置换流水车间调度问题 DPFSP、阻塞流水车间调度问题BFSP
👇
986

被折叠的 条评论
为什么被折叠?



