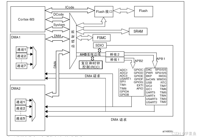
系统架构:

内部SRAM
储存程序执行时用到的变量
内部闪存存储器
存储下载的程序
程序执行时用的变量

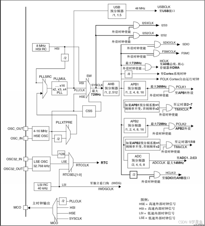
高速外部时钟是由外部时钟源提供,目前几乎所有的STM32单片机的设计都是在外部接一个8MHz的晶振,经过PLL倍频(9倍频)后得到一个72MHz的系统时钟。我们系统默认就是这个时钟。这个在启动文件可以看到。


HSI时钟
HSI时钟信号由内部8MHz的RC振荡器产生,可直接作为系统时钟或在2分频后作为PLL输入。HSI RC振荡器能够在不需要任何外部器件的条件下提供系统时钟。它的启动时间比HSE晶体振荡器短。然而,即使在校准之后它的时钟频率精度仍较差。

PLL时钟
内部PLL用来倍频HSI RC的输出时钟或HSE晶体输出时钟。PLL的设置必须在其被激活前完成。一旦PLL被激活,这些参数就不能被改动。如果PLL中断在时钟中断寄存器里被允许,当PLL准备就绪时,可产生中断申请。
PLL时钟一般都是对外部的8MHz的时钟信号经过9倍频后,得到72MHz的时钟频率,这是STM32F1系列允许的最高时钟频率。

LSE时钟
LSE晶体是一个32.768kHz的低速外部晶体或陶瓷谐振器。它为实时时钟或者其他定时功能提供一个低功耗且精确的时钟源。
LSE是不能驱动系统时钟的。

LSI时钟
LSI RC担当一个低功耗时钟源的角色,它可以在停机和待机模式下保持运行,为独立看门狗和自动唤醒单元提供时钟。LSI时钟频率大约40kHz(在30kHz和60kHz之间)。
LSI也不能驱动系统时钟。

1万+

被折叠的 条评论
为什么被折叠?



