• 4.2V-17V 输入电压范围
• 连续输出电流:高达 3A
• 反馈参考电压: 0.8V ± 2.5%
• 上管/下管 MOSFET Rdson: 70mΩ/35mΩ
• 轻负载下脉冲频率调制(PFM Mode)
• 待机静态电流: 150uA
• 最小导通时间: 80ns
• 内置软启动时间: 2ms
• 调开关频率 750KHz
• 输出过压保护
• 过热保护150oC
• SOT563-6L, TSOT23-6L 封装
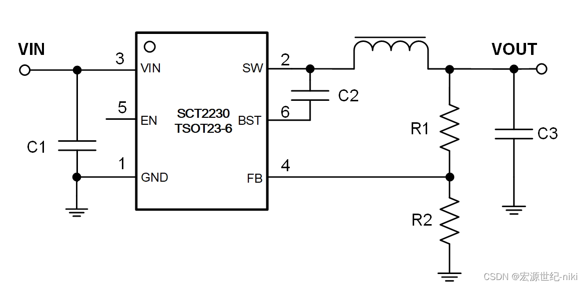
SCT2230是一款输出电流3A的高功率密度全集成同步降压DCDC转换器。其输入电压范围为4.2V到17V。SCT2230提供750KHz的开关频率,并且集成buck电路上下MOSFET器件以提供更高的工作效率。SCT2230采用COT控制模式,工作频率为800kHz, 从而获得快速的负载动态响应。SCT2230在睡眠模式下静态电流为150μA,可满足用户轻载高效的应用需求。在保护设计方面,SCT2230提供电流限制和过流打嗝(hiccup)保护,过热关断保护,输出过压保护以及输入欠压保护,为实际应用的安全性提供了多重保障。SCT2230提供小尺寸的SOT563-6L和SOT23-6L两种封装,为用户小型化设计提供了简洁的电源解决方案。
应用
DTV,机顶盒, XDSL 猫, 服务器, 安防系统

SCT2230是一款能提供高达3A输出电流的DCDC转换器,具有宽输入电压范围、低静态电流、快速响应和多种保护功能,适用于DTV、机顶盒等设备的电源解决方案。
845

被折叠的 条评论
为什么被折叠?



