TS08P 可以提供包括原厂在内的技术支持。
1规格
1.1一般特征
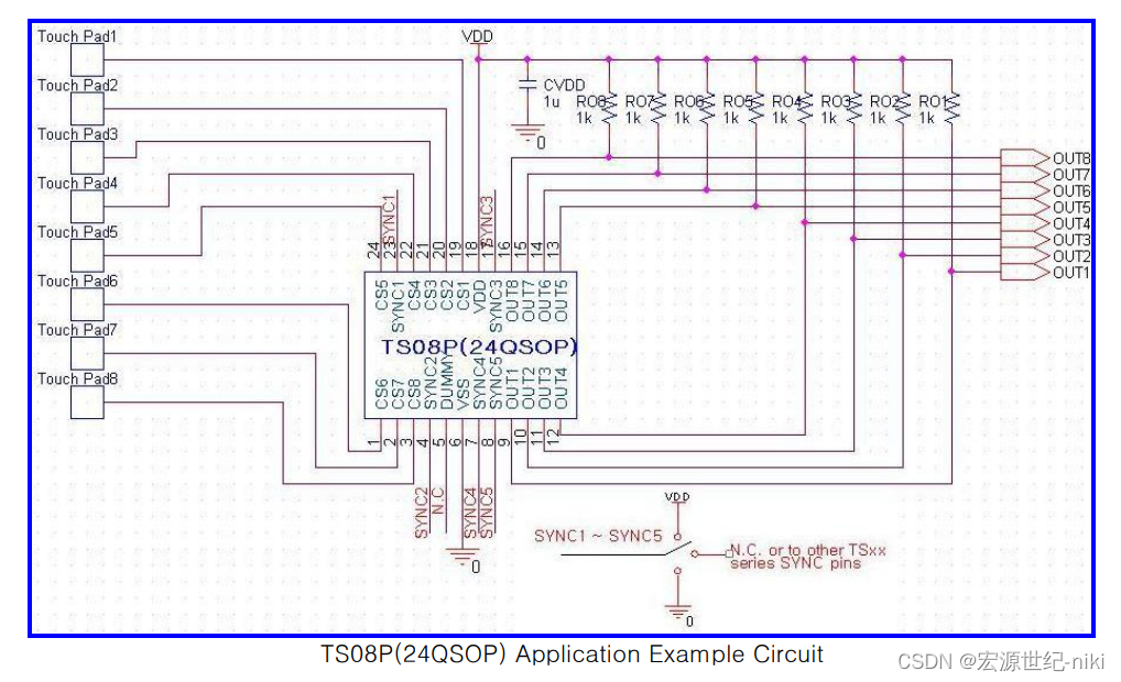
带自动灵敏度校准的8通道电容式传感器
可选择输出操作模式(单输出/多输出/双单输出)
可选择的输出电平(有效高/有效低/模拟电压输出)
可均匀调节的9阶灵敏度
3步内部校准速度选择
并行操作的同步功能
5个SYNC引脚,用于各种选项选择
几乎不需要外部组件
开漏数字输出
低电流消耗
嵌入式普通和普通噪声消除电路
符合RoHS标准的24QSOP和24QFN封装
1.2应用
家庭应用程序
薄膜开关更换
密封控制面板、键盘
门锁矩阵应用
触摸屏更换应用程序
3绝对最大额定值
蓄电池供电电压6.0V
任何引脚上的最大电压VDD+0.3
任何PAD上的最大电流100mA
功耗800mW
储存温度-50~150℃
工作温度-20~75℃
接点温度150℃
注6:除非另有说明,否则以上均在常温下运行。



TS08P是一款集成了自动灵敏度校准、多种输出选项和低功耗设计的8通道传感器,适用于家庭应用、薄膜开关替换和密封控制面板等,符合RoHS标准,具有宽温工作范围和低电流消耗特性。

1041

被折叠的 条评论
为什么被折叠?



