Taken from 2
015 midterm question 5. See also the first part of this question: mt2015_muxdff
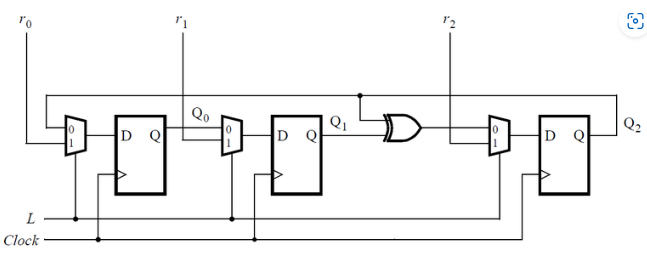
Write the Verilog code for this sequential circuit (Submodules are ok, but the top-level must be named top_module). Assume that you are going to implement the circuit on the DE1-SoC board. Connect the R inputs to the SW switches, connect Clock to KEY[0], and L to KEY[1]. Connect the Q outputs to the red lights LEDR.
module top_module (
input [2:0] SW, // R
input [1:0] KEY, // L and clk
output [2:0] LEDR); // Q
always@(posedge KEY[0])
begin
LEDR[2] <= KEY[1] ? SW[2] : LEDR[1] ^ LEDR[2];
LEDR[1] <= KEY[1] ? SW[1] : LEDR[0];
LEDR[0] <= KEY[1] ? SW[0] : LEDR[2];
end
endmodule
该文描述了一个用Verilog编写的顺序电路模块,输入包括SW开关、KEY[0]作为时钟和KEY[1]作为控制信号,输出连接到LED灯LEDR。在每个时钟的上升沿,LEDR的状态根据KEY[1]的值和SW的输入更新,形成一种状态转移逻辑。
249

被折叠的 条评论
为什么被折叠?



