PMSM-RELAY——滞环电流控制的PMSM矢量控制
受控电压源
在三相滞环电流控制仿真模型中添加受控电压源是将信号转换成电源信号,无需设置
滞环输出为[-155,155]
可输出311V电压信号
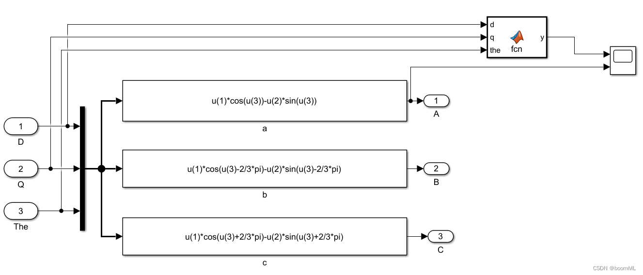
Matlab2020中没有fcn模块
可以使用Matlab Function,注意工作空间
mux和BUS的区别
Mux模块的基本思想就是将多路信号集成一束,这一束信号在模型中传递和处理中都看做是一个整体。(Mux实际上代表多路信号。)与Mux Block配套的是Demux Block,它将各路信号相互分离以便能对各信号进行单独处理
简单来说MUX可以构造向量
当需要将不同类型的信号集结在一起,或者在使用向量不能方便的表达我的模型图时,我们可以使用bus,总线bus信号确实可以使你的模型图变整洁。Bus Creator和Bus Selector以图示的形式方便了管理信号和组织模型。
简单来说,可以选择性引用一个向量中的信号

PI参数设置

反park变换:dq转换成abc

其中由于matlab2020中无fcn模块,则可以使用matlab function模块实现
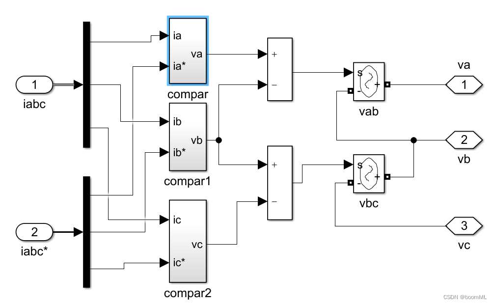
滞环电流回路控制

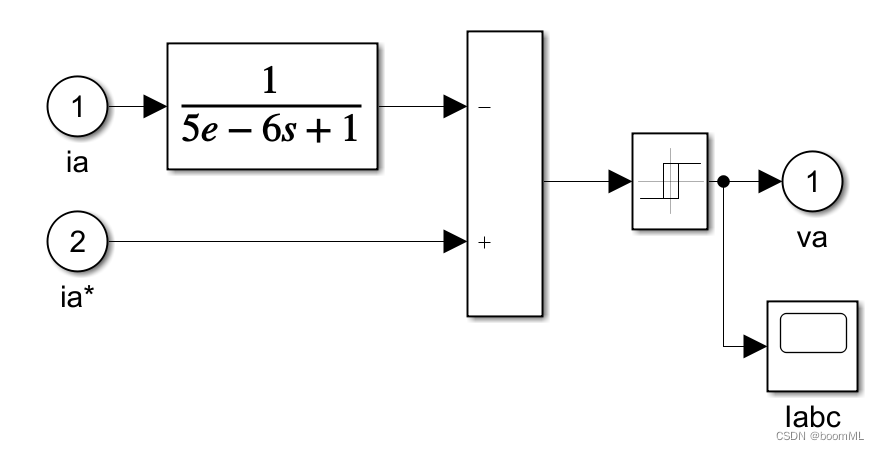
滞环比较器,实现电流的快速跟踪200kHz

relay(比较器)设置

受控电压源辅助信号的转换,相关设置如下

PMSM电机有关参数

测量口信号输出

最终的输出波形如下
在如下的负载下


iabc

转矩Te

转速

仿真设置
仿真条件设置为:采用变步长 ode23tb算法,相对误差(Relative Tolerance)设置为0.0001,仿真时间设置为0.1s。
ode23tb算法
odb23tb可求解低阶刚性微分方程函数,算法是梯形规则+向后差分公式。
本文介绍了PMSM电机滞环电流控制的矢量控制方法,涉及受控电压源、滞环比较器的设置以及MATLAB 2020中的功能模块使用,包括Matlab Function替代fcn模块,Mux与BUS的区别,PI控制器参数设定,并展示了仿真输出的电流、转矩和转速波形。
2万+

被折叠的 条评论
为什么被折叠?



