品牌:星云半导体
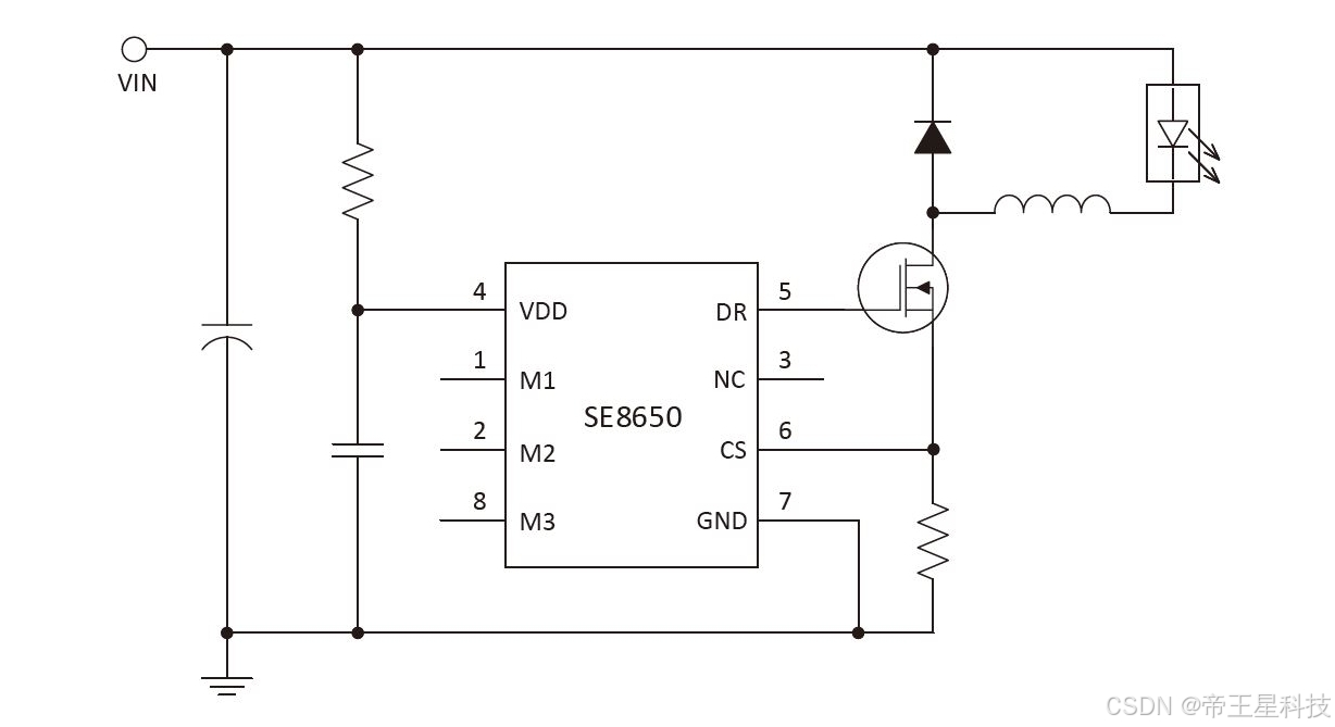
方案名称:SE8650 4.5-80V 6A,外置MOS,频率165Khz,全亮、半亮
特点:
· 宽输入电压范围:5V~80V
· 可设定电流范围:10mA~6000mA
· 固定工作频率:150KHZ
· 内置抖频电路,降低对其他设备的 EMI 干扰
· 平均电流模式采样,恒流精度更高
· 0-100%占空比控制,无电流节点跳变
· 输出短路保护
· 过温保护
· 三功能模式:全亮/半亮/爆闪
· SOP-8 封装
应用:
· 电动车,摩托车灯照明
· 汽车灯照明
· 手电筒

824

被折叠的 条评论
为什么被折叠?



