AS2335是一款高效、单片同步降压DC/DC转换器,采用恒频、平均电流模式控制架构。能够提供高达3.1A的连续负载,具有出色的线路和负载调节能力。该设备的输入电压范围为7V至32V,并提供3.6V至25V可调输出电压。
AS2335具有短路和热保护电路,以提高系统可靠性。内部软启动避免了启动过程中的输入浪涌电流。
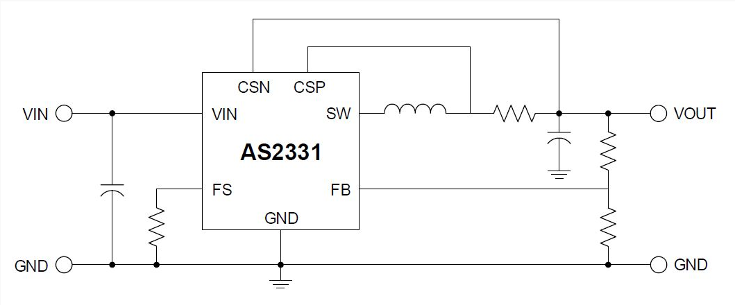
AS2335要求最少数量的外部元件。并具有多种保护功能,提高可靠性。
特点:
· 宽VIN范围:7V至32V
· 3.1A连续输出电流
· 效率高达93%
· CC/CV模式控制
· 100%最大占空比
· 内置可调线补偿
· 输出电压可调
· +/-1.5%输出电压精度
· +/- 5%电流限制精度。
· 集成75mΩ高位开关
· 集成35mΩ低侧开关
· 可编程的频率(130 khz ~ 300 khz)
· 突发模式操作在轻负荷
· 内部回路补偿
· 内部软启动
· 封装形式:SOP-8
应用:
· 汽车充电器
· 可充电便携式设备
· 网络系统
· 分布式电力系统

2617

被折叠的 条评论
为什么被折叠?



