你以为我在开玩笑?
“老大,电池电压采集电路我画好了,就两个电阻分压,超简单!”
这是很多刚毕业的硬件新人最常说的一句话 。结果呢?设备量产后,原本设计待机一年的产品,三个月就红灯报警。查来查去,最后发现“凶手”竟然就是那两个不起眼的电阻!
兄弟们,做低功耗设计,“会测电压”和“能测准且不费电”是两个次元的事。
今天咱们就扒一扒这个让无数工程师翻车的低功耗设计细节。关于电池采集,我有三招“必杀技”,看你现在的设计属于哪一层?
第一层:小白的“想当然” —— 加大阻值
“既然分压电阻耗电,那我把 10k 换成 1M 欧姆不就行了?”

听起来很有道理,于是你把电阻换成了 1M。一上电,傻眼了:
电压读数乱跳,甚至比万用表测出来的低一大截。
你开始怀疑单片机坏了。
真相是:你被“输入阻抗”坑了。 STM32 这类单片机的 AD 输入是有阻抗要求的 。它内部有一个采样保持电路,你可以把它想象成一个小电容 (C_ADC) 。
当你的外部电阻太大(1M 欧姆),电流太小,甚至来不及把这个内部小电容充满,采样窗口就关闭了 。
看看手册吧!STM32 明确指出,外部输入阻抗是受限的。比如在某些采样周期下,最大只允许 1.2k 欧姆的阻抗;即使你把采样时间拉满到 239.5 个周期,它也只允许最大约 350k 欧姆的阻抗 。
1M 欧姆?直接把 ADC 饿死了,数据肯定不准 !
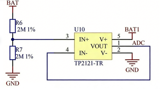
✅ 补救大招(如果非要用大电阻): 加一个电压跟随器(运放)!

但千万别随便找个运放就往上怼!要选 TP2121 这种静态电流只有 600nA 的微功耗运放 。否则,运放本身比电阻还费电,得不偿失。
第二层:老手的“骚操作” —— 借用 GPIO 做地
既然电阻不能无限大,那能不能“平时断开,测时再连”?
聪明的工程师想到了这招:把分压电阻的接地端,接到单片机的 IO 口(比如 PA4)上 。
平时休眠:把 PA4 设置为开漏 (Open-Drain) 或高阻态。此时电路断路,理论上电流为 0,完全不耗电 。
测电压时:把 PA4 拉低(输出 Low),电路导通,测完立刻关掉。
点评:这招性价比极高,不用加成本,只需要动几行代码。是消费类电子最常用的方案。但要注意 IO 口的漏电流参数。
第三层:大神的“极致洁癖” —— 高侧 MOS 开关
如果你做的是纽扣电池供电、要求待机 5 年的传感器,上面的方案可能还不够极致。
真正的王者方案是:给电路装个“水龙头”!

看看这个电路 :
用一个 P-MOS (如 VB2355) 控制分压电路的电源端(高侧)。
用一个 N-MOS (如 VB1330) 或直接用 IO 去控制 P-MOS 的栅极。
原理很简单: 平时 MOS 管彻底关闭,分压电阻和电池物理隔离。此时的休眠电流几乎不计(仅限于 nA 级别的漏电流)。
虽然多了一两个小器件的成本,但对于那些电池一旦耗尽就得扔的设备,这一毛钱买的是产品的命!
总结:你的电路该怎么改?

现在的硬件设计越来越卷,低功耗不是一句口号,而是扣在每一个 uA 里的细节。
赶紧打开你的原理图检查一下:
你的分压电阻是不是还在无脑通过电流?
你的大阻值分压是不是导致了 ADC 采样误差?
别让两个电阻,毁了你通宵熬出来的产品。

1097

被折叠的 条评论
为什么被折叠?



