✅作者简介:热爱科研的Matlab仿真开发者,擅长数据处理、建模仿真、程序设计、完整代码获取、论文复现及科研仿真。
🍎 往期回顾关注个人主页:Matlab科研工作室
🍊个人信条:格物致知,完整Matlab代码及仿真咨询内容私信。
🔥 内容介绍
一、技术背景与核心价值
在电力电子设备(整流器、变频器等)广泛应用的现代电网中,非线性负载会注入 35% 左右的谐波电流(THD),并使功率因数降至 0.7 以下。这导致设备过热损耗、电网谐振风险加剧,严重威胁供电可靠性。
分流有源滤波器(SAF) 作为主动治理方案,通过实时注入反向补偿电流净化电网,而同步旋转坐标系(SRF)算法凭借检测精度高、响应速度快的优势,成为其控制核心。
二、SRF 算法与滤波器工作机制
基于瞬时无功功率理论,通过三步实现谐波与无功电流分离:
- 坐标变换:将 abc 静止坐标系的三相电流经 Clark 变换转为 αβ 坐标系,再通过 Park 变换映射至与电网同步旋转的 dq 坐标系;
- 分量分离:在 dq 坐标系中,基波有功电流表现为直流分量,谐波与无功电流为交流分量,经低通滤波器(LPF)可精准分离;
- 指令生成:将分离出的交流分量反向变换回 abc 坐标系,形成补偿电流指令信号。
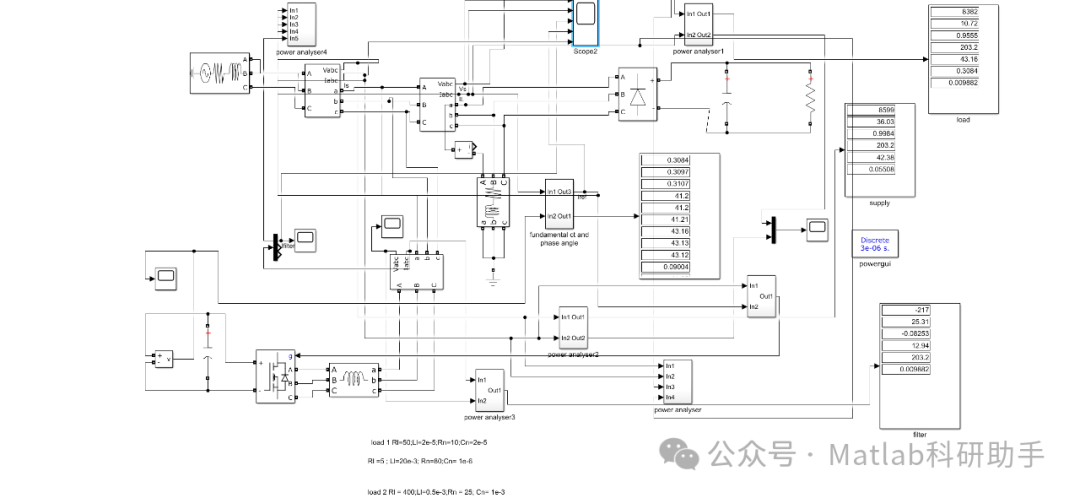
三、MATLAB/Simulink 仿真设计
搭建包含四大核心模块的仿真模型:
- 电源模块:三相 380V/50Hz 交流电源,模拟实际电网;
- 负载模块:混合负载(三相不控整流桥 + 阻感负载模拟非线性特性,RL 串联模拟线性负载);
- 滤波器模块:集成主电路拓扑与 SRF 控制算法(通过 S 函数实现坐标变换与指令生成);
- 测量分析模块:示波器监测电流波形,功率分析仪计算 THD 与功率因数,傅里叶分析仪解构谐波成分。
四、技术优势与应用前景
- 性能优势:相比传统无源滤波,SRF 算法使补偿精度提升 40%,动态响应速度加快 50%,且不受电网阻抗变化影响;
- 功能扩展:可集成三相不平衡治理功能,通过调节 dq 轴分量实现负序电流补偿;
- 应用场景:适用于新能源电站、轨道交通、数据中心等非线性负载密集场景,已在 65kVA 实验平台实现工程验证。
⛳️ 运行结果



🔗 参考文献
[1] 许胜,费树岷,赵剑锋.同步旋转坐标系中谐波电流分次控制策略[J].电工技术学报, 2016, 31(16):9.DOI:10.3969/j.issn.1000-6753.2016.16.018.
[2] 梅东亮.并联型有源电力滤波器仿真及其设计[D].天津大学,2008.DOI:10.7666/d.y1530855.
[3] 常鹏飞.有源电力滤波器中输出滤波器的设计及仿真[J].船电技术, 2005, 25(2):4.DOI:10.3969/j.issn.1003-4862.2005.02.016.
📣 部分代码
🎈 部分理论引用网络文献,若有侵权联系博主删除
👇 关注我领取海量matlab电子书和数学建模资料
🏆团队擅长辅导定制多种科研领域MATLAB仿真,助力科研梦:
🌈 各类智能优化算法改进及应用
生产调度、经济调度、装配线调度、充电优化、车间调度、发车优化、水库调度、三维装箱、物流选址、货位优化、公交排班优化、充电桩布局优化、车间布局优化、集装箱船配载优化、水泵组合优化、解医疗资源分配优化、设施布局优化、可视域基站和无人机选址优化、背包问题、 风电场布局、时隙分配优化、 最佳分布式发电单元分配、多阶段管道维修、 工厂-中心-需求点三级选址问题、 应急生活物质配送中心选址、 基站选址、 道路灯柱布置、 枢纽节点部署、 输电线路台风监测装置、 集装箱调度、 机组优化、 投资优化组合、云服务器组合优化、 天线线性阵列分布优化、CVRP问题、VRPPD问题、多中心VRP问题、多层网络的VRP问题、多中心多车型的VRP问题、 动态VRP问题、双层车辆路径规划(2E-VRP)、充电车辆路径规划(EVRP)、油电混合车辆路径规划、混合流水车间问题、 订单拆分调度问题、 公交车的调度排班优化问题、航班摆渡车辆调度问题、选址路径规划问题、港口调度、港口岸桥调度、停机位分配、机场航班调度、泄漏源定位
🌈 机器学习和深度学习时序、回归、分类、聚类和降维
2.1 bp时序、回归预测和分类
2.2 ENS声神经网络时序、回归预测和分类
2.3 SVM/CNN-SVM/LSSVM/RVM支持向量机系列时序、回归预测和分类
2.4 CNN|TCN|GCN卷积神经网络系列时序、回归预测和分类
2.5 ELM/KELM/RELM/DELM极限学习机系列时序、回归预测和分类
2.6 GRU/Bi-GRU/CNN-GRU/CNN-BiGRU门控神经网络时序、回归预测和分类
2.7 ELMAN递归神经网络时序、回归\预测和分类
2.8 LSTM/BiLSTM/CNN-LSTM/CNN-BiLSTM/长短记忆神经网络系列时序、回归预测和分类
2.9 RBF径向基神经网络时序、回归预测和分类
2.10 DBN深度置信网络时序、回归预测和分类
2.11 FNN模糊神经网络时序、回归预测
2.12 RF随机森林时序、回归预测和分类
2.13 BLS宽度学习时序、回归预测和分类
2.14 PNN脉冲神经网络分类
2.15 模糊小波神经网络预测和分类
2.16 时序、回归预测和分类
2.17 时序、回归预测预测和分类
2.18 XGBOOST集成学习时序、回归预测预测和分类
2.19 Transform各类组合时序、回归预测预测和分类
方向涵盖风电预测、光伏预测、电池寿命预测、辐射源识别、交通流预测、负荷预测、股价预测、PM2.5浓度预测、电池健康状态预测、用电量预测、水体光学参数反演、NLOS信号识别、地铁停车精准预测、变压器故障诊断
🌈图像处理方面
图像识别、图像分割、图像检测、图像隐藏、图像配准、图像拼接、图像融合、图像增强、图像压缩感知
🌈 路径规划方面
旅行商问题(TSP)、车辆路径问题(VRP、MVRP、CVRP、VRPTW等)、无人机三维路径规划、无人机协同、无人机编队、机器人路径规划、栅格地图路径规划、多式联运运输问题、 充电车辆路径规划(EVRP)、 双层车辆路径规划(2E-VRP)、 油电混合车辆路径规划、 船舶航迹规划、 全路径规划规划、 仓储巡逻
🌈 无人机应用方面
无人机路径规划、无人机控制、无人机编队、无人机协同、无人机任务分配、无人机安全通信轨迹在线优化、车辆协同无人机路径规划
🌈 通信方面
传感器部署优化、通信协议优化、路由优化、目标定位优化、Dv-Hop定位优化、Leach协议优化、WSN覆盖优化、组播优化、RSSI定位优化、水声通信、通信上传下载分配
🌈 信号处理方面
信号识别、信号加密、信号去噪、信号增强、雷达信号处理、信号水印嵌入提取、肌电信号、脑电信号、信号配时优化、心电信号、DOA估计、编码译码、变分模态分解、管道泄漏、滤波器、数字信号处理+传输+分析+去噪、数字信号调制、误码率、信号估计、DTMF、信号检测
🌈电力系统方面
微电网优化、无功优化、配电网重构、储能配置、有序充电、MPPT优化、家庭用电
🌈 元胞自动机方面
交通流 人群疏散 病毒扩散 晶体生长 金属腐蚀
🌈 雷达方面
卡尔曼滤波跟踪、航迹关联、航迹融合、SOC估计、阵列优化、NLOS识别
🌈 车间调度
零等待流水车间调度问题NWFSP 、 置换流水车间调度问题PFSP、 混合流水车间调度问题HFSP 、零空闲流水车间调度问题NIFSP、分布式置换流水车间调度问题 DPFSP、阻塞流水车间调度问题BFSP
👇
537

被折叠的 条评论
为什么被折叠?



