✅作者简介:热爱科研的Matlab仿真开发者,擅长数据处理、建模仿真、程序设计、完整代码获取、论文复现及科研仿真。
🍎 往期回顾关注个人主页:Matlab科研工作室
🍊个人信条:格物致知,完整Matlab代码及仿真咨询内容私信。
🔥 内容介绍
本文所述DC-AC转换器是一种基于H桥MOSFET拓扑的电压源型变换器,核心功能是将输入直流电压转换为双极交流输出,通过电感滤波与RC负载匹配,实现150V双极输出电压和4A双极输出电流的目标。该转换器采用H桥结构实现电流方向切换,配合电感滤波抑制谐波干扰,具有拓扑简洁、输出调节灵活、功率密度高等特点,适用于需要稳定双极交流电源的工业控制、测试设备等场景。
一、基本电路组成
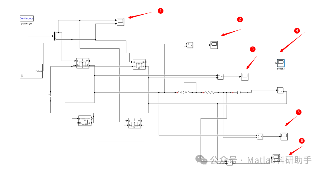
该DC-AC转换器的典型拓扑结构由H桥开关模块、滤波模块及负载模块三部分构成,各部件协同实现直流到双极交流的转换与稳定输出,具体组成如下:
-
开关器件(Q):通常采用MOSFET、IGBT或BJT晶体管,通过脉冲宽度调制(PWM)信号控制导通与截止,进而调节能量传输效率;
-
续流二极管(D):在开关器件截止期间提供续流路径,确保电感能量顺利释放,同时防止电容电压反向击穿开关器件;
-
H桥MOSFET开关模块:核心开关单元,由4个高性能MOSFET管(Q1~Q4)呈“H”形排布组成,通过对角开关管的交替导通/截止实现电流方向切换,是产生双极输出的核心部件;配套集成栅极驱动芯片(如IR2112),实现低功耗控制信号与高功率开关器件的电平匹配与隔离驱动,保障开关动作的同步性与可靠性;
-
滤波电感器(L):串联于H桥输出端与负载之间,核心滤波元件,用于抑制H桥开关动作产生的高频谐波,平滑输出电流波形,降低电流纹波,确保输出4A双极电流的稳定性;其参数需根据开关频率与纹波要求精准匹配,通常选取10%~40%的峰值纹波系数以平衡滤波效果与器件体积;
-
RC负载模块(R、C):系统的目标负载单元,电阻R为核心功率负载,电容C与R并联构成阻容负载特性,用于匹配输出功率并进一步抑制电压纹波;通过合理选取R、C参数,确保在150V双极电压输入下,负载电流稳定在4A双极范围;
-
输入直流母线电容(C_in):并联于输入直流电源两端,用于稳定输入电压,抑制H桥开关过程中产生的电压波动,降低输入侧电流脉动,保障开关器件的工作稳定性;
-
控制单元:核心指令生成模块,通过产生精准的脉冲宽度调制(PWM)信号控制H桥MOSFET的导通时序与占空比,实现输出电压幅值、频率的调节,确保双极输出的对称性与稳定性;
-
续流二极管:反并联于各MOSFET管两端,用于在开关管关断瞬间提供电感电流的续流路径,避免电感反向电动势击穿开关器件,保障电路安全运行。
二、核心工作原理
该DC-AC转换器的工作核心是通过H桥MOSFET的有序开关实现电流方向的周期性反转,配合电感滤波与RC负载匹配,最终输出稳定的双极交流信号。工作过程以控制单元输出的PWM信号为时序基准,分为正半周导通、负半周导通两个核心阶段,整个周期内通过电感的储能与释能实现电流平滑,具体工作过程如下(基于理想元件假设):
1. 正半周导通阶段(输出正向150V、正向4A电流)
在正半周导通阶段,控制单元输出PWM信号控制H桥对角的MOSFET管(如Q1和Q4)导通,另一对角的MOSFET管(Q2和Q3)截止。此时输入直流电源通过Q1、滤波电感器L、RC负载、Q4形成导通回路,电流从电源正极流出,经Q1、L、RC负载后由Q4返回电源负极,在负载两端形成正向电压(目标150V)。在此过程中,滤波电感器L储能,电流逐渐上升至4A正向峰值;RC负载中的电容C充电,辅助稳定负载电压,抑制电压波动。
2. 负半周导通阶段(输出反向150V、反向4A电流)
当进入负半周导通阶段,控制单元切换PWM信号,使原导通的Q1、Q4截止,原截止的Q2、Q3导通。输入直流电源通过Q2、滤波电感器L、RC负载、Q3形成反向导通回路,电流方向与正半周相反,在负载两端形成反向电压(目标-150V)。此时滤波电感器L释放此前存储的能量,与电源共同驱动电流达到4A反向峰值;RC负载中的电容C放电,继续维持负载电压稳定。通过正、负半周的快速交替切换(切换频率决定输出交流频率,如50Hz/60Hz工频),最终在负载端获得连续的双极交流输出。
输出电压幅值与电流的精准控制通过调节PWM信号的占空比实现:在双极调制模式下,H桥两侧桥臂均工作于高频开关状态,通过改变正、负半周内开关管的导通时间(占空比),可精确调节输出电压的峰值(目标150V双极)。根据电感电流纹波控制要求,可通过公式计算电感参数:通常选取电流纹波系数为峰值电流的10%~40%,结合开关频率f_SW,电感值L可由公式L ≥ (V_in × D)/(ΔI_L × f_SW)(其中V_in为输入直流电压,D为占空比,ΔI_L为电感电流纹波)估算。对于150V双极输出、4A双极电流的目标,需匹配输入直流母线电压(通常为输出峰值电压的1.1~1.2倍以预留调节余量),并通过RC负载参数优化,确保负载阻抗与输出功率匹配。
三、核心特性与优缺点
1. 核心优势
-
双极输出精准可控:通过H桥拓扑与双极PWM调制,可精确实现150V双极电压与4A双极电流输出,电压幅值与频率调节范围宽,适配不同负载需求;
-
输出波形质量优:采用电感滤波配合RC负载,可有效抑制高频开关谐波,输出电流纹波小,电压稳定性高,满足精密设备对电源质量的要求;
-
拓扑简洁可靠:H桥MOSFET结构成熟,器件选型便捷,配套栅极驱动芯片技术完善,电路集成难度低,运行可靠性高;
-
功率密度高:MOSFET开关速度快,可采用较高的开关频率,减小滤波电感、电容的体积,提升转换器的功率密度与安装灵活性。
2. 主要缺点
-
开关器件应力较大:H桥MOSFET需承受输入直流母线的峰值电压,对于150V双极输出,输入母线电压通常不低于165V,对MOSFET的耐压性能要求较高;同时开关过程中存在电压、电流应力,需额外配置吸收电路抑制尖峰电压;
-
开关损耗明显:高频开关状态下,MOSFET的开通与关断损耗较大,尤其在大电流(4A)输出场景下,易导致器件发热,需配置散热结构,影响系统效率;
-
调制复杂度较高:双极输出的精准控制需采用同步PWM调制策略,对控制芯片的时序控制精度要求高,且需配合负载阻抗变化动态调节占空比,控制算法复杂度高于单极性输出转换器。
四、典型应用场景
该DC-AC转换器凭借150V双极输出、4A双极电流的性能参数,以及稳定的输出波形质量,适用于对双极交流电源有明确要求的场景,典型应用包括:
-
工业控制执行器电源:如双极驱动的电磁比例阀、伺服电机励磁绕组,需稳定的双极交流电压与电流提供精准驱动力,保障执行器的控制精度;
-
电子设备测试平台:用于元器件、模块的双极交流耐压、耐流测试,可提供精准可控的150V/4A双极电源,满足测试场景的严苛要求;
-
特种照明电源:如某些气体放电灯、双极驱动LED阵列,需特定频率的双极交流电源驱动,该转换器可通过频率调节适配不同照明器件需求;
-
小型可再生能源逆变系统:如便携式太阳能、燃料电池供电系统,可将直流电能转换为150V双极交流电能,为小型负载或应急设备供电。
⛳️ 运行结果







🔗 参考文献
[1] 聂子玲,张波涛,孙驰,等.级联H桥SVG直流侧电容电压的二次谐波计算[J].电工技术学报, 2006, 21(4):6.DOI:10.3321/j.issn:1000-6753.2006.04.022.
[2] 李承,沈文,丁洪发,等.级联多电平高压DC/AC变换器单周控制策略[J].电力自动化设备, 2011, 31(010):6-11.DOI:10.3969/j.issn.1006-6047.2011.10.002.
[3] 朱鹏,乔鸣忠,张晓锋,等.基于五相三电平H桥逆变器的载波PWM控制[J].船电技术, 2008(5):4.DOI:10.3969/j.issn.1003-4862.2008.05.001.
📣 部分代码
🎈 部分理论引用网络文献,若有侵权联系博主删除
👇 关注我领取海量matlab电子书和数学建模资料
🏆团队擅长辅导定制多种科研领域MATLAB仿真,助力科研梦:
🌈 各类智能优化算法改进及应用
生产调度、经济调度、装配线调度、充电优化、车间调度、发车优化、水库调度、三维装箱、物流选址、货位优化、公交排班优化、充电桩布局优化、车间布局优化、集装箱船配载优化、水泵组合优化、解医疗资源分配优化、设施布局优化、可视域基站和无人机选址优化、背包问题、 风电场布局、时隙分配优化、 最佳分布式发电单元分配、多阶段管道维修、 工厂-中心-需求点三级选址问题、 应急生活物质配送中心选址、 基站选址、 道路灯柱布置、 枢纽节点部署、 输电线路台风监测装置、 集装箱调度、 机组优化、 投资优化组合、云服务器组合优化、 天线线性阵列分布优化、CVRP问题、VRPPD问题、多中心VRP问题、多层网络的VRP问题、多中心多车型的VRP问题、 动态VRP问题、双层车辆路径规划(2E-VRP)、充电车辆路径规划(EVRP)、油电混合车辆路径规划、混合流水车间问题、 订单拆分调度问题、 公交车的调度排班优化问题、航班摆渡车辆调度问题、选址路径规划问题、港口调度、港口岸桥调度、停机位分配、机场航班调度、泄漏源定位
🌈 机器学习和深度学习时序、回归、分类、聚类和降维
2.1 bp时序、回归预测和分类
2.2 ENS声神经网络时序、回归预测和分类
2.3 SVM/CNN-SVM/LSSVM/RVM支持向量机系列时序、回归预测和分类
2.4 CNN|TCN|GCN卷积神经网络系列时序、回归预测和分类
2.5 ELM/KELM/RELM/DELM极限学习机系列时序、回归预测和分类
2.6 GRU/Bi-GRU/CNN-GRU/CNN-BiGRU门控神经网络时序、回归预测和分类
2.7 ELMAN递归神经网络时序、回归\预测和分类
2.8 LSTM/BiLSTM/CNN-LSTM/CNN-BiLSTM/长短记忆神经网络系列时序、回归预测和分类
2.9 RBF径向基神经网络时序、回归预测和分类
2.10 DBN深度置信网络时序、回归预测和分类
2.11 FNN模糊神经网络时序、回归预测
2.12 RF随机森林时序、回归预测和分类
2.13 BLS宽度学习时序、回归预测和分类
2.14 PNN脉冲神经网络分类
2.15 模糊小波神经网络预测和分类
2.16 时序、回归预测和分类
2.17 时序、回归预测预测和分类
2.18 XGBOOST集成学习时序、回归预测预测和分类
2.19 Transform各类组合时序、回归预测预测和分类
方向涵盖风电预测、光伏预测、电池寿命预测、辐射源识别、交通流预测、负荷预测、股价预测、PM2.5浓度预测、电池健康状态预测、用电量预测、水体光学参数反演、NLOS信号识别、地铁停车精准预测、变压器故障诊断
🌈图像处理方面
图像识别、图像分割、图像检测、图像隐藏、图像配准、图像拼接、图像融合、图像增强、图像压缩感知
🌈 路径规划方面
旅行商问题(TSP)、车辆路径问题(VRP、MVRP、CVRP、VRPTW等)、无人机三维路径规划、无人机协同、无人机编队、机器人路径规划、栅格地图路径规划、多式联运运输问题、 充电车辆路径规划(EVRP)、 双层车辆路径规划(2E-VRP)、 油电混合车辆路径规划、 船舶航迹规划、 全路径规划规划、 仓储巡逻
🌈 无人机应用方面
无人机路径规划、无人机控制、无人机编队、无人机协同、无人机任务分配、无人机安全通信轨迹在线优化、车辆协同无人机路径规划
🌈 通信方面
传感器部署优化、通信协议优化、路由优化、目标定位优化、Dv-Hop定位优化、Leach协议优化、WSN覆盖优化、组播优化、RSSI定位优化、水声通信、通信上传下载分配
🌈 信号处理方面
信号识别、信号加密、信号去噪、信号增强、雷达信号处理、信号水印嵌入提取、肌电信号、脑电信号、信号配时优化、心电信号、DOA估计、编码译码、变分模态分解、管道泄漏、滤波器、数字信号处理+传输+分析+去噪、数字信号调制、误码率、信号估计、DTMF、信号检测
🌈电力系统方面
微电网优化、无功优化、配电网重构、储能配置、有序充电、MPPT优化、家庭用电
🌈 元胞自动机方面
交通流 人群疏散 病毒扩散 晶体生长 金属腐蚀
🌈 雷达方面
卡尔曼滤波跟踪、航迹关联、航迹融合、SOC估计、阵列优化、NLOS识别
🌈 车间调度
零等待流水车间调度问题NWFSP 、 置换流水车间调度问题PFSP、 混合流水车间调度问题HFSP 、零空闲流水车间调度问题NIFSP、分布式置换流水车间调度问题 DPFSP、阻塞流水车间调度问题BFSP
👇
992

被折叠的 条评论
为什么被折叠?



