画元件封装,如前文所述,建立元件库。现在通过Allegro建立对应封装。
步骤比较繁琐,我尽量说的简短些:
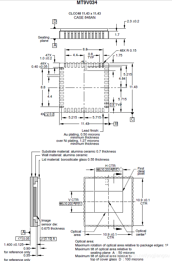
我们以MT9V034元件为例:
- 首先,根据数据手册,建立元件,如下图:


保存,capture软件可以歇着了
- 看数据手册最后一页的封装尺寸,做焊盘(先做焊盘才能做封装,真特么蛋疼,必须吐槽一下cadence)

根据上图,可得焊盘宽(0.4 +- 0.05)mm,长 (11.43/2 - 5.215)*2 = 1mm
打开Pad Editor软件,准备画焊盘
一般焊盘要大于芯片引脚,所以这里焊盘取宽0.5mm,长2mm
说几句废话:
pastemask是助焊层,一般和焊盘大小相同,用于焊接芯片
soldermask是阻焊层,一般比焊盘大0.1mm,用于圈定锡膏活动范围,放置机贴时短路
焊盘两种画法:第一种用自带形状文件,比如圆、椭圆、矩形、圆角矩形,过孔等等。第二种自己先建立ssm文件(阻焊层symbol)和psm文件(助焊层symbol),然后导入到Pad Editor,略显麻烦,但是可以自定义。本篇暂

本文详细介绍了如何使用Cadence Allegro软件绘制PCB封装,从创建元件、设计焊盘到调整封装,包括PIN1定位、焊盘尺寸修正和3D查看。过程中提到了Pad Editor的使用,以及在封装设计中要注意的短路风险和标识添加。
最低0.47元/天 解锁文章
1812

被折叠的 条评论
为什么被折叠?



