DP5340简介
DP5340是完整的采样、模数音频信号转换、 抗混叠滤波的芯片,在串行格式下以每声道最高200 kHz的采样率为左右输入生成 24 位值,并支持大部分的音频 数据格式。
DP5340 基于一个带线性模拟低通滤波器的五阶 Multi-BitΔ∑调制器,自动检测信号频率和主时钟频率,在 2KHz 和 200KHz 之间自动调节采样率。 DP5340 适用于宽动态范围、低失真和低噪音的音频系统,可以工作在 3.3V 和 5V 下,支持1.8~5V 的 逻辑电平,封装形式是 TSSOP-16。
结构框图

DP5340芯片特性
PIN对PIN替代CS5340,软硬件兼容
◆ Muti-BitΔ∑调制器
◆ 24 位 A/D 转换精度
◆ 自动检测最大到192KHz 的采样频率
◆ 101dB 动态范围
◆ -94dB 总谐波失真+信噪比
◆ 低时钟抖动敏感度
◆ 低延时数字滤波器,支持标准音频接口
◆ 抗混叠滤波 l 3.3V~5V 模拟电压
◆ 1.8V~5V 逻辑电压
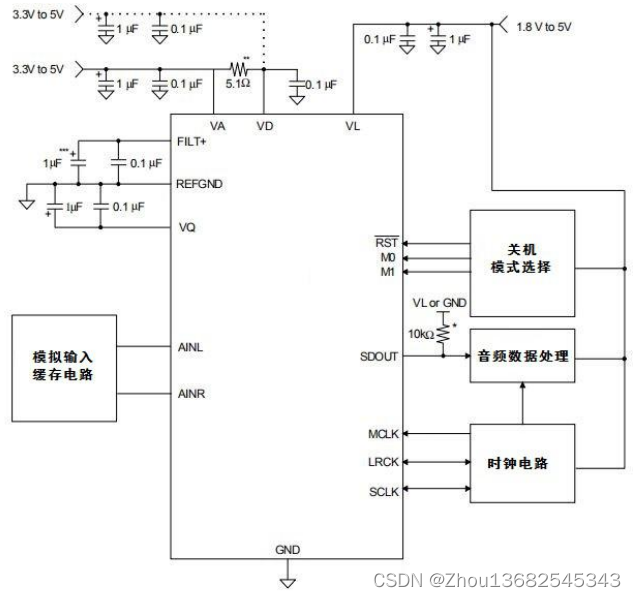
参考原理图

应用领域
◆ 汽车音响、DVD 播放解码器
◆ 数字电视、家庭影院
◆ 机顶盒、录音设备
<

本文档详细介绍了DP5340音频芯片,其拥有24位精度、自动采样率调整、高动态范围和低失真特性。适用于汽车音响、数字电视等领域,讲解了芯片结构、工作原理和典型应用场景。
最低0.47元/天 解锁文章
699

被折叠的 条评论
为什么被折叠?



