super_small_toy_tpu
小狼@http://blog.youkuaiyun.com/xiaolangyangyang
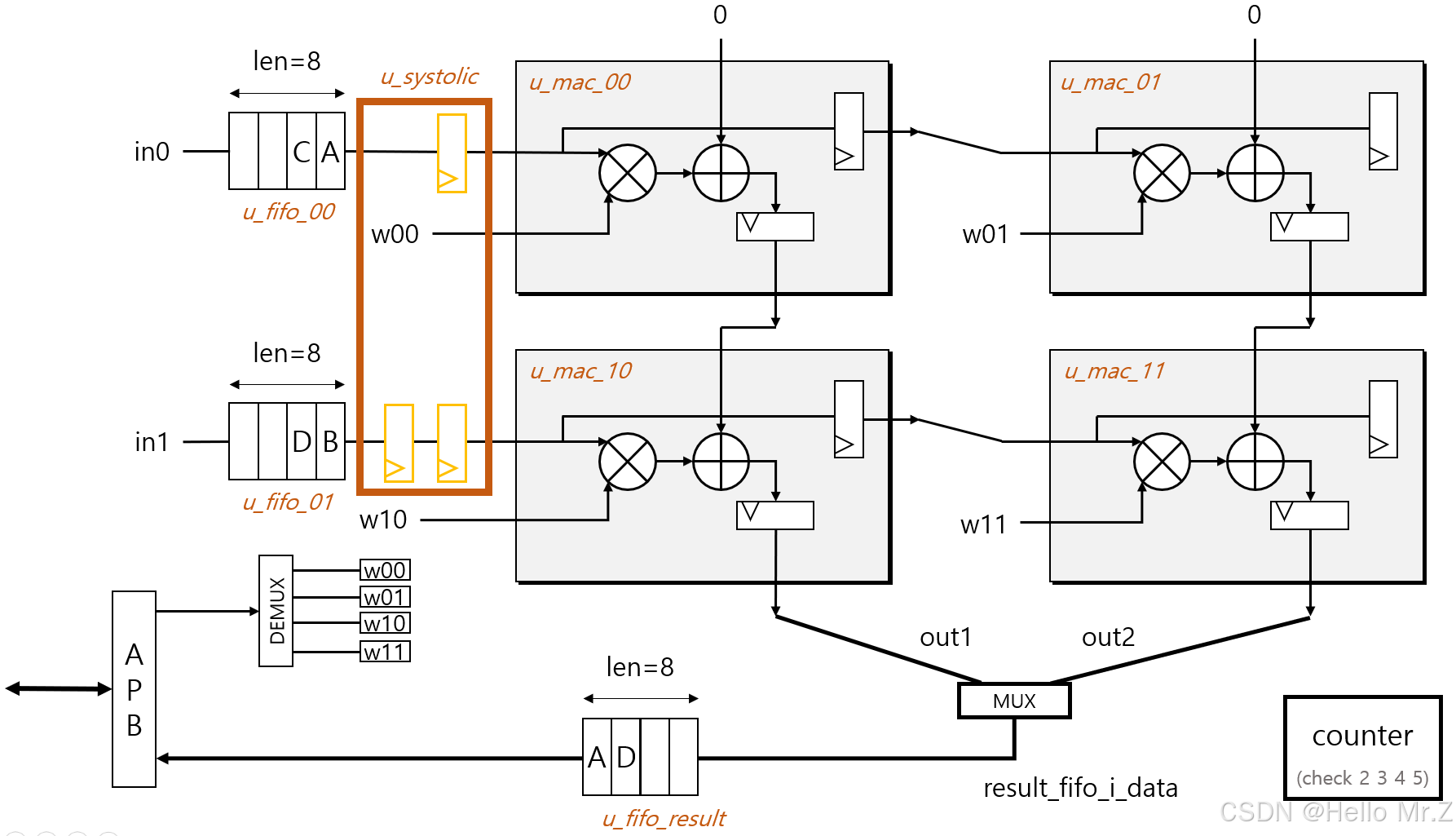
1、基础框图

2、源码下载:
GitHub - dldldlfma/super_small_toy_tpu
3、安装iverilog、vvp、gtkwave
windows安装:https://bleyer.org/icarus/
ubuntu安装:sudo apt-get install iverilog
4、编译及仿真
# iverilog -o out.vvp -f file_list.f
# vvp out.vvp
# gtkwave tpu_top_result.vcd
优秀的 Verilog/FPGA开源项目介绍(二十)- 张量处理单元(TPU)
一款轻量级verilog HDL开发方案(一)vscode+iverilog搭建开发环境
优秀的 Verilog/FPGA开源项目介绍(十九)- 浮点运算器(FPU)
NPU 开源项目指南
NPU_on_FPGA 项目常见问题解决方案
super_small_toy_tpu开发与仿真
10万+

被折叠的 条评论
为什么被折叠?



