文章目录
一.使用Altium Designer软件完成STM32+W5500的系统电路原理图设计
1.安装Altium Designer
下载Altium Designer
https://blog.youkuaiyun.com/weixin_42014622/article/details/83721000
元件库下载
https://pan.baidu.com/s/1j8TW4BbuEHMBATg7ZncSTw
提取码:1234
2.绘制stm32的最小系统的电路原理图(使用现成的元件库)
1.新建工程
File->New->Project->PCB Project。如果需要改名,右键点击工程,选择save project,设置工程名称。
2.添加文件
右键点击工程,选择Add new to project,选择Schematic。
3.开始绘制
添加芯片

放置排针

延长引脚线

添加标签


元件旋转,左键点击元件,按空格键旋转90°。
绘制所有元件

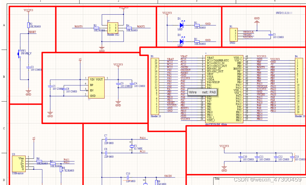
4.STM32+W5500的系统电路原理图设计
STM32F103C8T6

HS-NM5500A

二.使用Clion完成STM32F103点亮LED
1.下载Clion
https://blog.youkuaiyun.com/m0_58892312/article/details/121866325
2.完成Clion相关配置
打开CLion,新建工程
选择新建C++ Executable,设计保存路径和工程名就行了。
点击File->Settings->Build->Toolchains,添加MinGW。
找到先前下载的Clion

点击File->Settings->Build->Embedded Development,吧OpenOCD文件目录换成自己下载的位置,点击Test,绿色表示匹配成功,顺便配置CubeMX。

本文详细介绍了如何使用Altium Designer设计STM32+W5500系统原理图,包括STM32最小系统搭建,以及如何在Clion中实现STM32F103点亮LED的基础步骤。同时涵盖了下载软件、元件库配置和实际操作教程。
3729

被折叠的 条评论
为什么被折叠?



