GPIO
通用输入输出端口
GPIO是MCU与外部接触的唯一接口,外部设备通过GPIO与MCU之间通信

(一)输入输出模块
1.输入模块(input driver)
(1)浮空输入
(2)上拉输入
(3)下拉输入
(4)模拟输入
2.输出模块(output driver)
(1)推挽输出
(2)推挽复用输出
(3)开漏输出
(4)推挽开漏输出
拉电流与灌电流
(1)拉电流:GPIO输出电流,电流方向从引脚向外流
(2)灌电流:GPIO输入电流,电流方向从外向引脚流
因此,IO口尽量输出低电平,灌电流,因为IO口拉电流能力有限,拉电流过大时,IO驱动能力不足
TTL肖特耐触发器:将模拟信号转换为数字信号
上下拉电阻:起到一个钳位的作用,在引脚悬空时有个确切的电平
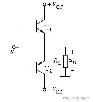
推挽与开漏
(1)推挽:两个三极管按照推挽模式连接(串联),可以输出高、低电平

- 输出为1时,T1导通,T2截止,输出高电平
- 输出为0时,T2导通,T1截止,输出低电平
(2)开漏:MOS管的漏极被开路,输出低电平 ,需外接上拉电阻实现高电平

- 输出为1时,MOS管截止,外接上拉电阻输出高电平
- 输出为0时,MOS管导通,输出为低电平
保护二极管:限流的作用,防止电流过大,引脚被损坏
(二)GPIO模块寄存器
1.控制寄存器:配置GPIO工作模式
(1)时钟配置
(2)工作模式配置
- 输入/输出模式
- 输入上下拉配置
- 输入中断配置
2.数据寄存器:输入/输出数据缓冲器
(1)输入数据寄存器(只读)
(2)输出数据寄存器
3.功能复用寄存器:根据使用外设的引脚配置为相应的复用模式
(三)GPIO配置流程
1.根据所需功能选择相应的引脚
(1)端口选择
(2)引脚选择
2.根据所需功能配置引脚相应工作模式
(1)输入/输出模式/功能复用
(2)输入中断,需配置引脚相关中断
(四)编程
1.寄存器版本
#include "msp.h"
#include "driverlib.h"
int main()
{
WDT_A->CTL = WDT_A_CTL_PW | WDT_A_CTL_HOLD;
//GPIO为普通IO模式
P1SEL0 &= ~BIT0;
P1SEL1 &= ~BIT0;
//GPIO为输出模式
P1DIR |= BIT0;
//IO输出为1
P1OUT |= BIT0;
while(1);
return 0;
}
2.库函数版本
#include "msp.h"
#include "driverlib.h"
int main()
{
WDT_A_holdTimer();
//GPIO为输出模式
GPIO_setAsOutputPin(GPIO_PORT_P1,GPIO_PIN0);
//IO输出为1
GPIO_setOutputHighOnPin(GPIO_PORT_P1,GPIO_PIN0);
while(1);
return 0;
}
微控制器GPIO详解:输入输出模式与应用
本文详细介绍了微控制器(MCU)的通用输入输出(GPIO)功能,包括浮空输入、上拉/下拉输入、模拟输入、推挽输出、开漏输出等模式的工作原理和应用场景。此外,还讨论了拉电流与灌电流的概念,TTL肖特基触发器的作用,以及上下拉电阻和保护二极管的功能。GPIO配置流程和相关寄存器设置也进行了说明,并提供了寄存器编程和库函数编程的示例。
1891

被折叠的 条评论
为什么被折叠?



