我司自主开发的 NVME + EXFAT 高速存储 IP,已成功交付数个项目。此处以其中两个为例简要介绍。
交付案例一
项目背景
客户用于某D载数据记录仪,不详述。
总体框图

图1 - 产品总体方案

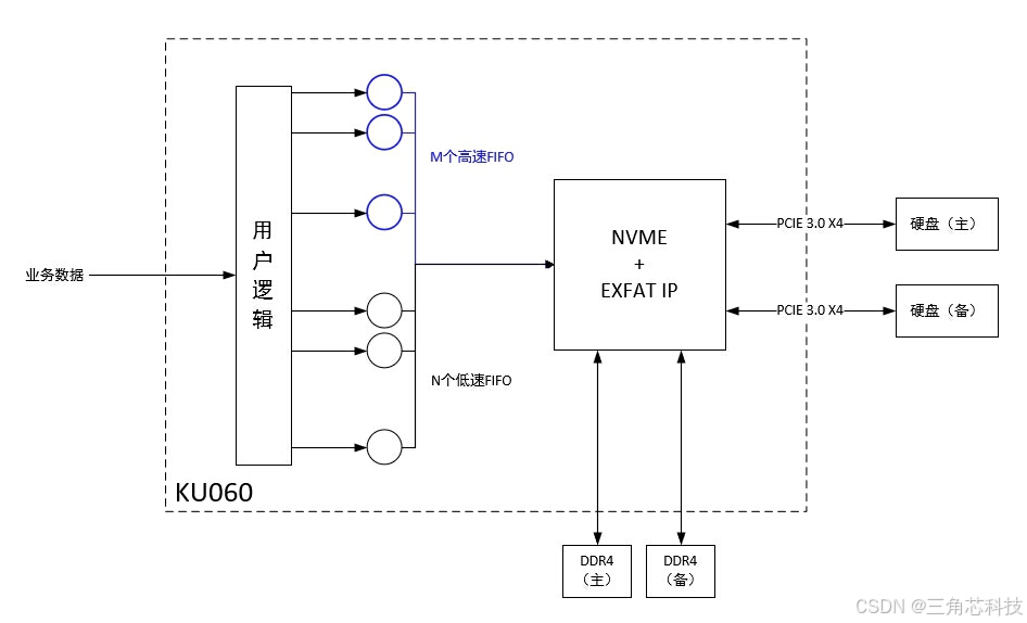
图2 - 存储部分方案
方案概述
(1)为了提升产品可靠性,对业务数据的存储,分为主、备两路,每一路均有独立的DDR芯片组和NVME硬盘,所存数据完全一致;
(2)数据存储时由KU060负责与硬盘交互,数据导出时由CPU负责与硬盘交互,交互通道均为PCIE 3.0 X4,由专用的通道选择芯片实现切换控制;
(3)KU060内部由用户逻辑(客户负责)和存储逻辑(NVME+EXFAT IP)组成,二者的交互界面为FIFO,且区分为M个高速FIFO和N个低速FIFO;
(4)每个FIFO形成一个独立文件,文件到4GB后,自动续接形成下一个独立文件,后缀数字连续,M+N个对应通道可以并发写入;
(5)存盘文件格式(仅.dat类型)与Windows兼容,写完的卡Windows系统可以直接看到文件并读出(即图中CPU的功能),不用任何转换;
(6)IP连续写入NVME SSD(三星970 EVO PLUS 1TB)的速度≥2.2GB/S(注:实际工程中,用户为保证数据记录的稳定性和可靠性会适当降速);
(7)IP可接收指令、反馈信息,如硬盘链接状态、格式化、剩余存储空间、写入速度、硬盘温度等状态信息,信息随时刷新。
交付案例二
项目背景
客户用于某D载数据记录仪,不详述。
总体介绍
应客户要求,仅做简要介绍,不详述,不附图:
选用 Zynq7000 或者 ZynqUltraScale 系列芯片,DDR 芯片挂载在 PS 端,硬盘挂载在 PL 端并由 NVME + EXFAT IP 进行数据读写及文件管理。
存储过程:数据首先到达 PS 端 DDR,然后经 DataMover 传送给 PL 端的 NVME + EXFAT IP 并写入硬盘中,该过程中的控制操作(创建文件、启动传送等)可由 PS 端通过 GP 口访问定制化的 IP 寄存器实现。
回放过程:与存储过程相反,数据从硬盘传送到 DDR,由用户进一步处理。
性能指标
不详述。有国产化方案。

4013

被折叠的 条评论
为什么被折叠?



