接前一篇文章:玩转SM16714PHT景观装饰驱动IC(1)
上一回对于明微电子的景观装饰驱动IC SM16714PHT进行了简介,再来回顾一下:

本回继续介绍。
一、概述
3. 芯片管脚图
SM16714PHT景观装饰驱动IC的芯片管脚图如下所示:

管脚具体说明见下表:
| 管脚序号 | 管脚名称 | 管脚说明 |
|---|---|---|
| 1 | OUTR | 恒流驱动端口 |
| 2 | OUTG | 恒流驱动端口 |
| 3 | OUTB | 恒流驱动端口 |
| 4 | GND | 接地端 |
| 5 | DOUT | 级联信号输出端 |
| 6 | DIN | 信号输入端 |
| 7 | VDD | 电源端 |
| 8 | OUTW | 恒流驱动端口 |
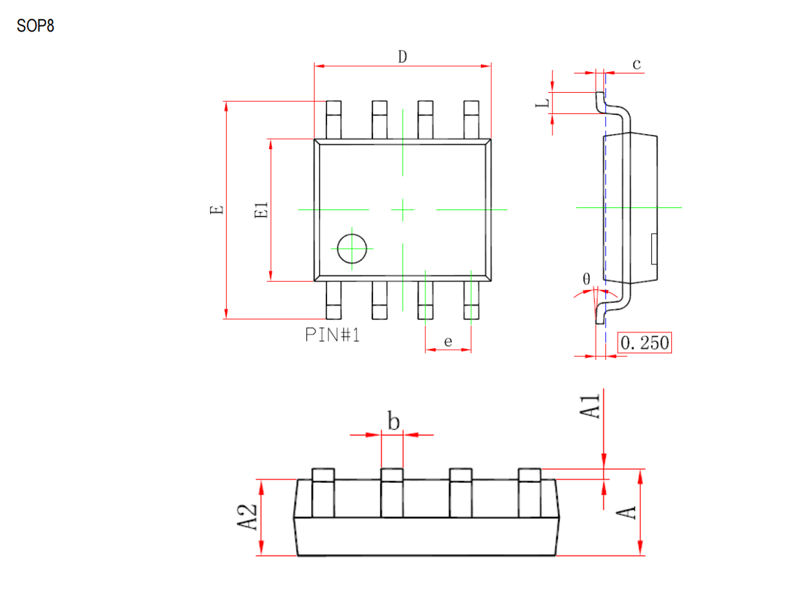
4. 封装形式与订购信息
- 封装形式

- 订购信息

5. 功能框图
SM16714PHT芯片的内部功能框图如下所示:

6. 特点
- 内置电源钳位,支持输入电源电压5~24V
- OUT R/G/B/W恒流输出范围2.5~40mA
- OUT R/G/B/W上电默认状态:关闭
- OUT R/G/B/W端口耐压26V
- OUT R/G/B/W输出灰度等级:256级
- OUT R/G/B/W各5bits电流增益调节位
- 同一帧显示数据同步刷新
- 采用单极性归零码数据协议
- 级联数据整形后输出,防止数据衰减
- 数据发送速率800Kbps
- 封装形式:SOP8
7. 应用领域
- 室内LED装饰照明
- 建筑外观/情景照明
- 点光源、穿孔字
- 软灯带、线条灯
更多内容请看下回。
45

被折叠的 条评论
为什么被折叠?



