基于量子细胞自动机的纳米通信网络极化编码器电路设计
摘要
基于量子细胞自动机的纳米通信已获得广泛的研究关注。研究人员已报道了多种基于量子细胞自动机的纳米通信架构。然而,在设计基于量子细胞自动机的纳米通信架构方面仍存在广阔的研究空间。本文在此方向上探索了极化编码器的设计与实现。极化码是一种实现可靠数据通信的技术,其通过具有上界 β< 1 2的渐近误差指数以指数级降低块错误概率。本文展示了在纳米尺度下基于量子细胞自动机的低功耗极化编码器电路设计,采用自下而上方法进行设计。同时展示了采用极化码的纳米通信架构。此外,探讨了在生成有效极化码过程中stuck‐at故障的影响,并提出了测试向量以促进编码器电路的正确实现。所提出的测试向量有助于实现100%故障覆盖率。所提出的极化编码器电路具有低耗散能量,通过能量耗散估算得以验证。器件面积和电路延迟表明,该极化编码器电路可在纳米尺度级别实现更快速度运行。仿真结果证明了编码器电路的设计精度。
1. 引言
量子点细胞自动机(Quantum‐dot cellular automata, QCA)是一种在纳米尺度级别上超越现有范式的新兴计算技术[1–3]。QCA通过量子细胞自动机单元的电荷构型或磁化来编码二进制值,并借助细胞间耦合技术实现信息处理。与互补金属氧化物半导体( CMOS)器件相比,QCA能够实现高器件密度、高集成度和高开关速度,同时具有极低的能量耗散[4–8]。迄今为止,已在QCA中完成了大量组合逻辑电路以及时序逻辑电路的设计与实现[9–13]。此外,处理器的直接设计方法[14]以及复杂的算术电路[15,16]进一步证明了QCA作为有前景的纳米计算器件的高效性。与传统逻辑电路相比, QCA具有固有的移位寄存器能力,从而在QCA器件中引入循环四相时钟[17]。由于这一固有特性,QCA的设计方法与传统方法有所不同。QCA的设计方法学电路已在多项研究中被探索。为了实现高性能和高器件密度,“运动中存储”[18]是存储方面的主要设计特征,而“线中逻辑”[17]则用于计算。在[19],中,基于导线长度、时钟区域宽度、浪费面积和物理反馈等参数,展示了QCA设计中与“布局=时序”相关的问题。这些参数被考虑用于高效且可靠的QCA电路设计。此外,研究人员还提出了多种设计规则,以实现QCA中数字电路的高效且可靠的纳米尺度设计[20–22]。基于量子细胞自动机的纳米通信已引起广泛的研究兴趣。研究人员已报道了多种基于QCA的纳米通信架构。然而,在设计基于QCA的纳米通信架构方面仍存在广阔的研究空间。本文在此方向上探索了极化编码器的设计与实现。极化码是一种前向纠错( FEC)技术,用于实现可靠的数据通信[23–25]。极化码以渐近误差指数的上界为基准,以指数级降低块错误概率 β< 1 2 。在通信中,接收端可能将‘0’误收为‘1’,或反之,这种情况十分常见。极化码方法在数据传输前向数字信息中填充冗余数据,其主要目标是在部分比特丢失的情况下,接收端能够利用这些冗余数据恢复原始信息。本文的贡献如下:
基于量子细胞自动机的纳米尺度极化编码器电路低功耗设计及其相应实现被展示。该设计采用自下而上的设计技术进行,实现采用单层方法进行。
还展示了带有极化编码器的纳米通信架构。
探索了生成有效极化码过程中的固定故障效应。提出了测试向量以促进编码器电路的正确实现。所提出的测试向量有助于实现100%故障覆盖率。
所提出的极化编码器电路具有较低的耗散能量,这一点通过估算能量耗散得到了验证。
•器件面积和电路延迟表明,极化编码器电路在纳米尺度级别能够以更快速度运行。
本文结构安排如下。第2节展示了量子细胞自动机概述。第3节探讨了前期工作。第4节绘制了极化编码器的构建和数据通信。第5节展示了在量子细胞自动机中的实现。第6节演示了电路复杂度、固定故障分析和能量耗散。最后,第7节总结了研究成果。
2. 量子细胞自动机概述
标准QCA单元由四个点组成的方形结构表示,其中包含两个电子 [1]。该结构如图1a所示。这些点通过隧道势垒连接,每个点可容纳一个电子。单元内的两个电子位于对角位置。二进制数字‘0’和‘1’由不同的状态决定,如图1a所示。基本QCA电路由具有确定构型的耦合QCA单元构成。反相器和多数门(MV)是QCA的基本器件 [2],,分别如图1b和c所示。多数门(MV)是一个三输入单输出门。最内层的单元是器件单元,其极化状态取决于相邻输入单元的多数状态。然后输出单元复制中心单元的极化状态。多数门的布尔逻辑为 M (a, b, c) = ab+ bc+ ca。当a、b、c中的任意一个永久置于逻辑‘0’时,多数门可实现两输入与门功能,即若c= 0,则MV(a, b, 0) = a • b,即为输入a和b的逻辑与。类似地,若c = 1,则MV(a, b, 1)= a+ b,即为输入a和b的逻辑或。因此,利用QCA器件可以实现任意数字逻辑功能。
QCA时钟机制对于实现电路的同步至关重要。一种通用的时钟方案[17,26]如图1d所示,包含四种相位:松弛模式、切换模式、保持模式和释放模式。量子细胞自动机单元在切换模式开始接收数据,随后在保持模式锁存数据。之后在释放模式将数据释放,并在松弛模式达到空状态,即无数据状态。量子细胞自动机电路被周期性地划分为四个相邻的时钟区域。每个时钟区域具有相同时钟信号,各信号之间依次偏移90度相位以控制数据流。在同一时钟区域内,所有量子细胞自动机单元处于相同的相位并同时切换。信息流动方向如图1d中曲线箭头所示。正是由于这种循环时钟方案,实现了量子细胞自动机固有的移位寄存器特性。
QCA 器件单元,(b) 多数门,(c) 反相器,和 (d) 时钟 ing.)
3. 相关工作
一些研究已提出用于纳米通信的量子细胞自动机架构[27–39]。在[27], 中,基于多路复用器(MUX)和解复用器(DEMUX)的路由器架构已在量子细胞自动机中实现,以使通道利用率达到最大值。在[28], 中,针对纳米计算通道的计算保真度使用量子细胞自动机(QCA)器件构成的电路在噪声信道中的性能已进行了估算,该噪声信道由QCA单元阵列组成。在测量过程中,考虑了阵列中的随机缺陷。与[27],相比,[29]提出了一种利用解复用器(DEMUX)、并入串出转换器(PISO converter)和交叉开关架构的纳米路由器电路。文中详细描述了该纳米路由器在信息路由方面的效率。在[30],中,实现了基于QCA的4位数据处理器电路,该处理器可执行多种功能,如信息预处理和S形函数生成。文献[31]提出了一种能够实现串行通信的鲁棒QCA架构,该架构包含PISO转换器、汉明码生成器、奇偶校验器和串入并出转换器(SIPO converter)。在[32],中,展示了涡轮编码器的设计方法及其在QCA中的实现。文献[33–37]探讨了可逆逻辑在QCA中的集成及其在纳米通信架构设计中的应用。此外,通过[38,39]提出了多种密码学与隐写术架构,以实现纳米通信过程中的安全性。在[40],中,展示了一种改进的QCA算术逻辑单元(ALU)设计,该ALU由2:1多路复用器(MUX)、两输入异或门和1位全加器电路组成,其基本操作包括与操作、或操作、异或操作和加法操作。在[41],中,两个输入/输出接口——数据锁存器和数据缓冲器——被分层设计并在QCA中实现,以实现内部和外部总线之间的数据传输,并对这两种方案进行了比较。[41],还解释了如何利用这些I/O接口克服传统三态门的问题。在[42]中探索了一种高效的QCA SRAM单元实现方案,该设计包含一个三输入多数门(MV)、一个五输入多数门和一个2:1多路复用器,同时精确描述了其结构强度和能效。在[43],中提出了一种新颖的可编程QCA电路,该电路采用交叉开关架构设计,可用于实现任意布尔逻辑,适用于设计和仿真面积高效、稳定且一致的QCA电路。文献[44]报道了一种鲁棒且高效的同步计数器设计,该设计由D触发器和边沿到电平转换器电路构成,并对其能量耗散进行了估算;相较于最新同类设计,该计数器在复杂性和能量耗散方面更具优势。为了提升冯·诺依曼架构下的处理速度并降低延迟,文献[45]在QCA中实现了内存中处理(PIM),并结合阿克尔斯阵列架构的QCA实现进行了设计,同时提出了基于该QCA阿克尔斯阵列的三输入异或门实现方案。在[46]中探索了基于QCA的单层设计与实现一种新型电路交换网络(CSN),该CSN的基本构建模块包括交叉开关、多路复用器和解复用器,并演示了控制信号在通过CSN进行通信过程中的影响。所有设计的功能正确性均通过仿真结果得到验证。在[47]中设计了一种可逆指纹认证电路,该电路采用费曼门实现并在QCA中构建,同时展示了使用该认证电路的认证过程,仿真结果证明了其设计精度。在[48],中提出了一种优化的弗雷德金门及其QCA实现,并进一步利用该弗雷德金门设计了一种可根据用户密码识别授权用户的认证电路。该QCA弗雷德金门在单元数量、延迟和器件面积方面均优于现有的QCA弗雷德金门,同时还估算了其在热随机性条件下的计算功能以评估电路稳定性。在[49]中阐述了基于电子密码本(ECB)的分组密码的QCA设计,并通过QCA技术实现;提出了一种能够生成分组密码的编码器电路,该电路亦可作为解码器电路使用。
4. 提出的纠错编码器
4.1. 极化码
极化码[23–25]是一种线性分组码,通常称为纠错码。通过短核码的递归级联来构造极化码,从而将物理介质转换为虚拟外层介质。当递归过程次数足够大时,虚拟介质将具有高可靠性(即高极化)或低可靠性(即低极化),信息比特被分配到最可靠的介质上。该码的设计旨在达到对称二进制输入离散无记忆信道(B‐DMC)的容量,并在容量差距上具有多项式依赖性。
定义1.
形式上,极化码由一个四元组 (N,R,A,uA) 定义,其中:
- N表示通过通信信道传输的信息比特的长度,即码块长度。
- R ∈[0, 1]表示码率,即每比特中包含的数据量。
- A ⊂{1, 2, 3…, N}表示信息集,即信息比特位置的集合。
- uc A ⊂ uA表示冻结比特,即具有固定数据的比特。这里,uc A ∈{0, 1} N ( 1 − R ) 。
定义2。 极化码是一种具有K个输入和N个输出的分组码,通常称为 (N; K)极化码,其码率为(K N)。设GN为具有N比特输入和N比特输出的极化码,其中N ={1, 2, 3…, N}。再次地,GN的输入是由行向量表示的ai(i = 1, 2, … .., N),即长度为N的行向量ai=(a1, a2, …, aN),该向量进入第i个输入端。类似地,GN的输出是由行向量表示的bi(i = 1, 2, … .., N),即长度为N的行向量bi=(b1, b2, …, bN),该向量从第i个输出端输出。则GN可定义为GN=(ai; bi),其中冻结比特为ac i ∈{0, 1}N(1− K N),即ac i ∈{0, 1}(N−K)。
4.2. 极化编码器
极化编码器的框图。)
图2显示了一个(8;4)极化编码器,即具有4个输入和8个输出的极化编码器,表示为G8。其中,ai=(a1, a2, …, aN)是输入,bi=(b1, b2, …, bN)是输出。实际上,该编码器有8个输入,其中4个输入为冻结比特(即固定值),其余4个输入端口可用于输入数据。冻结比特的值通常固定为‘0’,但也可以取其他值,此时该值必须为编码器和解码器所知。在图2中,a1,、a2,、a3和a5是冻结比特。输入集合a4,、a6,、a7,和a8构成信息集,记作A,因为数据位通过G8的第4、6、7和8个输入端口发送。A的补集记作Ac,称为冻结比特集合,即冻结集。需要注意的是,信息集A的选择取决于进行传输的数据通信信道,不同的通信信道会产生不同类型的信息集。设n为正整数,N =2 n。对于K ≤N,可以通过从{1, 2, 3…, N}的任意K元素子集中选择信息集A来构造(N; K)极化码。但必须谨慎选择A以获得良好的极化码。为了选择A,可以假设G8的所有输入均在没有冻结比特的情况下进行解码,并且需考虑每个输入的译码错误概率。这些错误概率完全依赖于通信信道(W)。因此,通过选择具有最低错误概率的A,可以获得针对通信信道(W)的最优极化码。
极化编码方案可以用包含N个节点的图来表示。图中的层数为(1+ log2N)。在每一层中,存在N个节点。由于计算从根节点(即源层)开始,并逐层进行。节点总数为N ∗(1+ log2N),即(N+ Nlog2N),这导致时间复杂度为O(Nlog2N)。
4.3. 使用极化编码器进行数据通信
图3展示了使用极化编码器的数据通信过程。通信按以下方式进行:
首先将选择信息集A ⊂{1, 2, 3…, N}。需要注意的是,信息集的选择取决于将要进行传输的数据通信信道,即不同的通信信道会产生不同类型的信息集。
•现在,向量uA中存在的(NR),即(N ∗ K K = K)个信息比特将与uc A中的N(1 − R)个冻结比特一起传输。•索引选择器将uA和uc A合并形成uN₁。•然后将uN₁作为输入送入极化编码器,将其变换为xN。这里,xN = uN GN,其中GN = log N。符号表示克罗内克积。
•现在,xN1通过通信信道(WN)进行传输。通信信道的输出为yN1。•在接收端,yN1将作为极化解码器的输入,该解码器对 yN1进行解码,并生成 ˆuN1,即uN1的估计值。
最后,索引选择器生成对应于 ˆuN 1的信息比特 ˆuA。
克罗内克积是一种重要的矩阵运算,支持大量快速、设计良好且实用的算法[50]。设 A 和 B 是两个矩阵,其中 A ∈ℜ x1×y1,B ∈ ℜ x2× y2,且 A =[a1211 a12 22] a a,B =[b123111 b12 b 13 33] 23 b b22 b b b32 b 。现在,这两个矩阵 A 和 B 的克罗内克积,表示为 A ⊗ B,是一个 x1 × y1 分块矩阵,其第i行和第j列的块,即 (i, j)块,是 x2×y2 矩阵 aijB。因此,A⊗B 可推导为[50]
A ⊗ B=[a11 a12 a21 a22] ⊗[b11 b12 b13 b21 b22 b23 b31 b32 b33]
= ⎡⎢⎢⎢⎢⎢⎣( a11b11 a11b12 a11b13 a11b21 a11b22 a11b23 a11b31 a11b32 a11b33)(a12b11 a12b12 a12b13 a12b21 a12b22 a12b23 a12b31 a12b32 a12b33)
(a21b11 a21b12 a21b13 a21b21 a21b22 a21b23 a21b31 a21b32 a21b33)(a22b11 a22b12 a22b13 a22b21 a22b22 a22b23 a22b31 a22b32 a22b33)
⎤⎥⎥⎥⎥⎥⎦.
克罗内克积也称为直积或张量积。克罗内克积[50]的四个基本特性如下。
(1) (A ⊗ B) T = A T ⊗ B T . (2) (A ⊗ B) − 1 = A− 1 ⊗ B− 1 (3) (A ⊗ B) ⊗(C ⊗ D) = AC ⊗ BD(4)A ⊗(B ⊗ C) = (A ⊗ B) ⊗ C.
本文主要使用克罗内克积来表示发送端模块输出x1N的值,即u1N GN GN=(1 0 0) ⊗log2N .
4.4. GN的构造
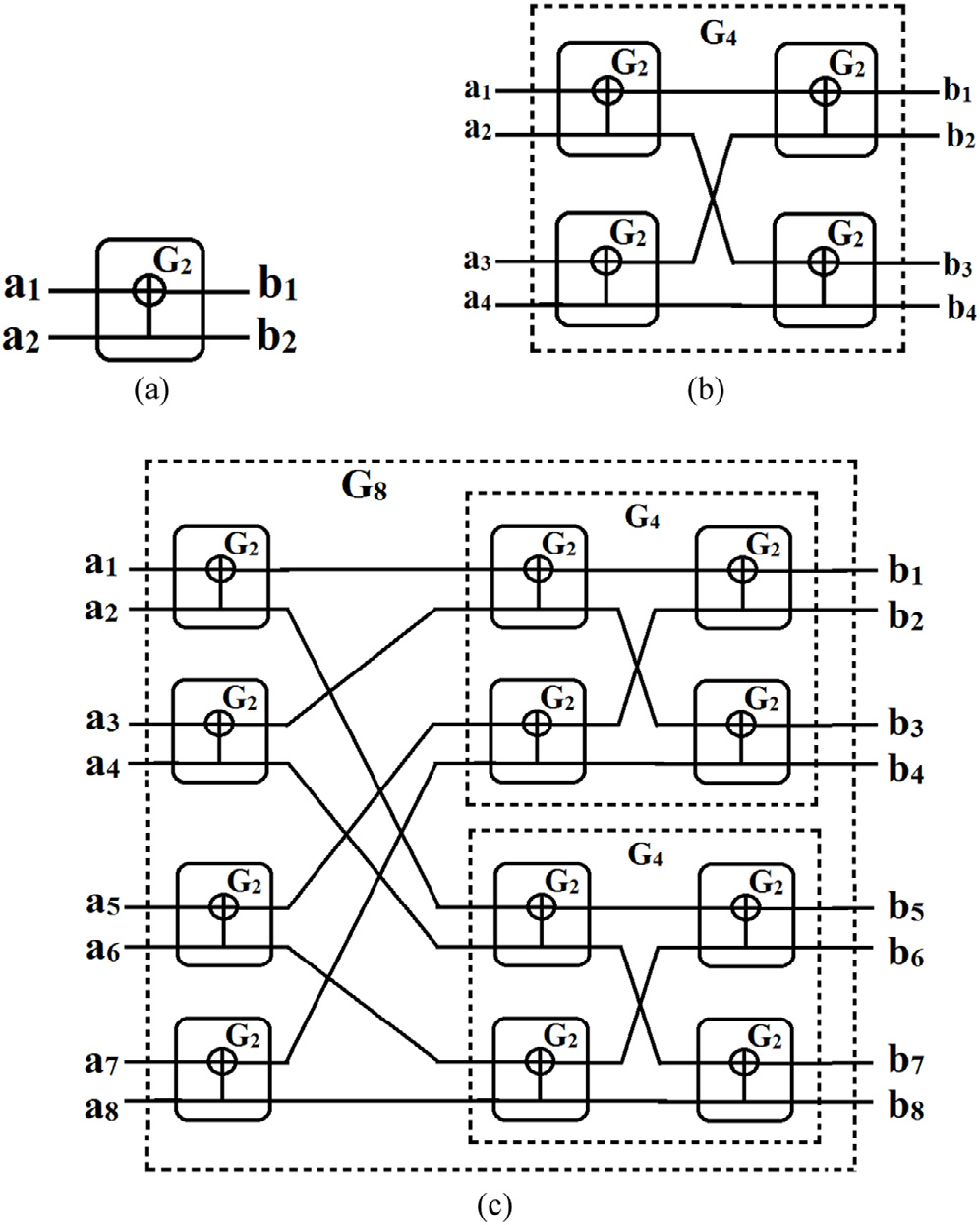
GN可以根据简单的递归规则来定义。在本节中,已对G8进行了构造。为了获得G8,的结构,首先构造了G2。然后利用G2,的结构形成了G4。最后,使用G2和G4,构建了G8的结构。
4.4.1. G2的构造
G2有两个输入(a1,a2)和两个输出(b1,b2),如图4a所示。输入‐输出映射如公式(1)和(2)所示,其中⊕表示异或操作。由(1)和(2)可知,输出b2与输入a2相同,输出b1是输入a1和a2的异或值。因此,仅需单个异或操作即可构建如图4a所示的G2,结构。
b1 = a1 ⊕ a2 (1)
b 2 = a 2 (2)
G2(b) G4和 (c) G8。)
4.4.2. G4的构造
将四个 G2,副本连接起来,G4的结构可轻松构建,如 图4b 所示。从输入(a1,a2,a3,和 a4)到输出(b1, b2,b3,和 b4)的映射通过 (3)–(6) 给出。
b1= a1 ⊕ a2 ⊕ a3 ⊕ a4 (3)
b2= a3 ⊕ a4 (4)
b3= a2 ⊕ a4 (5)
b4= a4 (6)
4.4.3. G8的构造
连接 f 我们的 G2副本和两个 G4,的结构可以如 G8所示,见 图4c。从输入ai(i= 1, 2, 3,...., 8) 到输出 bi(i= 1, 2, 3,...., 8) 的映射通过 (7)–(14) 给出。
b1 = a1 ⊕ a2 ⊕ a3 ⊕ a4 ⊕ a5 ⊕ a6 ⊕ a7 ⊕ a8 (7)
b2 = a5 ⊕ a6 ⊕ a7 ⊕ a8 (8)
b3 = a3 ⊕ a4 ⊕ a7 ⊕ a8 (9)
b4 = a7 ⊕ a8 (10)
b5 = a2 ⊕ a4 ⊕ a6 ⊕ a8 (11)
b 6 = a 6 ⊕ a 8 (12)
b7= a4 ⊕ a8 (13)
b8= a8 (14)
5. 所提极化编码器的量子细胞自动机实现
本节探讨第 4 节所构建的极化编码器的量子细胞自动机实现。
5.1. G2的实现
构造G2需要一次异或操作,如(1)和(2)所述。因此,一个量子细胞自动机异或电路[51,52]足以实现G2的量子细胞自动机实现,对应于图4a,如图5a所示。图5a的量子细胞自动机布局如图5b所示。使用QCA设计器工具[53]对设计进行仿真。采用阿贝迪等人[21]提出的导线交叉技术来实现G2的量子细胞自动机实现(图5b)。利用QCADesigner四相时钟方法中两个时钟区域的优势,可在量子细胞自动机中实现单层导线交叉[21]。阿贝迪等人[21]证明,时钟区域0和时钟区域2可在导线交叉设计中一起使用,时钟区域1和时钟区域3同样如此。因此,为实现所提出设计的单层结构,本文采用了基于时钟区域的实现方法[21]。考虑采用欧拉方法与相干矢量方法执行仿真。参数如下:温度 1.0 开尔文,弛豫时间 1.0e−015秒,时间步长 1.0e−016秒,总模拟时间 7.0e−011秒,收敛容差 0.001000,样本数量 12800,时钟高电平 9.8e−22焦耳,时钟低电平 3.8e−23焦耳,时钟偏移 0.0e+000,作用半径 80 纳米,相对介电常数 12.9,时钟幅度因子 2,层间距 11.5 纳米。单元高度 20 纳米,单元宽度 20 纳米。基于量子细胞自动机的多数逻辑门的方程等效于(1)和(2),如(15)–(16)所示。
b2= a2 (15) b1= MV(MV(a1, a2, 0), MV(a1, a2, 0), 1) (16)
仿真结果对应于图5b 绘制在图5c 中。矩形框用于显示有效输出。从图5c 可以看出,当a1 = 0,a2 = 0时,输出为b1 = 0和b2 = 0。当a1 = 0,a2 = 1时,输出为b1 = 1和b2 = 1。类似地,所有输出均根据输入出现。该结果与理论值一致,从而证明了设计精度。此外,从图5c 还可以看出,输出比输入延迟一个时钟周期,即有效输出出现在第二个时钟周期。
示意图,(b) 布局,和 (c) 仿真波形。)
5.2. G4的实现
构造G4需要两个G2的副本。因此,使用两个G2,的量子细胞自动机电路,可以实现对应于G4的图4b 的设计,如图6a 所示。图6a 的量子细胞自动机布局如图6b 所示。使用QCA设计器工具对设计进行仿真。
图6c显示了对应于图6b的仿真结果。矩形框用于标示有效输出。从图6c可以看出,当输入为a1= 0、a2= 0、a3= 0和a4= 0时,输出为b1= 0、b2= 0、b3= 0和b4= 0;当输入为a1= 0、a2= 0、a3= 0和a4= 1时,输出为b1= 1、b2= 1、b3= 1和b4= 1。类似地,所有输出均按照输入组合依次出现。因此,该结果与理论值一致,从而证明了设计精度。此外,从图6c还可以注意到,输出比输入延迟了三个时钟周期,即有效输出出现在第四个时钟周期。
5.3. G8的实现
构造G8需要四个G2副本和两个G4副本。因此,使用四个G2的量子细胞自动机电路和两个G4,的量子细胞自动机电路,可实现对应于G8的图4的量子细胞自动机电路如图7a所示。图7a的量子细胞自动机布局如图7b所示。使用QCA Designer工具[53]对设计进行仿真。现在,如果图7 1 , b中的输入2 , a3 , 和a5 被设置为‘‘0’’,即视为冻结比特,则该电路将作为(8; 4)极化编码器工作。在这种情况下,图7 4 , b中的输入6 , a7 ,和a8 将被视为数据位。(8; 4)极化编码器的量子细胞自动机布局如图8a所示。可以看出,图7b与图8a在结构上基本相同,仅有细微差异。图7b中的输入单元1 , a2 ,a3 ,和a5被固定极化单元替代,即极化 = −1。0[53]因此,图7b将作为(8; 4)极化编码器工作。因此,图7b表示G8没有固定极化输入单元,而图8a表示具有四个固定极化输入单元的G(8; 4)如。图8a所示的(8; 4)极化编码器对应的仿真结果在图8b中进行了描述。矩形框用于表示有效输出。图8b显示,当所有冻结比特即a1, a2,a3,和a5均设置为零时,对于数据位a4= 0、a6= 0、a7= 0、a8= 0,其输出为b1= 0、b2= 0、b3= 0、b4= 0、b5= 0、b6= 0、b7= 0和b8= 0;对于数据位a4= 0、a6= 0、a7= 0、a8= 1,其输出为b1= 1、b2= 1、b3= 1、b4=1、b5= 1、b6= 1、b7= 1和b8= 1。类似地,所有输出均根据数据位依次出现。因此,该结果符合理论值,从而证明了设计精度。此外,从图8b还可以注意到,输出比输入延迟了六个时钟周期,即有效输出出现在第七个时钟周期。
(a) 布局,(b) 仿真波形。)
6. 讨论
6.1. 所提出电路布局的复杂度
所提出的QCA布局的复杂性在表1中表现突出。评估基于QCA门、器件面积、使用单元和电路延迟。可以看出,G8和G(8;4)的电路复杂性相同。但两者在固定极化QCA单元的数量上存在差异。G8没有固定极化的输入单元,而G(8;4)有四个固定极化的输入单元。此外,G8共有36个固定极化QCA单元,而G(8;4)共有40个固定极化QCA单元。
6.2. 极化编码器电路中的 stuck-at 故障效应
任何基于数字逻辑门的设计都必须具有最大故障覆盖率,以提供无故障设计[54]。在本节中,描述了固定故障对所设计电路的影响。考虑了卡在零(即‘s‐a‐0’)和卡在一(即‘s‐a‐1’)的故障。已对输入和输出处的故障进行了分析。
表2 说明了G2上的固定故障影响。由表2 可知,若输入a1处于s‐a‐0 状态,则对于输入‘‘10’’将生成无效代码‘‘00’’。但输入‘‘10’’的有效代码应为‘‘10’’。因此,通过比较输入‘‘10’’的有效代码和无效代码,可检测到a1处的‘‘s‐a‐0’’故障。因此,在该情况下, ⟨10⟩可被视为测试向量。另一方面,若输出b1处于s‐a‐0状态,则对于输入‘‘01’’将生成无效代码‘‘01’’。但输入‘‘01’’的有效代码应为‘‘11’’。因此,通过比较输入‘‘01’’的有效代码和无效代码,可检测到b1处的‘‘s‐a‐0’’故障。因此,在该情况下, ⟨01⟩可被视为测试向量。以此类似方式,针对所有输入和输出,对G2中的故障进行了分析,并在表2中列出。对G4的固定故障影响可进行(附录A),同样也可对G8和G(8; 4) 进行固定故障影响分析。
6.3. 故障覆盖率
表3显示,测试向量 ⟨00,01, 10⟩在G2处发生单输入/输出故障时具有100%故障覆盖率。但在G2处发生多输入/输出故障时,仅需测试向量 ⟨01, 10⟩即可实现100%故障覆盖率。因此,组合起来,测试向量 ⟨00,01, 10⟩是实现G2处所有单或多输入/输出故障的100%故障覆盖率所必需的。另一方面,如表4所示,在G4处仅需三个测试向量 ⟨0000, 0001, 1111⟩即可实现所有单或多输入/输出故障的100%故障覆盖率。
6.4. 能量耗散
能量估算使用汉明距离(H d )方法[55]进行。每个部分都存在相同的能量耗散量子细胞自动机单元[55,56]。每个量子细胞自动机电路的能量耗散等于量子细胞自动机设计中所有逻辑门耗散的能量[55]。耗散能量取决于输入到量子细胞自动机逻辑门的组合。量子细胞自动机器件的输入变化通过 Hd 来测量。例如,当发生 0→0输入切换或 1→1输入切换时,量子细胞自动机反相器将具有 Hd = 0。但是,对于0→1输入切换或 1→0 输入切换,H d = 1。类似地,多数门在输入切换 000→000时将具有 Hd = 0。基于这些汉明距离,多数门和反相器的耗散能量反相器在[55]中进行了研究。如G2,的所提出的QCA布局,如图 5(b)所示,包含三个多数门和两个反相器。所有多数门均有一个固定输入。因此,每个多数门具有Hd= 2。但提供给Hd反相器的值将为零或一。在不同隧穿能量(γ)和不同Hd水平下的能量耗散如表 5[55]所示。采用[55],的方法,估算了G2电路的能量耗散。为了获得最大值和最小值的能量耗散,针对量子细胞自动机反相器考虑了 Hd = 1和Hd = 0。
(1) 在 γ= 0.25Ek:
最大能量耗散 (G2max) = (3× 25.3) + (2× 28.4) = 132.7 毫电子伏特。
最小值 能量耗散 (G2min) = (3 × 25.3) + (2 × 0.8) = 77.5 毫电子伏特。
平均能量耗散 (G2avg) = (G2max + G2min) / 2 = 105.1 毫电子伏特。
(2) At γ= 0.5Ek:
Maximum Energy Dissipation(G2max)=(3× 26.4)+(2× 28.6) = 136.4 meV.
Minimum Energy Dissipation(G2min)=(3 × 26.4)+(2 × 2.7) = 85.2 meV.
平均值能量 D ss pat on G2avg = G2max+G2min 2= 118.3 毫电子伏特。
(3) 在 γ= 0.75Ek 时:
最大能量耗散 (G2max) = (3× 28.0) + (2× 29.3) = 142.6 毫电子伏特。
最小能量耗散 (G2min) = (3 × 28.0) + (2 × 5.2) = 94.0 毫电子伏特。
平均能量耗散 (G2avg) = (G2max+ G2min)/2 = 105.1 毫电子伏特。
(4) At γ= 1.0Ek:
Maximum Energy Dissipation(G2max)=(3× 29.8)+(2× 30.2) = 149.8 meV.
最小能量耗散 (G2min) = (3 × 29.8) + (2 × 8.0) = 105.4 毫电子伏特。
平均能量耗散 (G2avg) = (G2max+ G2min)/2 = 127.6 毫电子伏特。
这里,Ek是扭结能量。对其他提出的QCA设计也进行了类似的估算。结果如图9所示。可以看出,尽管G8和G(8; 4)的输入和输出数量相同,G(8; 4)的耗散能量比G8低两倍。这是由于G(8; 4)设计中的冻结比特,即固定输入所致。为了更好地理解布局的耗散能量,相关结果在附录B中进行了探讨。
7. 结论
本文提出了一种极化编码器电路的纳米尺度设计及其在QCA平台上的实现。采用自下而上方法以降低设计复杂度。该实现位于单一层中,有助于减少器件制造过程中的复杂性。通信架构展示了与极化编码器的通信过程。固定故障效应分析有助于提供无故障的设计。提出的测试向量足够强大,可实现100%故障覆盖率。仿真结果证明了编码器电路的设计精度。器件面积和电路延迟表明,极化编码器电路在纳米尺度下能够以更快速度运行。所提出的极化编码器电路还具有低耗散能量,通过估计能量耗散得以确认。
34

被折叠的 条评论
为什么被折叠?



