经典七管半导体超外差式调幅(AM)收音机(恒兴HX-6B)电路深度剖析介绍(上)
收音机虽然已经渐渐淡出人们的生活,但是其典型的电路常常会被作为高频通信电子线路、无线电通信或电磁场与电磁波等课程的案例来讲解,毕竟其电路知识能够涵盖无线电通信接收机的所有基本知识,可谓麻雀虽小五脏俱全。
高频通信电子线路课程案例讲解——经典七管半导体超外差式调幅收音机(恒兴HX-6B)电路深度剖析介绍(附演示PPT和分析报告),共上下两篇文章,本文为第一篇,上篇。
上篇主要对经典七管半导体超外差式调幅收音机(恒兴HX-6B)电路一些基本的知识和电路总体的框架原理进行介绍。
更加深层次的具体的七管半导体超外差式调幅(AM)收音机(恒兴HX-6B)电路原理剖析,请阅读下篇。链接地址如下:
https://blog.youkuaiyun.com/meenr/article/details/124549895
目录
1 无线电的收发应用
1.1 无线电广播
无线电广播是一种利用电磁波传播声音信号的手段。它的基本组成框图见图1.1。

图1.1 无线电广播系统的基本组成
1.1.1 无线电发射的基本原理
一台广播发射机应该包括四个部分:一是声音的变换与放大,这一部分的频率较低,叫做低频部分;二是高频振荡的产生、放大、调制和高频功率放大,统称高频部分;三是天线与传输线;四是直流电源部分。

图1.2 无线电广播发射原理框图
1.1.2 无线电接收基本原理
由发射机发出的无线电波,经接收机天线接收,转变为感应电势。从天线感应出的不同频率的已调波信号中选出所需信号的任务由输入电路承担。而输入电路选出的信号,仍是已调波信号,不能用它去直接推动耳机或喇叭,还必须把它恢复成音频信号。这种从已调波信号中检出音频信号的过程,叫做检波或解调。
1.1.3 名词解释
(1)载波
高频振荡电路产生的高频、等幅的用来运载音频信号的无线电磁波,叫做载波。载波是运输工具,起运载低频信号的作用。
(2)调制
用低频信号控制高频载波的过程叫做调制。

图1.3 三种调制方式信号波形区别
载波信号的调制方法有三种:①调幅(AM)、②调频(FM)、③调相(PM))
①使载波的幅度按调制信号变化的过程称为调幅(AM);
②使载波的频率按调制信号变化的过程称为调频(FM);
③使载波的相位角按调制信号变化的过程称为调相(PM)。
被调制后的载波称为已调波,已调波按调制方式的不同分别称为调幅波、调频波和调相波。目前无线电广播常用的已调波为调幅波(AM)和调频波(FM)两种,其对应的信号波形见图1.4。

图1.4 AM与FM调制波形变化
(3)解调
从已调波中,将低频调制信号还原出来的过程。解调是调制的逆过程,对应三种调制方式,解调也有三种:
①检波:调幅的解调过程称为检波;
②鉴频:调频的解调过程称为鉴频;
③鉴相:调相的解调过程称为鉴相。
1.2 收音机分类
常见的收音机主要有直放式和超外差式两种:
1.2.1 直放式
直放式收音机电路简单,一般只用1-4只晶体管和一些基本元件。易于安装调试,成本低,但它的灵敏度低,选择性不太好。直接放大式收音机的灵敏度比较低,只能接受本地区强信号的电台,接收远地电台的能力较弱,它的选择性差,接收相邻频率的电台信号时存在串台现象。
1.2.2 超外差式
把接收到的电台信号与本机振荡信号同时送入变频管进行混频,并始终保持本机振荡频率比外来信号频率高465kHz,通过选频电路取两个信号的“差额”进行中频放大。这种电路就叫做超外差式电路。
表1.1 无线电波的频(波)段划分表

调幅广播主要是中波,中波波长范围是:100~1000m,频率范围是:300kHz~3MHz,而中波的广播频段是:535~1605kHz。下面将根据电路图来分析一款典型的七管半导体超外差式调幅收音机的原理。
2 七管半导体超外差式调幅收音机
2.1 原理框图
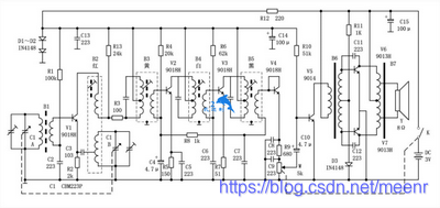
无线电广播接收机——本文中的七管半导体调幅收音机对应的原理框图如图2.1所示。超外差式收音机由天线、输入回路、混频器和本振构成的变频器、中频放大器、检波器、前置低频放大器、功率放大器、扬声器和自动增益控制电路组成。七个三极管对应着构成了混频器、中频放大器、检波器、前置低频放大器和功放五个功能电路。

图2.1 HX108-2电路原理框图
2.2 整体原理图
从图2.2可见,整个电路中含有7只三极管,因此称为7管收音机。由七管半导体超外差式中波调幅收音机电原理图可知:它含有七个三极管,分别构成并对应着某一个功能模块的子电路。它是一个典型的全波段收音机电路图。
其工作的大致过程:将接收到的高频信号通过输入电路后与收音机本身产生的一个振荡电流一起送入变频管内进行“混合”(混频),混频后在变频级负载回路(选频)产生一个新的频率(差频),即中频(465kHz),然后通过中放、检波、低放、功放后,推动扬声器发声。当然,还要求对振荡频率进行调节(f振-f信 = 465kHz),并能调节音量的大小。
根据原理图指找出信号流向的通路。通常,输入在左方、输出在右方(面向电路图)。信号传输的枢纽是有源器件,所以可按它们的连接关系来找。

图2.2 HX108-2电路原理图
在图2.2中从左向右看过去,此电路的有源器件有V1为xx管、V2与V3为xx管、V4为xx管、V5为xx管、V6与V7为xx管,因此可大致推断信号是从V1的基极输入,经过xx后产生中频信号,再经过两级xx,然后由检波器把中频信号变成音频信号,最后经过低放、功放后送至扬声器。找出信号的通路后,电路的主要组成部分也就可以表示出来了。
沿信号的主要通路,根据各基本单元电路或功能电路,将原理图分成若干具有单一功能的部分。根据上述通路可清楚地看出,整个电路可分别以V1及V4为界分成三部分,称之为xx级(包括输入调谐)、xx级(包括检波级)和xx级(包括扬声器输出)。
上篇完
`
高清图片与Multisim,在公众号地址可获得。
`
更多内容
建议阅读完本文后再去阅读下篇,链接地址如下:
下篇链接:
https://blog.youkuaiyun.com/meenr/article/details/124549895
公众号地址:
https://mp.weixin.qq.com/s/ynG-dNNqO8kjIdf6ZFiZbg
优快云主页地址:
https://blog.youkuaiyun.com/meenr
本文中部分图表来源于网络,如侵权,请联系作者,立删

本文深入剖析了经典七管半导体超外差式调幅收音机(HX-6B)的工作原理,介绍了无线电广播的基本原理、收音机分类,特别是直放式与超外差式的区别,并详细讲解了超外差式收音机的电路结构,包括原理框图和整体原理图。
4918

被折叠的 条评论
为什么被折叠?



