1.电感就是一根导线加一个磁性材料
2.电感的基本特性:流过电感的电流不能突变。
常见电路中,电感只能改变电路中的电流变化速度,但是不能改变电路的电流最大值(电感充满电后就相当于一根导线了);
电感流过电流时,如果电感回路的电阻突变变得很大,电感会感生出一个很高的电压,此时容易击穿器件,所以应用电感时,必须要考虑电感的续流回路;
电感的感抗计算公式:

3.滤波
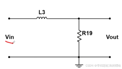
3.1 RL低通滤波(低通滤波电路可以让低频的信号流过,衰减高频信号)(适用于大电流)
截止频率:当Vout=0.707Vin时的输入频率f

3.2 RL高通滤波(高通滤波电路可以让高频的信号流过,衰减低频信号)

***只适用于没有直流偏置的信号(直流过不去)
3.3 LC低通滤波 (注意谐振频率,可以预留电阻以限制谐振增益)

3.4 LC串联谐振
***LC谐振电路原理***

***LC谐振电路加入电阻***


3.5滤波器
3.5.1基本介绍

3.5.2在线计算工具
RC滤波器截止频率在线计算器_RC高通滤波器截止频率_RC低通滤波器截止频率_RC截止频率计算器 - 电子发烧友(www.elecfans.com)
3.5.3 共模信号与干扰


3.5.4差模信号与干扰

2485

被折叠的 条评论
为什么被折叠?



