基于CJFET的低温缓冲放大器动态参数改进电路设计方法
1. 引言
创建低温环境低温下处理传感器信号的ic电子作为模拟IP模块,是医疗和航天仪器自动控制系统专用硬件实现中的一个紧迫问题。这类电子元器件基础基于结型栅场效应(JFET)和互补金属氧化物半导体(CMOS)晶体管[1‐3]实现。现代基于互补场效应晶体管(CJFETs)[4,5]的模拟接口和微电路中,经典缓冲放大器(BA)运行的一个显著问题是其在大脉冲信号模式下速度较低。这与输出结型场效应管栅极电路中存在的小寄生电容C1=1‐2 pF [4,5]及其非线性工作模式[6]有关。该缺点与输出结型场效应管栅极电路中存在小寄生电容C1=1‐2 pF [4,5]以及其工作时的非线性模式[6]相关。
本文的目的和创新之处在于开发并研究CJFET缓冲放大器的新电路解决方案。目前,它们作为独立的功能单元,应用于物理实验[7‐10]任务中,以及低温和抗辐射传感器接口[11,12]的结构中。
2. 单端互补场效应晶体管缓冲放大器
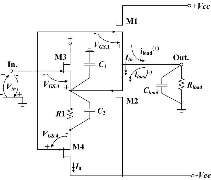
建议的低温缓冲放大器电路(图1a)[4]具有特殊性,因为在此电路中,通过合理选择电阻 R1,使M1晶体管在小(微安级)源极电流下达到最大栅源电压,从而稳定了流经输出结型场效应管的小静态电流I th 。这使得在宽温度范围内可设置I th 的最小值,并消除缓冲放大器幅值特性中的死区。输出级(图1a)在宽温度范围和负载电阻范围R load =2‐100 kΩ[4]内表现出线性特性,且静态电流消耗较低。
及其输出电压下降沿的瞬态 (b))
该电路(图1a)在输入电压发生较大的负向变化时,强制对寄生电容C1进行快速充电。因此,在指定的动态误差范围(10%)内,瞬态建立时间tset (图1b)得以缩短。当输入阶跃信号Vin=3V时,缓冲放大器的压摆率(SR)在下降沿从20 V/μs提高到150‐180 V/μs。
我们对联合股份公司“Integral”(白俄罗斯明斯克)的模型库CJFET_5中的n沟道(M1和 M3)和p沟道(M2和M4)晶体管构成的图1a电路进行了计算机仿真,这些晶体管的栅极宽度与长度之比分别为p‐JFET的50 μm/6 μm和n‐JFET的260 μm/6 μm。图1a电路中引入了以下符号:+Vcc / ‐Vee表示正/负母线电源;C2为微分校正电容;Cload为负载容量;iload为负载电流;VGS.i为第 i个M1‐M4晶体管的栅源电压。
2.1. 基于单端缓冲放大器的差分级
缓冲放大器(图1a)电路可作为多种AB类模式下工作的差分级(图2,[13])的改进基础,这些差分级在开发具有高压摆率[6]的运算放大器(运放)时具有前景。
在图2电路中,引入了以下符号:‐Vee为电源总线上的负电压;Out.i1、Out.i2为直流电流输出;C1, C1*为寄生电容;C2, C2*为微分校正电容;M1‐M8为联合股份公司“Integral”(白俄罗斯明斯克)的n沟道和p沟道CJFET;I0为静态电流;VGS.i为第i个晶体管M1‐M8的栅源电压。
差分级的传输特性(图2)如图3所示。它显示直流工作在AB类模式,这显著改善了运放[13]的压摆率和t set 。
3. 具有微分校正电路的平衡缓冲放大器
可以应用上述架构的缓冲放大器来开发平衡缓冲放大器 14 。
及其在高输入脉冲信号 Vin =V0 , 接近电源电压Vcc时的瞬态 (b))
电阻R1为晶体管M1-M4设置静态工作模式。电容器C3 迫使寄生电容C1 和C2重新充电。当存在大幅值正极性脉冲输入信号且无电容器 C3 ,时,图4a电路中的晶体管M1几乎立即被截止,电容器 C1 通过相对较小的电流 I0 充电。这导致BA输出端电压以较大的时间常数缓慢上升(图4b)。
$$ \tau \approx CR $$
当电容器C3导通时,寄生电容器C1通过校正电容器C3被额外电流充电,其中C3的电容值选择得显著大于电容C1。此时,电路中的瞬态过程(图4b)显著加快。
通过电阻的静态电流由基于基尔霍夫电流定律的方程确定:
$$ 0 = V_{GS.1} + V_{GS.2} - V_R $$
$$ I_0 = \frac{V_{GS.1} + V_{GS.2}}{R_1} $$
其中分别为场效应晶体管 M1 和 M2 的栅源电压 $ V_{GS.1}, V_{GS.2} $。
具有与 M2 和 M3(M1 和 M4)相同特性的场效应晶体管 M3 和 M4 的静态电流,同样由以下方程确定
$$ 0 = V_R - V_{GS.3} - V_{GS.4} $$
$$ I_0^ = \frac{V_{GS.3} + V_{GS.4}}{R_1^ } $$
3.1. Computer Simulation for Transient Processes in 平衡缓冲放大器 at 低温环境 ic Temperatures
在LTspice软件中对缓冲放大器(图4a)进行电路研究时,使用低温下的CJFET模型[15], (见图5和图6),发现了瞬态过程。
引入微分电容器C3显著缩短了瞬态过程的建立时间,这一点从图5和图6的曲线分析中可以看出。
图7显示了在不同电阻下,所提出的缓冲放大器在低温时的幅值特性。
3.2. 基于平衡缓冲放大器的高速桥式输出级
上述讨论的平衡BA拓扑结构(图4)可用于桥式输出级(图8),其中负载在两个相同的BA(图4a)之间切换 [14]。
桥式BA图8的输出电流随负载电流R load 的变化关系,以及基于该电路的差分级的输出电流,如图9所示。它通过改变图8电路中并联输出晶体管的数量,可以增加负载电流的最大值。
4. 结论
本文提出了一种新的电路技术,用于提高基于互补结型场效应晶体管(CJFET工艺流程,白俄罗斯 明斯克联合股份公司“Integral”)的低温缓冲放大器的工作速度。所提出的电路可在低温(低至‐197°C)下工作,并且由于采用了CJFET晶体管,在受到 60Co γ射线以及能量为6兆电子伏特的快电子(注量高达1 • 1016 el./cm2[15] )辐照时具有抗辐射能力。文章表明,所提出的电路解决方案可使输出电压的压摆率和大输入脉冲信号下的瞬态建立时间提高5-10倍。

被折叠的 条评论
为什么被折叠?



