存储器类型

SDRAM:Synchronous Dynamic Random Access Memory
同步动态随机存储器
优点:空间存储量大、读写速度快、价格相对便宜
缺点:控制逻辑复杂
SDRAM寻址

SDRAM的存储空间被划分为4个L-Bank,在寻址时需要先指定其中一个L-Bank,然后在这个选定的L_Bank中选择对应的行与列进行寻址。
SDRAM存储容量

上图中存储单元容量就为数据的位宽大小
SDRAM总存储容量=L_Bank的数量 x 行数 x 列数 x 存储单元容量
存储单元:1bit时候的示意图

行地址与列地址宣统使得存储电容与数据线导通,从而可进行放电(读取)与充电(写入)操作。
SDRAM功能框图

SDRAM操作时序
- 初始化
SDRAM芯片在上电之后需要一个初始化的过程

模式寄存机的设置(MRS):Mode Register Set

模式寄存器设置周期(tRSC):Register Set Cycle - 读写操作
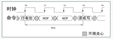
行激活
无论是读操作还是写操作,都要先激活(Active)SDRAM中的一行,使之处于有效状态,因此又称为行有效

SDRAM芯片的“片选”和L_Bank的“定址”与行激活同时进行。
列读写
行地址激活之后,就要对列地址进行寻址了。读写命令是与列寻址信号同时发出的。

在发送列读写命令时必须要与行激活命令有一个时间间隔,这个间隔被定义为IRCD,即RAS to CAS Delay(RAS 至CAS延迟)

数据输出(读)
在CAS发出之后,要经过一定的时间才能有数据输出
从CAS与读取命令发出到第一笔数据输出的这段时间,被定义为CL,即CAS Latency(CAS潜伏期,又称读潜伏期)

数据输入(写)
数据与写指令同时发送,不过,数据并不是即时地写入存储单元,数据的真正写入需要一定的周期。
为了保证数据的可靠写入,都会留出足够的写入/校正时间(tWR, Write Recovery Time),这个操作也被称为写会(Write Back)。

突发长度
突发(Burst)是指在同一行中相邻的存储单元连续进行数据传输的方式,连续传输所涉及到存储单元(列)的数量就是突发长度(Burst Lengths,简称BL)。

在MRS极端除了要设定BL数值之外,还要确定“读/写操作模式”以及“突发传输模式”
数据掩码
在突发传输过程中,为了屏蔽不需要的数据,人们采用了数据掩码(Data I/O Mask,简称DQM)技术。
通过DQM,内存可以控制I/O端口取消那些输出或者输入的数据。
DQM一次只能屏蔽一字节的数据(8bit)


预充电
在对SDRAM某一存储地址进行读写操作结束后,如果要对统一L-Bank的另一行进行寻址,就要将原来有效(工作)的行关闭,重新发送行/列地址。
L-Bank关闭现有工作行,准备打开新行的操作就是预充电(Precharge)。

读写操作时,地址线A10控制着是否进行在进行读写之后对当前L-Bank自动进行预充电。
在发出预充电命令之后,要经过一段时间才能发送行激活命令打开新的工作行,这个间隔被称为tRP(Precharge command Period,预充电有效周期)

写操作时,所以预充电不能与写操作同时进行,必须在tWR之后才能发出预充电命令,以确保数据的可靠写入,否则重写的数据可能是错的。

- 刷新
刷新操作与预充电类似,都是重写存储体中的数据。
自动刷新(Auto Refesh,简称AR)
对于自动刷新,SDRAM内部有一个行地址生成器(也称为刷新计数器),用来自动生成行地址。
每次刷新操作所需要的时间为自动刷新周期(tRC),在自动刷新指令发出后需要等待tRC才能发送其他指令。
自刷新(Self Refresh,简称SR)
自刷新主要用于休眠模式低功耗状态下的数据保存。在发出AR命令时,将CKE置于无效状态,就进入SR模式。
SR模式下SDRAM不再依靠系统时钟工作,而是根据内部的时钟进行刷新操作。
本文深入解析SDRAM(同步动态随机存储器)的工作原理和技术特性。涵盖了SDRAM的存储空间划分、寻址方式、读写操作流程、突发长度设置、数据掩码技术及预充电和刷新机制。了解这些关键信息,有助于掌握SDRAM的高效使用与优化。
2500

被折叠的 条评论
为什么被折叠?



