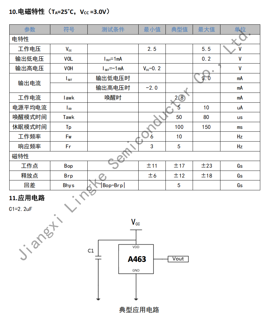
LKA463是一款低功耗高灵敏全极性霍尔开关芯片,采用 CMOS 工艺设计生产。该芯片器件 内部集成了电压调节器、霍尔电压发生器、小 信号放大器、斩波稳压器、施密特触发器和 CMOS输出驱动器,该芯片温度稳定性好、抗应力强,灵敏度高等特点,工作电压在 2.5V~5.5V。提供TO92S 直插封装,贴片 SOT23-3L 封装,且封装都符合 RoHS 环保标准。



LKA463 低功耗高灵敏度全极霍尔芯片
最新推荐文章于 2025-12-04 20:53:19 发布
LKA463是一款低功耗高灵敏全极性霍尔开关芯片,采用 CMOS 工艺设计生产。该芯片器件 内部集成了电压调节器、霍尔电压发生器、小 信号放大器、斩波稳压器、施密特触发器和 CMOS输出驱动器,该芯片温度稳定性好、抗应力强,灵敏度高等特点,工作电压在 2.5V~5.5V。提供TO92S 直插封装,贴片 SOT23-3L 封装,且封装都符合 RoHS 环保标准。




被折叠的 条评论
为什么被折叠?