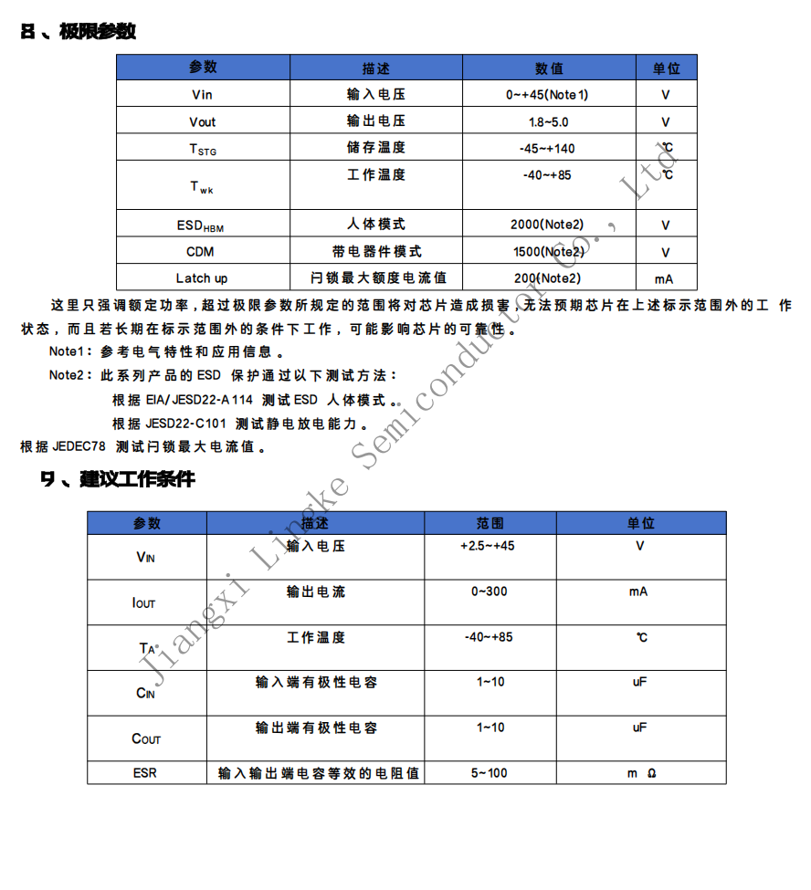
LK73XX-1低压差线性稳压器 实测可达 48V 300mA

LK73xx-1 是一款采用 CMOS 技术的低压差线性稳压器。最大输出电流为 300mA 且允许
的最高输入耐压为 +48V。具有几个固定的输出电压,范围从+1.8V 到+5.0V。COMS 技术可确
保其具有低压降和低静态电流的特性。
评论
添加红包

请填写红包祝福语或标题

红包个数最小为10个

红包金额最低5元

当前余额3.43前往充值 >
需支付:10.00
成就一亿技术人!
领取后你会自动成为博主和红包主的粉丝 规则
hope_wisdom
发出的红包
实付
使用余额支付
点击重新获取
扫码支付
钱包余额 0

抵扣说明:

1.余额是钱包充值的虚拟货币,按照1:1的比例进行支付金额的抵扣。
2.余额无法直接购买下载,可以购买VIP、付费专栏及课程。

余额充值