LK75XX系列是采用CMOS工艺制造的低功耗高耐压线性稳压器,最高输入电压可达40V,空载时功耗低于5μA,因此非常适用于给MCU供电,尤其适用于电给表、火警报警器、烟雾探测器等电池供电常开系统供电。
LK75XX系列输出电压范围为2.5~5.0V,它具有高精度的输出电压、极低的空载电流、极低的跌落电压等特点。
内置过流保护、短路保护和过温保护电,可以充分保护芯片的稳定工作和不被损坏。
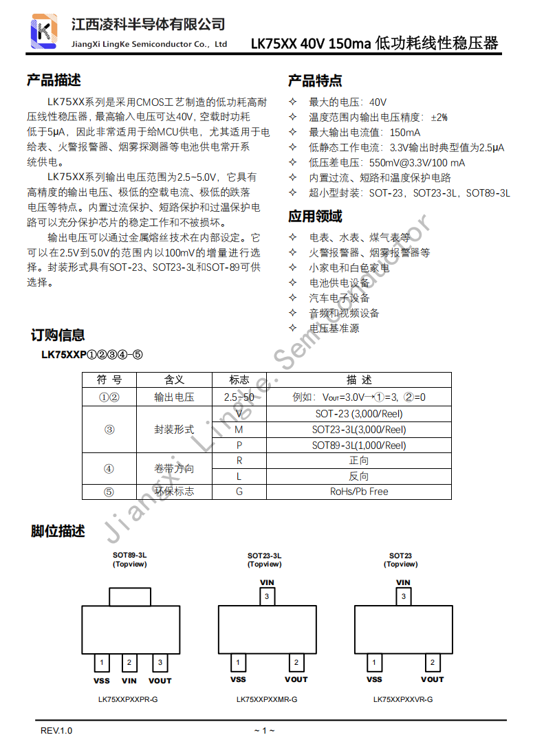
输出电压可以通过金属熔丝技术在内部设定。它可以在2.5V到5.0V的范围内以100mV的增量进行选择。封装形式具有SOT-23、SOT23-3L和SOT-89可供选择。




LK75XX 40V 150ma 低功耗线性稳压器
最新推荐文章于 2025-12-05 12:11:05 发布
2378

被折叠的 条评论
为什么被折叠?



