本文特别分享VBAT管脚的技术特性、设计要点和实用技巧,帮助工程师朋友避免常见的电源设计陷阱。

01. 模组管脚
VBAT是Air780EPM模组的对内供电输入管脚,在模组上对应PIN42和PIN43两个管脚。
02. 电源特性
电压范围:3.3V-4.35V;
电流需求:1A以上,所以通常需要并联搭配220μF电解电容或者22μF钽电容,以用于瞬时大电流的输出响应。
03. 电池供电
1)常规型锂电池:
放电范围是一般是3.2V-4.2V,为了更好地保护锂电池,一般将放电截止电压规定为3.3V;
2)高压型锂电池:
放电范围是一般是3.2V-4.35V,一样的原因,为了更好地保护锂电池,一般将放电截止电压规定为3.3V;
3)其它类型的电池:
比如锂锰电池、锂亚电池,放电截止电压可能低至2.0V;这种类型的电池需要在系统中增加升压DCDC,使其在放电期间供给模组的电压保持在3.3V以上。
用于这种场景下的升压型DCDC,我们使用过的是ETA1161。
04. 电源供电
这里说的电源,指的是类似于充电器这样的、通过AC/DC转换器为系统供电的电源形式,后面我们统一称这种电源形式为直流电源。
直流电源的供电电压:
市场上常见的有5V/9V/12V/18V/24V等,不同的输入电压,选择不同的降压型DCDC。
DCDC的输出电压:
建议设置在3.8V,且需要特别注意的是:有些DCDC在上电初始时的输出电压,有可能会上窜到超出设置的输出电压值很多。
比如:
设置输出电压为3.8V,上电初始时的输出电压高达6V甚至7V以上。
非常大概率将模组的芯片或射频PA打坏,务必特别注意!
用于这种场景下的降压型DCDC,我们使用过的是JW5357和JW5103。
JW5357:用于输入电压低于18V以下的场景;
JW5103:用于输入电压低于36V以下的场景。
05. 耐压特性
1)长时间的正常工作:
不能高于4.5V,包括偶尔的尖峰电压;
为了兼容电池和直流电源两种供电形式,电池电压一般低于4.35V,直流电源经过DCDC降压后一般设置为3.8V输出。因此,模组的正常工作电压范围一般规定为3.3V-4.35V。
2)短时的浪涌尖峰电压:
不能高于5V,否则有可能将模组损坏。
3)VBAT处使用的TVS选型建议:
TVS应保证VRWM略大于芯片最大工作电压(4.5V),VBR典型值在5.3V左右,最大VBR值建议不超过6V,钳位电压VC尽量小,建议浪涌IPP大于160A,IPP=100A (8*20uS脉冲)的钳位电压约为7.5V。
建议型号,芯禾微XESD317D-4V5。
06. 特别提醒!!!
1)模组正常工作电压范围是3.3V-4.35V
虽然模组正常工作建议的电压范围是3.3V-4.35V,但是模组实际可以开机运行的电压最低可以到2.1V,请特别注意如下提示:
-
当模组IO电平设置为1.8V和VBAT供电为2.1V且模组可以开机运行时:此时IO电平可以正常保持1.8V——但射频指标,包括发射功率和接收灵敏度,已经严重恶化,甚至无法正常驻网;
-
当模组IO电平设置为3.3V和VBAT供电为2.1V且模组可以开机运行时:此时IO电平实际输出为2.0V——且射频指标,包括发射功率和接收灵敏度,已经严重恶化,甚至无法正常驻网。
因此,再次强调:
模组正常工作建议的电压范围是3.3V-4.35V,过低电压会导致射频指标恶化甚至无法正常驻网。
2)确保VBAT上电时的起始电压小于0.5V
模组上电开机时,需确保VBAT上电时的起始电压小于0.5V,否则可能会因电压临界状态造成模组时序混乱而无法正常开机;关于这一点的详细介绍,会在“开机时序”章节进行详细介绍。
-
实际应用中最常见的问题是:
掉电关机后短时间内再上电,但是在此期间系统上大电容的电未放完,导致VBAT电压停留在0.5V至2.0V中间,模组主芯片部分功能无法完全关闭,导致再上电时开机时序不符合要求而无法正常开机。
-
记忆中有客户做的项目:
大电容完全放电完毕用时需要将近30秒左右,非常容易导致陷入"为何无法开机、模组是不是坏了"的长时间分析中。
这里也分享两种常见的余电快速放电电路供参考:
▼ 余电快速放电电路 ▼
第一种:
优势是电路简单,缺点是功耗较高且会一直损耗,进而导致放电速度无法设置的太快(放电电阻R4不能使用阻值太小的电阻)。

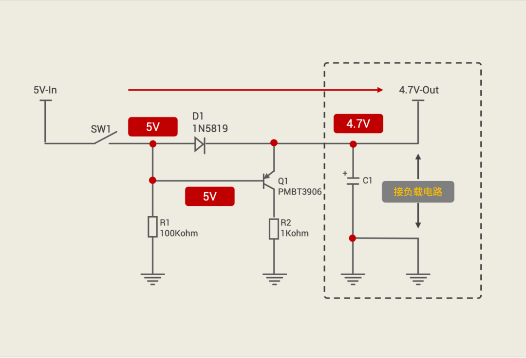
第二种:
优势是只有在断电的情况下才会放电,不会产生额外的功耗,缺点是电路相对复杂,且由于单向导电电路(二极管D1)的存在会导致工作端电压有损耗(二极管压降 0.3V)。

07. VBAT电压可以检测
具体见LuatOS核心库"ADC"章节的介绍:
https://docs.openluat.com/osapi/core/adc/
adc.CH_VBAT:
常量含义:VBAT供电电压的通道id;
数据类型:number;
常量取值:-2;
示例代码:adc.open(adc.CH_VBAT)。
示例代码:

2876

被折叠的 条评论
为什么被折叠?



