
一、无符号乘法的硬件逻辑实现

1.基本思想
乘法运算可由移位运算和加法运算实现。
2.逻辑实现
1)初始时:被乘数送入操作数寄存器X,乘数送入乘商寄存器MQ,累加器ACC,进位信号Cout清零,计数器Cn置为需要运算的次数;
2)控制逻辑根据乘商寄存器的最低位是0/1执行右移/先加后移的操作;
3)执行加法时,ALU将X和ACC中的值相加并写入ACC,进位信息写入Cout;
4)执行移位时,Cout、ACC、MQ同时移动(逻辑移位);
5)每执行一次操作,计数器Cn-1,至Cn=0,运算结束。此时ACC存放乘积高位,MQ存放乘积低位。
二、定点数原码乘法运算的硬件实现

1.本质
转化为无符号数的乘法运算。
2.运算公式
![]()
-
将数的绝对值看作无符号数乘法运算
-
符号位单独用乘数与被乘数的符号位异或得到
三、定点数补码乘法的硬件逻辑实现

1.补码一位乘法运算的公式

本质:补码乘法运算可通过加法和算术右移实现
2.逻辑实现

被乘数的补码乘以乘数的后一位与前一位的差再右移一位,循环直至Cn=0,最后再进行一次加法
1)需要增加一位辅助位Yi+1
-
当Yi+1-Yi=0时,部分积+0;
-
当Yi+1-Yi=1时,部分积+[X]补;
-
当Yi+1-Yi=-1时,部分积-[X]补(+[-X]的补码)
2)ACC和X采用双符号位
因为可能出现绝对值大于1,但并不是溢出的情况
3)结果需要舍弃MQ最后两位
符号位和辅助位
3.实现流程

四、阵列乘法器

1.无符号阵列乘法器
1)基本思想
模仿二进制乘法的笔算方法。
2)逻辑实现
使用与门和一位全加器FA实现

-
第一层FA可改为半加器HA
-
下一层FA对上一层FA有进位依赖
-
最后一层FA之间有进位依赖,可改用先行进位电路,可视为串行进位加法器
-
延迟时间:1T+(3×6)T+(2×3+4)T=29T
2.补码阵列乘法器
1)基本思想
-
补码的符号位单独处理
-
数值位转化为原码后利用无符号数阵列乘法器,得到的无符号乘积再转换成补码的数值位
2)逻辑实现

-
根据被乘数和乘数的符号位将数值位转换为原码,0保持不变,1取反并末位+1
-
两个n位无符号数得到2n位无符号乘积
-
得到的结果根据单独处理的乘积符号位转换为补码
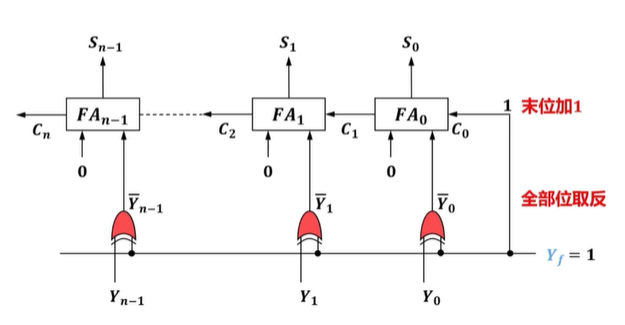
3)求补电路实现
-
模仿加法器实现减法的方法(硬件开销大,时间延迟长)

-
模仿求补码的扫描法

关键仍是异或门一端为0则保持原输出,一端为1则取反;与门的输出作为异或门的输入;或门的输出作为与门的输入。
2173

被折叠的 条评论
为什么被折叠?



