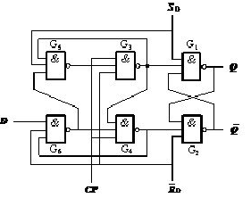
大家都知道D触发器需要建立时间和保持时间,它们的含义大家也清楚,但是为什么需要建立时间Tsu和保持时间Th?下图展示了一般D触发器的内部结构

具体的分析有兴趣可以慢慢分析,不是很难。主要说一下大概:默认SD,RD信号为高,cp=0时,D信号作用于G5,G6两个与非门分别输出D和!D,当cp=1时,G5,G6的输出端数据经过G3,G4到达其输出端,然后根据RS触发器得到输出Q。其中当cp=1时,无论D信号怎么变化都不会影响G3,G3输出的结果。(这里假设忽略了门延时)。
这样的话一个上升沿触发的D触发器就完成了。
但是逻辑门的延时是不能忽略的,那么Tsu代表什么呢?代表了数据D到达G5,G6输出端的时间。我们假设Tsu为4ns,即数据D需要要cp=1时前4ns就要保持稳定,同时也代表了G5,G6最大的门延时是4ns。那么假如我们在cp=1前3ns改变我们的D值会怎样呢?那是不是当cp=1时,改变的D值还没用通过逻辑延时为4ns的门,也就是说此时G5,G6的数据还是cp=1前4ns的D值。也就是说明了当在建立时间以后改变输入数据是没有作用的。
同样,Th代表了G5,G6的输出端口到G3,G4的输出端口的时间。前面分析我们知道如果不考虑延时,那么cp=1时,G5,G6的输出端口值会马上在G3,G4端口输出,且由于cp=1了,D数据的改变并不会影响G5,G6的输出结果从而保持数据的稳定。那么由于门延时的存在,cp=0时,G4,G3端口输出为1,当cp=1时,G3,G4的端口值并不能马上改变,这里我们假设Th=4,即需要4ns端口值才能变化,那么假如在这4ns中外部数据D发生了改变,由于此时G3,G4的输出端口依然为0(逻辑延时4ns),那么他们的反馈回路会造成G5,G6的输出端口值随着D的改变而改变,这样会导致G3,G4的数据随之改变从而造成输出数据的错误。
本文详细解析了D触发器为何需要建立时间(Tsu)和保持时间(Th),并通过内部结构图展示了这两者如何确保数据稳定传输,防止在时钟脉冲期间输入数据变化导致的错误。
1万+

被折叠的 条评论
为什么被折叠?



