名称:基于FPGA的多功能数字钟VHDL代码Quartus仿真(文末获取)
软件:Quartus
语言:VHDL
代码功能:
多功能数字钟EDA-SOPC实验箱(EP3C16)验证
1、可以分为计时、闹钟两种模式
2、可以修改时间和闹钟
3、可以关闭闹钟
使用方法:一共4个控制按键,S1~S4,S1为模式设置按键,通过这个按键可以设置当然显示的是闹钟时间还是实际计时时间,S2是修改时间按键,修改方法为,先按下S2,再按S4修改小时,修改后按下S3确认,再按S4修改分钟,修改后按下S3确认,再按S4修改秒钟,修改后按下S3确认就推出修改模式了。闹钟时间修改也是一样,就是先按S1切换到闹钟显示,再修改。闹钟响时,按下S4关闭。
1. 工程文件

2. 程序文件

3. 程序编译

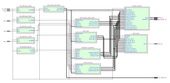
4. RTL图

5. 仿真图
分频模块
![]()

按键模块

模式控制模块

计时模块



闹钟模块

秒表模块




响铃模块(LED代表响铃)

倒计时模块
</
基于FPGA的QuartusVHDL实现的多功能数字钟设计与仿真

最低0.47元/天 解锁文章
7235

被折叠的 条评论
为什么被折叠?



