✅作者简介:热爱科研的Matlab仿真开发者,擅长数据处理、建模仿真、程序设计、完整代码获取、论文复现及科研仿真。
🍎 往期回顾关注个人主页:Matlab科研工作室
🍊个人信条:格物致知,完整Matlab代码及仿真咨询内容私信。
🔥 内容介绍
在电力系统中,随着电力电子设备的广泛应用,谐波污染和无功功率问题日益突出,这不仅影响电力设备的正常运行,还会降低电力系统的效率和稳定性。分流有源滤波器(Shunt Active Filter,SAF)作为一种有效的谐波治理和无功补偿装置,能够实时检测电网中的谐波和无功电流,并产生相反的补偿电流,从而净化电网。同步旋转坐标系(Synchronous Reference Frame,SRF)算法因其检测精度高、响应速度快等优点,被广泛应用于分流有源滤波器的谐波和无功电流检测中。本文将详细介绍基于 SRF 算法的分流有源滤波器的工作原理、仿真电路设计以及其在降低谐波和无功功率方面的效果。
二、SRF 算法原理
SRF 算法是一种基于三相电路瞬时无功功率理论的谐波和无功电流检测方法。其核心思想是将三相静止坐标系(abc 坐标系)中的电流或电压信号转换到同步旋转坐标系(dq 坐标系)中,在 dq 坐标系中,基波有功分量表现为直流分量,而谐波和无功分量则表现为交流分量,通过低通滤波器(LPF)可以很容易地将直流分量和交流分量分离,从而提取出谐波和无功电流分量。

三、分流有源滤波器的工作原理
分流有源滤波器主要由主电路和控制电路两部分组成。主电路采用三相电压型逆变器,通过电抗器与电网并联,其作用是产生与电网中谐波和无功电流大小相等、方向相反的补偿电流,从而抵消电网中的谐波和无功电流。控制电路主要包括电流检测模块、补偿电流指令生成模块和电流跟踪控制模块。其中,电流检测模块采用 SRF 算法检测电网中的谐波和无功电流;补偿电流指令生成模块根据检测到的谐波和无功电流生成补偿电流指令;电流跟踪控制模块采用脉冲宽度调制(PWM)技术控制逆变器,使逆变器输出的补偿电流能够准确跟踪补偿电流指令。
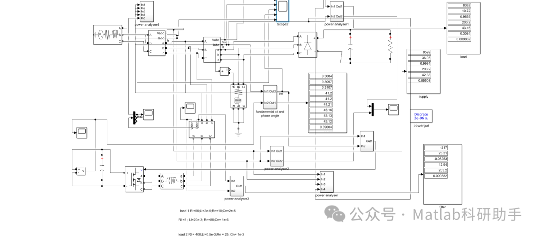
四、仿真电路设计
基于 MATLAB/Simulink 搭建采用 SRF 算法的分流有源滤波器仿真电路,主要包括以下几个部分:

五、仿真结果分析
(一)谐波抑制效果
在未接入分流有源滤波器时,非线性负载产生的谐波电流使电网电流波形发生畸变,总谐波畸变率(THD)较高。接入采用 SRF 算法的分流有源滤波器后,通过检测和补偿谐波电流,电网电流波形得到明显改善,THD 显著降低。
仿真结果显示,未接入滤波器时,电网电流的 THD 为 35% 左右;接入滤波器后,电网电流的 THD 降至 5% 以下,满足国家标准对电网谐波的要求(THD≤5%)。
(二)无功补偿效果
在未接入分流有源滤波器时,非线性负载消耗一定的无功功率,导致电网的功率因数较低。接入滤波器后,滤波器能够补偿非线性负载所需的无功功率,提高电网的功率因数。
仿真结果表明,未接入滤波器时,电网的功率因数为 0.7 左右;接入滤波器后,电网的功率因数提高到 0.95 以上,提高了电力系统的效率。
六、结论
本文设计了一种采用 SRF 算法的分流有源滤波器,并通过 MATLAB/Simulink 搭建了仿真电路。仿真结果表明,该滤波器能够有效地检测和补偿电网中的谐波和无功电流,显著降低电网电流的 THD,提高电网的功率因数,具有良好的谐波抑制和无功补偿效果。
SRF 算法作为一种高效的谐波和无功电流检测方法,在分流有源滤波器中具有广泛的应用前景。未来可以进一步优化 SRF 算法的性能,如提高检测精度、加快响应速度等,以适应更复杂的电力系统环境。同时,还可以研究多电平逆变器在分流有源滤波器中的应用,以提高滤波器的输出功率和效率。
⛳️ 运行结果



🔗 参考文献
[1] 戴文进,陈铭,李红云.基于三相并联混合有源滤波器的直接功率控制理论[J].通信电源技术, 2008, 25(2):4.DOI:10.3969/j.issn.1009-3664.2008.02.009.
[2] 童立青,钱照明,彭方正.同步旋转坐标谐波检测法的数学建模及数字实现[J].中国电机工程学报, 2009, 29(019):111-117.DOI:10.1109/MILCOM.2009.5379889.
[3] 童立青,钱照明,彭方正.同步旋转坐标谐波检测法的数学建模及数字实现[J].中国电机工程学报, 2009.DOI:CNKI:SUN:ZGDC.0.2009-19-018.
📣 部分代码
🎈 部分理论引用网络文献,若有侵权联系博主删除
👇 关注我领取海量matlab电子书和数学建模资料
🏆团队擅长辅导定制多种科研领域MATLAB仿真,助力科研梦:
🌈 各类智能优化算法改进及应用
生产调度、经济调度、装配线调度、充电优化、车间调度、发车优化、水库调度、三维装箱、物流选址、货位优化、公交排班优化、充电桩布局优化、车间布局优化、集装箱船配载优化、水泵组合优化、解医疗资源分配优化、设施布局优化、可视域基站和无人机选址优化、背包问题、 风电场布局、时隙分配优化、 最佳分布式发电单元分配、多阶段管道维修、 工厂-中心-需求点三级选址问题、 应急生活物质配送中心选址、 基站选址、 道路灯柱布置、 枢纽节点部署、 输电线路台风监测装置、 集装箱调度、 机组优化、 投资优化组合、云服务器组合优化、 天线线性阵列分布优化、CVRP问题、VRPPD问题、多中心VRP问题、多层网络的VRP问题、多中心多车型的VRP问题、 动态VRP问题、双层车辆路径规划(2E-VRP)、充电车辆路径规划(EVRP)、油电混合车辆路径规划、混合流水车间问题、 订单拆分调度问题、 公交车的调度排班优化问题、航班摆渡车辆调度问题、选址路径规划问题、港口调度、港口岸桥调度、停机位分配、机场航班调度、泄漏源定位
🌈 机器学习和深度学习时序、回归、分类、聚类和降维
2.1 bp时序、回归预测和分类
2.2 ENS声神经网络时序、回归预测和分类
2.3 SVM/CNN-SVM/LSSVM/RVM支持向量机系列时序、回归预测和分类
2.4 CNN|TCN|GCN卷积神经网络系列时序、回归预测和分类
2.5 ELM/KELM/RELM/DELM极限学习机系列时序、回归预测和分类
2.6 GRU/Bi-GRU/CNN-GRU/CNN-BiGRU门控神经网络时序、回归预测和分类
2.7 ELMAN递归神经网络时序、回归\预测和分类
2.8 LSTM/BiLSTM/CNN-LSTM/CNN-BiLSTM/长短记忆神经网络系列时序、回归预测和分类
2.9 RBF径向基神经网络时序、回归预测和分类
2.10 DBN深度置信网络时序、回归预测和分类
2.11 FNN模糊神经网络时序、回归预测
2.12 RF随机森林时序、回归预测和分类
2.13 BLS宽度学习时序、回归预测和分类
2.14 PNN脉冲神经网络分类
2.15 模糊小波神经网络预测和分类
2.16 时序、回归预测和分类
2.17 时序、回归预测预测和分类
2.18 XGBOOST集成学习时序、回归预测预测和分类
2.19 Transform各类组合时序、回归预测预测和分类
方向涵盖风电预测、光伏预测、电池寿命预测、辐射源识别、交通流预测、负荷预测、股价预测、PM2.5浓度预测、电池健康状态预测、用电量预测、水体光学参数反演、NLOS信号识别、地铁停车精准预测、变压器故障诊断
🌈图像处理方面
图像识别、图像分割、图像检测、图像隐藏、图像配准、图像拼接、图像融合、图像增强、图像压缩感知
🌈 路径规划方面
旅行商问题(TSP)、车辆路径问题(VRP、MVRP、CVRP、VRPTW等)、无人机三维路径规划、无人机协同、无人机编队、机器人路径规划、栅格地图路径规划、多式联运运输问题、 充电车辆路径规划(EVRP)、 双层车辆路径规划(2E-VRP)、 油电混合车辆路径规划、 船舶航迹规划、 全路径规划规划、 仓储巡逻
🌈 无人机应用方面
无人机路径规划、无人机控制、无人机编队、无人机协同、无人机任务分配、无人机安全通信轨迹在线优化、车辆协同无人机路径规划
🌈 通信方面
传感器部署优化、通信协议优化、路由优化、目标定位优化、Dv-Hop定位优化、Leach协议优化、WSN覆盖优化、组播优化、RSSI定位优化、水声通信、通信上传下载分配
🌈 信号处理方面
信号识别、信号加密、信号去噪、信号增强、雷达信号处理、信号水印嵌入提取、肌电信号、脑电信号、信号配时优化、心电信号、DOA估计、编码译码、变分模态分解、管道泄漏、滤波器、数字信号处理+传输+分析+去噪、数字信号调制、误码率、信号估计、DTMF、信号检测
🌈电力系统方面
微电网优化、无功优化、配电网重构、储能配置、有序充电、MPPT优化、家庭用电
🌈 元胞自动机方面
交通流 人群疏散 病毒扩散 晶体生长 金属腐蚀
🌈 雷达方面
卡尔曼滤波跟踪、航迹关联、航迹融合、SOC估计、阵列优化、NLOS识别
🌈 车间调度
零等待流水车间调度问题NWFSP 、 置换流水车间调度问题PFSP、 混合流水车间调度问题HFSP 、零空闲流水车间调度问题NIFSP、分布式置换流水车间调度问题 DPFSP、阻塞流水车间调度问题BFSP
👇
615

被折叠的 条评论
为什么被折叠?



