✅作者简介:热爱科研的Matlab仿真开发者,擅长数据处理、建模仿真、程序设计、完整代码获取、论文复现及科研仿真。
🍎 往期回顾关注个人主页:Matlab科研工作室
🍊个人信条:格物致知,完整Matlab代码及仿真咨询内容私信。
🔥 内容介绍
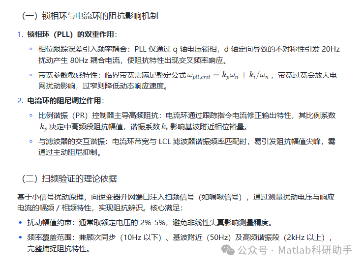
在新能源高渗透率的电力电子化电网中,光伏并网逆变器作为能量转换核心接口,其稳定性直接决定电网安全运行。弱网环境下,电网阻抗动态变化与逆变器控制环路(尤其是锁相环、电流环)的交互作用,易引发次同步振荡、高频谐振等问题 —— 德国北海风电并网工程曾因类似谐振导致设备损毁、系统停运半年的重大事故。
阻抗分析法是解决此类稳定性问题的核心手段,而扫频测试则为阻抗模型验证与稳定性评估提供了实验支撑。本研究通过构建包含锁相环与电流环的逆变器阻抗模型,结合扫频验证技术,揭示控制环路对阻抗特性的影响机理,为抑制频率耦合效应、优化控制参数提供理论与工程依据,对提升光伏并网系统鲁棒性具有重要现实意义。
二、核心理论基础


四、研究局限与未来方向
(一)当前技术瓶颈
- 建模精度局限:强非线性场景下,多谐波线性化仍存在误差,难以完全匹配实测特性。
- 动态适配不足:电网阻抗突变时,静态扫频无法实时捕捉阻抗变化,影响稳定性预判。
- 多逆变器交互:分布式光伏集群中,逆变器间耦合效应未在单台建模中充分体现。
(二)未来研究重点
- 模型优化:结合深度学习构建阻抗预测模型,动态修正锁相环与电流环参数影响。
- 测试技术升级:开发实时扫频系统,实现毫秒级阻抗辨识,适配电网动态变化。
- 集群协同控制:基于分布式序阻抗测量,提出多逆变器参数协同优化策略。
- 宽频带抑制:融合主动阻尼与自适应滤波器,实现次同步至高频段的全频段谐振抑制。
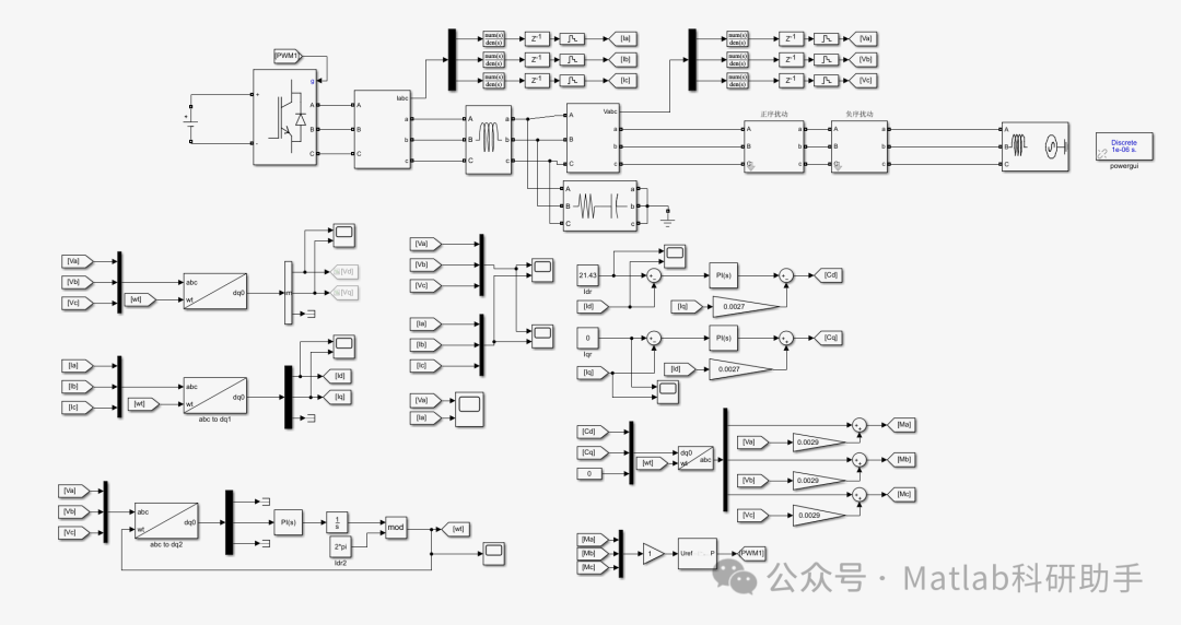
⛳️ 运行结果





🔗 参考文献
[1] 吴旭,王伟,肖华锋,等.并网逆变器整体序阻抗建模方法及其稳定性分析[J].中国电机工程学报, 2024, 44(9):3645-3655.DOI:10.13334/j.0258-8013.pcsee.222475.
[2] 郑天志.dq坐标系下三相并网逆变器的稳定分析与控制[D].广西大学,2023.
[3] 吕敬,蔡旭,张占奎,等.海上风电场经MMC-HVDC并网的阻抗建模及稳定性分析[J].中国电机工程学报, 2016, 36(14):10.DOI:10.13334/j.0258-8013.pcsee.152760.
📣 部分代码
🎈 部分理论引用网络文献,若有侵权联系博主删除
👇 关注我领取海量matlab电子书和数学建模资料
🏆团队擅长辅导定制多种科研领域MATLAB仿真,助力科研梦:
🌈 各类智能优化算法改进及应用
生产调度、经济调度、装配线调度、充电优化、车间调度、发车优化、水库调度、三维装箱、物流选址、货位优化、公交排班优化、充电桩布局优化、车间布局优化、集装箱船配载优化、水泵组合优化、解医疗资源分配优化、设施布局优化、可视域基站和无人机选址优化、背包问题、 风电场布局、时隙分配优化、 最佳分布式发电单元分配、多阶段管道维修、 工厂-中心-需求点三级选址问题、 应急生活物质配送中心选址、 基站选址、 道路灯柱布置、 枢纽节点部署、 输电线路台风监测装置、 集装箱调度、 机组优化、 投资优化组合、云服务器组合优化、 天线线性阵列分布优化、CVRP问题、VRPPD问题、多中心VRP问题、多层网络的VRP问题、多中心多车型的VRP问题、 动态VRP问题、双层车辆路径规划(2E-VRP)、充电车辆路径规划(EVRP)、油电混合车辆路径规划、混合流水车间问题、 订单拆分调度问题、 公交车的调度排班优化问题、航班摆渡车辆调度问题、选址路径规划问题、港口调度、港口岸桥调度、停机位分配、机场航班调度、泄漏源定位
🌈 机器学习和深度学习时序、回归、分类、聚类和降维
2.1 bp时序、回归预测和分类
2.2 ENS声神经网络时序、回归预测和分类
2.3 SVM/CNN-SVM/LSSVM/RVM支持向量机系列时序、回归预测和分类
2.4 CNN|TCN|GCN卷积神经网络系列时序、回归预测和分类
2.5 ELM/KELM/RELM/DELM极限学习机系列时序、回归预测和分类
2.6 GRU/Bi-GRU/CNN-GRU/CNN-BiGRU门控神经网络时序、回归预测和分类
2.7 ELMAN递归神经网络时序、回归\预测和分类
2.8 LSTM/BiLSTM/CNN-LSTM/CNN-BiLSTM/长短记忆神经网络系列时序、回归预测和分类
2.9 RBF径向基神经网络时序、回归预测和分类
2.10 DBN深度置信网络时序、回归预测和分类
2.11 FNN模糊神经网络时序、回归预测
2.12 RF随机森林时序、回归预测和分类
2.13 BLS宽度学习时序、回归预测和分类
2.14 PNN脉冲神经网络分类
2.15 模糊小波神经网络预测和分类
2.16 时序、回归预测和分类
2.17 时序、回归预测预测和分类
2.18 XGBOOST集成学习时序、回归预测预测和分类
2.19 Transform各类组合时序、回归预测预测和分类
方向涵盖风电预测、光伏预测、电池寿命预测、辐射源识别、交通流预测、负荷预测、股价预测、PM2.5浓度预测、电池健康状态预测、用电量预测、水体光学参数反演、NLOS信号识别、地铁停车精准预测、变压器故障诊断
🌈图像处理方面
图像识别、图像分割、图像检测、图像隐藏、图像配准、图像拼接、图像融合、图像增强、图像压缩感知
🌈 路径规划方面
旅行商问题(TSP)、车辆路径问题(VRP、MVRP、CVRP、VRPTW等)、无人机三维路径规划、无人机协同、无人机编队、机器人路径规划、栅格地图路径规划、多式联运运输问题、 充电车辆路径规划(EVRP)、 双层车辆路径规划(2E-VRP)、 油电混合车辆路径规划、 船舶航迹规划、 全路径规划规划、 仓储巡逻
🌈 无人机应用方面
无人机路径规划、无人机控制、无人机编队、无人机协同、无人机任务分配、无人机安全通信轨迹在线优化、车辆协同无人机路径规划
🌈 通信方面
传感器部署优化、通信协议优化、路由优化、目标定位优化、Dv-Hop定位优化、Leach协议优化、WSN覆盖优化、组播优化、RSSI定位优化、水声通信、通信上传下载分配
🌈 信号处理方面
信号识别、信号加密、信号去噪、信号增强、雷达信号处理、信号水印嵌入提取、肌电信号、脑电信号、信号配时优化、心电信号、DOA估计、编码译码、变分模态分解、管道泄漏、滤波器、数字信号处理+传输+分析+去噪、数字信号调制、误码率、信号估计、DTMF、信号检测
🌈电力系统方面
微电网优化、无功优化、配电网重构、储能配置、有序充电、MPPT优化、家庭用电
🌈 元胞自动机方面
交通流 人群疏散 病毒扩散 晶体生长 金属腐蚀
🌈 雷达方面
卡尔曼滤波跟踪、航迹关联、航迹融合、SOC估计、阵列优化、NLOS识别
🌈 车间调度
零等待流水车间调度问题NWFSP 、 置换流水车间调度问题PFSP、 混合流水车间调度问题HFSP 、零空闲流水车间调度问题NIFSP、分布式置换流水车间调度问题 DPFSP、阻塞流水车间调度问题BFSP
👇
2570

被折叠的 条评论
为什么被折叠?



