4x3G-SDI 是一种视频传输技术,通过捆绑四条 3G-SDI 信号通道实现高带宽视频传输,支持更高分辨率或帧率的视频格式(如 4K/60Hz)。常见于专业广电、医疗影像和高端制作领域。
一、技术特点
- 带宽:每条 3G-SDI 通道带宽为 2.97 Gbps,四路聚合总带宽约 11.88 Gbps。
- 兼容性:向下兼容 HD-SDI(1.485 Gbps)和 SD-SDI(270 Mbps)信号。
二、典型应用场景
- 4K 视频制作:传输 4K/60p 10-bit 4:2:2 信号,满足广电级制作需求。
- 多画面传输:同时传输多路 1080p 信号(如四路 1080p/60Hz)
三、2-sample interleave division
表中列出的2160线源图像的活动区域应按照SMPTEST435-1中的定义,使用2个采样交错分割法将源图像划分为4个具有相同帧速率的子图像(即子图像1到4)的活动区域。3840x2160和4096x2160源图像的每个子图像的结构与SMPTEST274和SMPTEST2048-2中定义的相应帧速率的图像具有相同的结构,如表所示。

源图像的偶数行根据连续两个水平采样被划分为子图像1和2,而源图像的奇数行根据连续两个水平采样划分为子图像3和4。上图展示了2个采样交错划分方法以及映射到四个子图像的过程。
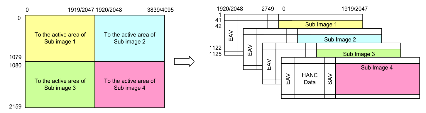
四、Square Division
根据SMPTE ST435-1中定义的四划分规则在图中所示的说明,2160行源图像被划分为出的四个子图像。
4x3G-SDI高清视频传输技术解析


1985

被折叠的 条评论
为什么被折叠?



